GM Service Manual Online
For 1990-2009 cars only
Makes
🢒
Cadillac
🢒
2007
🢒
Escalade EXT
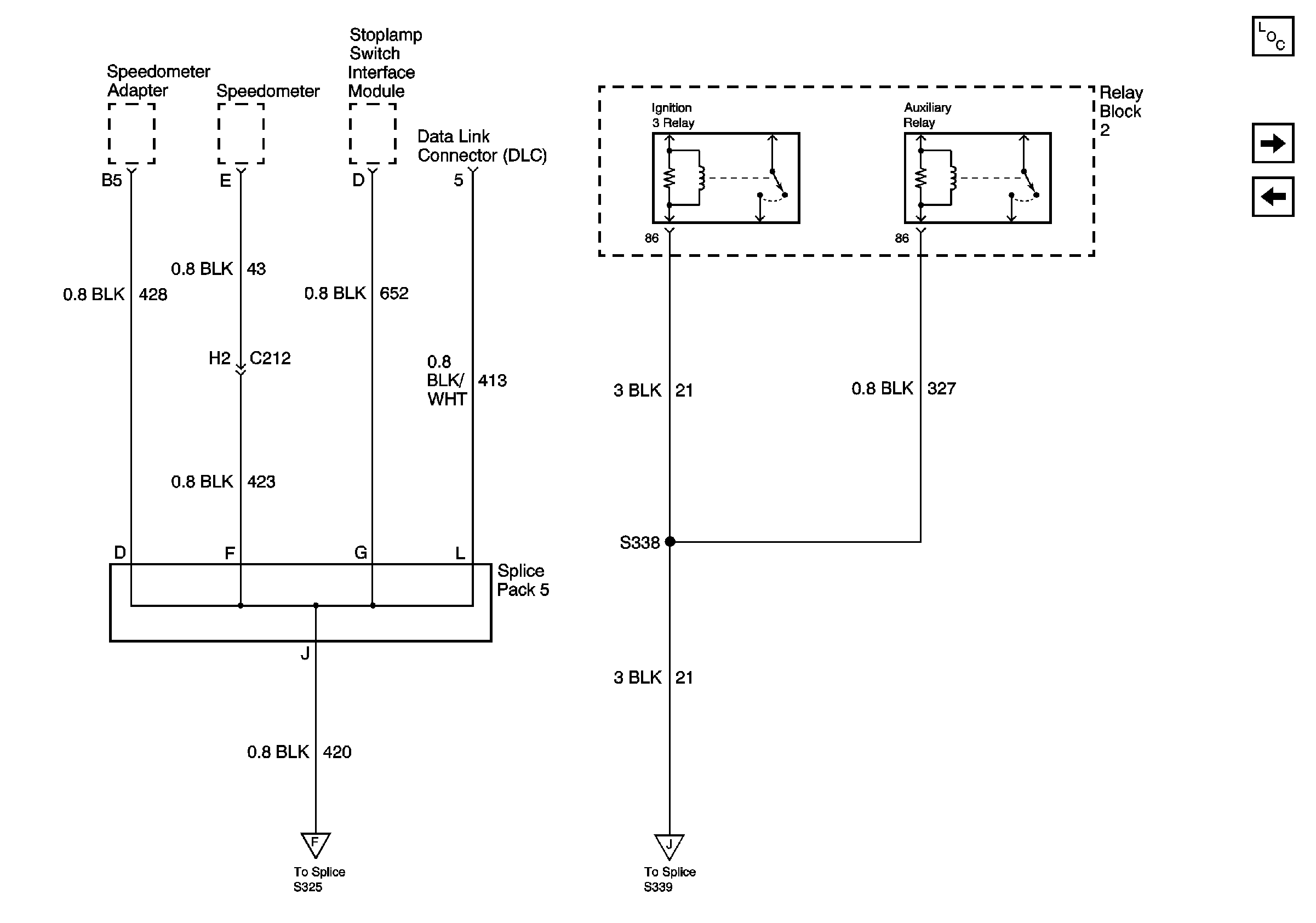
🢒 G105, Splice Pack 5, S338
G105, Splice Pack 5, S338
G105 Continued, Splice Pack 5, S338
Master Electrical Component List
G105, S323, S337, S339, S357, S358
G105, S330, S345, S349, S359, S360, S600
G105, S325, S328
G105, S323, S337, S339, S357, S358