GM Service Manual Online
For 1990-2009 cars only
Makes
🢒
Cadillac
🢒
2007
🢒
Escalade EXT
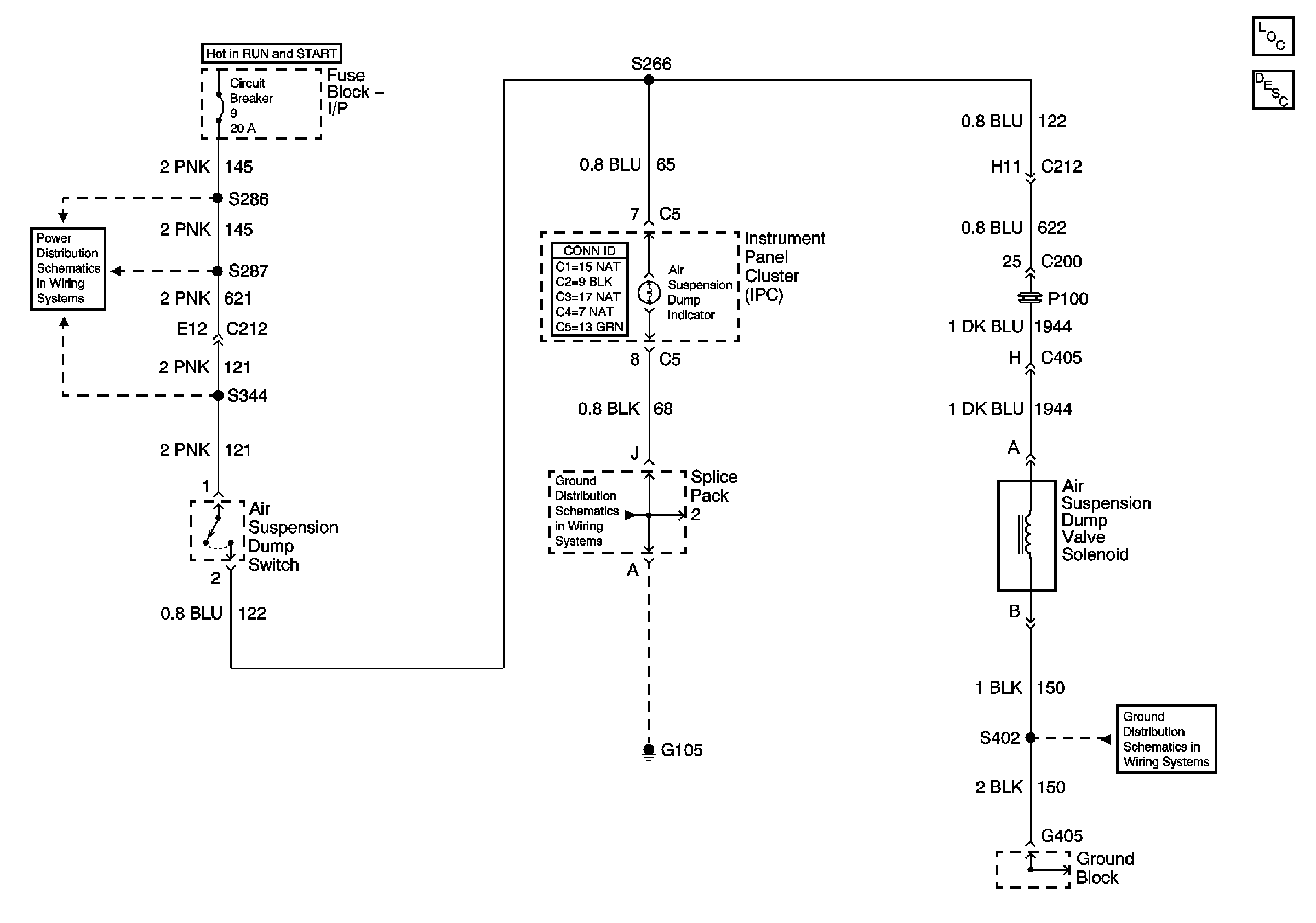
🢒 Isuzu Air Suspension Schematics - Air Suspension Dump SW and SOL
Isuzu Air Suspension Schematics - Air Suspension Dump SW and SOL
Master Electrical Component List
Air Temperature Description and Operation
IP Fuse Block Circuit Breaker 9, Page 1 of 2
Splice Pack 2
G404, G405, G406, S402, S415, S416, S421, S422, S702