GM Service Manual Online
For 1990-2009 cars only
Makes
🢒
Cadillac
🢒
2007
🢒
Escalade EXT
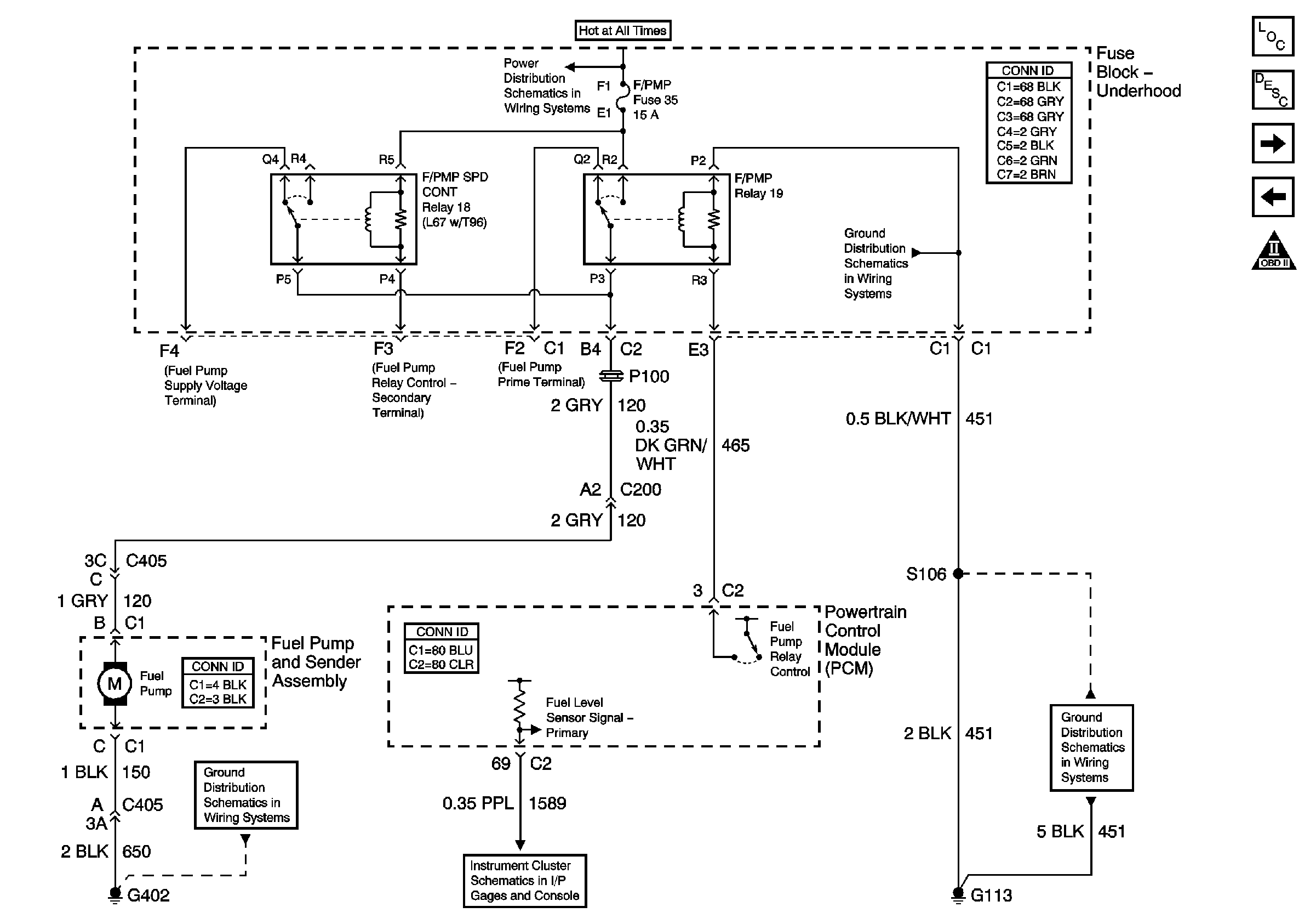
🢒 Fuel Pump Controls
Fuel Pump Controls
Fuel Pump Controls
Master Electrical Component List
Fuel System Description
Fuel Injectors
CMP,CKP,and KS Sensors
OBD II Symbol Description Notice
Fuse Block Underhood Power Bussing (Page 1 of 2)
G100, G111, and G113
G402 (Page 1 of 2)
Gauges
G100, G111, and G113