GM Service Manual Online
For 1990-2009 cars only

Object Number: 1746375  Size: LF
Master Electrical Component List
Automatic Transmission Controls Schematics
OBD II Symbol Description Notice
Control Module References

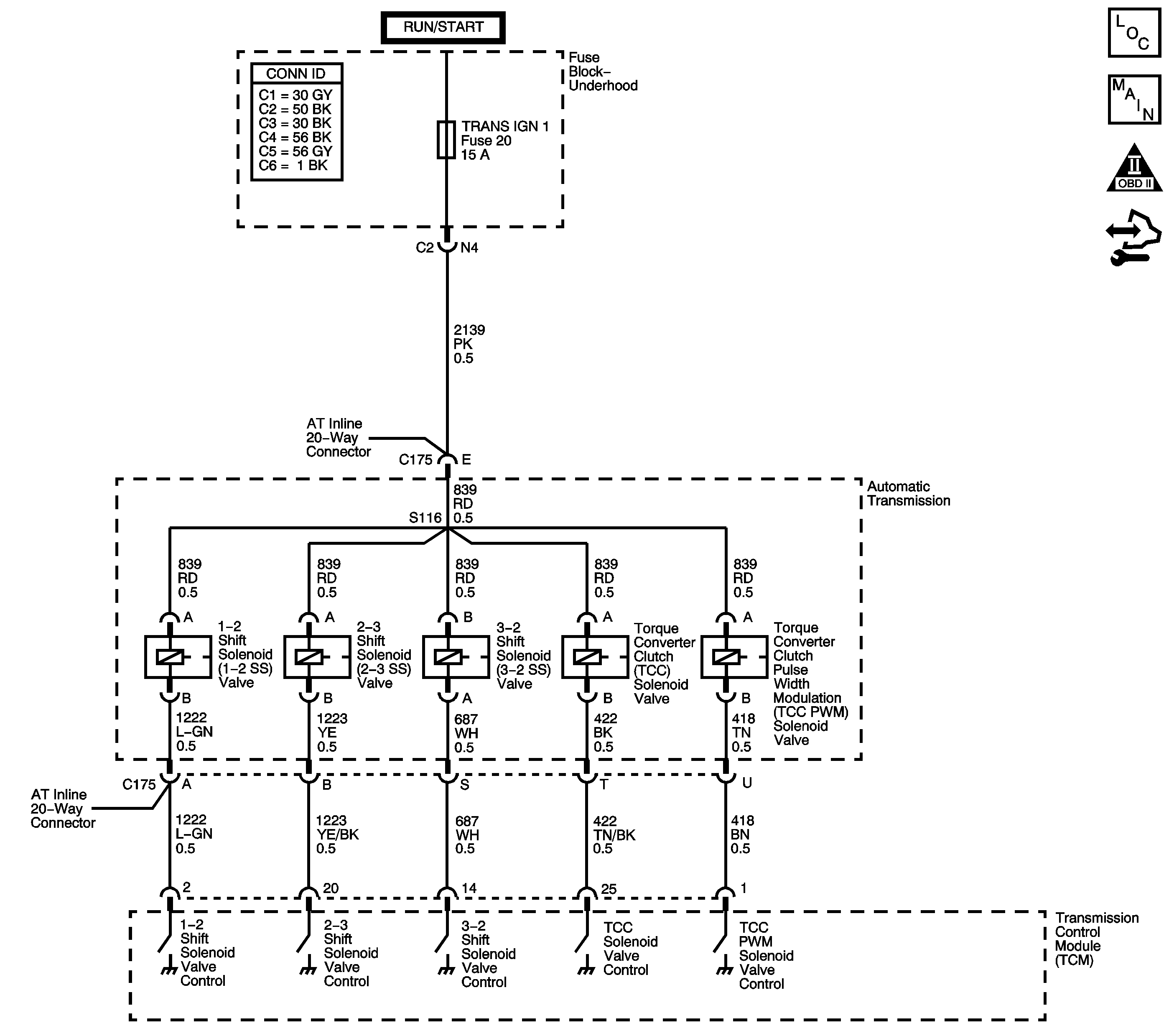
Circuit Description

The torque converter clutch pulse width modulation (TCC PWM) solenoid valve controls the fluid acting on the converter clutch valve. The converter clutch valve controls the TCC application and release. The solenoid attaches to the control valve body within the transmission. The solenoid receives voltage through the ignition voltage circuit. The transmission control module (TCM) controls the solenoid by providing a ground path on the TCC PWM solenoid valve control circuit. Current flows through the solenoid coil according to the duty cycle, percentage of ON and OFF time. The TCC PWM solenoid valve provides a smooth engagement of the TCC by operating during a duty cycle percent of ON time.

When the TCM detects a continuous short to voltage in the TCC PWM solenoid valve control circuit, then DTC P2763 sets. DTC P2763 is a type B DTC.

DTC Descriptor

This diagnostic procedure supports the following DTC:

DTC P2763 Torque Converter Clutch (TCC) Pressure Control (PC) Solenoid Control Circuit High Voltage

Conditions for Running the DTC

    • The system voltage is 8-18 volts.
    • The engine speed is 500 RPM for 5 seconds.

Conditions for Setting the DTC

DTC P2763 sets if the TCM commands the solenoid ON and the voltage feedback remains high, B+.

Action Taken When the DTC Sets

    • The TCM requests the ECM to illuminate the malfunction indicator lamp (MIL) during the second consecutive trip in which the Conditions for Setting the DTC are met.
    • The TCM commands maximum line pressure.
    • The TCM inhibits TCC engagement.
    • The TCM inhibits 4th gear if in hot mode.
    • The TCM freezes transmission adaptive functions.
    • At the time of the first failure, the TCM records the operating conditions when the Conditions for Setting the DTC are met. The TCM stores this information as a Failure Record.
    • At the time of the second failure, the ECM records the operating conditions when the Conditions for Setting the DTC are met. The ECM stores this information as a Freeze Frame.
    • The TCM stores DTC P2763 in TCM history.

Conditions for Clearing the DTC

    • The ECM turns OFF the MIL after the third consecutive drive trip in which the TCM does not send a MIL illumination request.
    • A scan tool can clear the DTC.
    • The TCM clears the DTC from TCM history if the vehicle completes 40 warm-up cycles without a non-emission related diagnostic fault occurring.
    • The TCM cancels the default actions when the ignition is OFF long enough in order to power down the TCM.

DTC P2763

Step

Action

Values

Yes

No

1

Did you perform the Diagnostic System Check - Vehicle?

--

Go to Step 2

Go to Diagnostic System Check - Vehicle

2

  1. Install a scan tool.
  2. Turn ON the ignition, with the engine OFF.
  3. Important: Before clearing the DTC, use the scan tool in order to record the Freeze Frame and Failure Records. Using the Clear Info function erases the Freeze Frame and Failure Records from the TCM.

  4. Record the DTC Freeze Frame and Failure Records.
  5. With a scan tool, command the TCC control solenoid ON.

Does the TCC Duty Cycle CKT status parameter display OK?

--

Go to Testing for Intermittent Conditions and Poor Connections

Go to Step 3

3

  1. Turn OFF the ignition.
  2. Disconnect the AT inline 20-way connector, additional DTCs may set.
  3. Install the J 44152 Jumper Harness (20 pins) on the engine side of the AT inline 20-way connector.
  4. Turn ON the ignition, with the engine OFF.
  5. Using the J 35616 GM Terminal Test Kit, connect a test lamp from TCC PWM shift solenoid valve control circuit of the J 44152 to ground.

Refer to Automatic Transmission Inline 20-Way Connector End View .

Does the test lamp illuminate?

--

Go to Step 6

Go to Step 4

4

  1. Install the J 44152 on the transmission side of the AT inline 20-way connector.
  2. Using the DMM and J 35616 , measure the resistance between the ignition voltage and TCC PWM shift solenoid valve control circuits of the J 44152 .

Refer to Automatic Transmission Inline 20-Way Connector End View .

Does the resistance measure less than the specified value?

10 ohms

Go to Step 5

Go to Step 7

5

  1. Disconnect the AT internal wiring harness from the TCC PWM valve.
  2. Measure the resistance of the TCC PWM valve.

Does the resistance measure less than the specified value?

10 ohms

Go to Step 8

Go to Step 7

6

Test the control circuit of the TCC PWM valve for a short to voltage between the TCM and the AT inline 20-way connector.

Refer to Circuit Testing and Wiring Repairs .

Did you find and correct the condition?

--

Go to Step 10

Go to Step 9

7

Replace the AT internal wiring harness.

Refer to Torque Converter Clutch Pulse Width Modulation Solenoid, Torque Converter Clutch Solenoid, and Wiring Harness .

Did you complete the replacement?

--

Go to Step 10

--

8

Replace the TCC PWM valve.

Refer to Control and Shift Solenoids Replacement .

Did you complete the replacement?

--

Go to Step 10

--

9

Replace the TCM.

Refer to Control Module References for replacement, setup, and programming.

Did you complete the replacement?

--

Go to Step 10

--

10

Perform the following procedure in order to verify the repair:

  1. Select DTC.
  2. Select Clear Info.
  3. Drive the vehicle in D4 and ensure the TCC Duty Cycle CKT Status parameter displays OK for 5 seconds.
  4. Select Specific DTC.
  5. Enter DTC P2763.

Has the test run and passed?

--

Go to Step 11

Go to Step 2

11

With the scan tool, observe the stored information, capture info, and DTC Info.

Does the scan tool display any DTCs that you have not diagnosed?

--

Go to Diagnostic Trouble Code (DTC) List - Vehicle

System OK