GM Service Manual Online
For 1990-2009 cars only

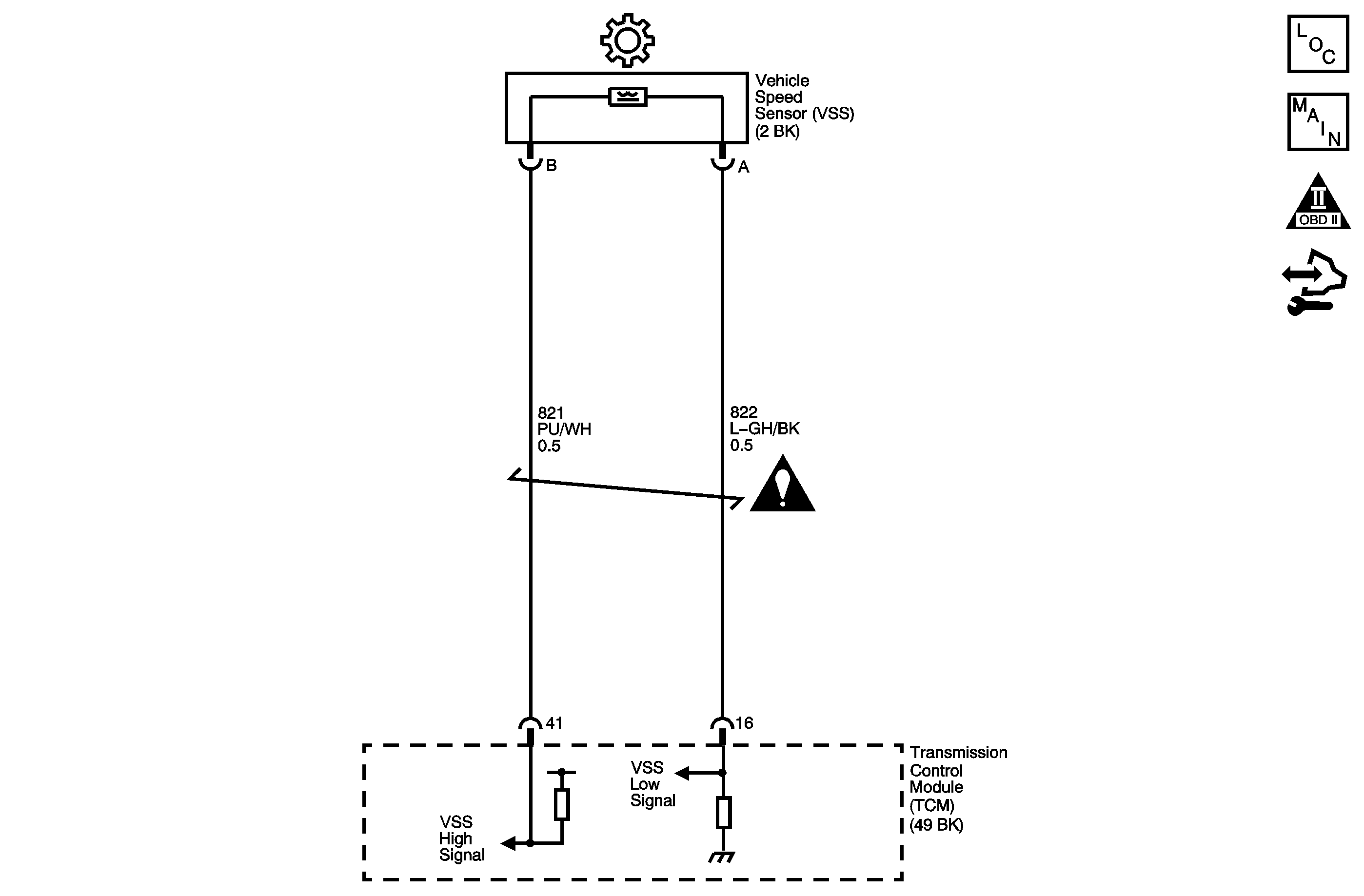
Object Number: 1778978  Size: MF
Master Electrical Component List
Automatic Transmission Controls Schematics
OBD II Symbol Description Notice
Control Module References

Circuit Description

The vehicle speed sensor (VSS), also called the output shaft speed sensor (OSS), provides vehicle speed information to the transmission control module (TCM). The VSS is a permanent magnet generator. The sensor is mounted in the transmission case facing the rear internal gear which is splined to the output shaft assembly. As the output shaft and internal gear rotate, the toothed rotor of the internal gear produces AC voltage as the rotor teeth pass through the magnetic field of the sensor. The AC voltage level and the number of pulses increase as the speed of the vehicle increases. The TCM converts the voltage to vehicle speed. The TCM uses the output shaft speed signal to determine shift timing and torque converter clutch (TCC) scheduling.

If the TCM detects no vehicle speed when there is engine speed in a drive gear range, then DTC P0722 sets. DTC P0722 is a type B DTC.

DTC Descriptor

This diagnostic procedure supports the following DTC:

DTC P0722 Output Speed Sensor Circuit Low Voltage

Conditions for Running the DTC

    • No transmission ISS DTCs P0716, P0717.
    • No transmission OSS DTC P0722 or P0723.
    • No TFP DTCs P1810, P1815, P1816, P1818.
    • Ignition voltage is between 8-18 volts.
    • The TCC slip speed is -20 RPM or greater.
    • The engine is running for greater than 5 seconds.
    • Transmission is not in PARK or NEUTRAL.
    • TFT is between -40°C to 150°C (-40°F to 302°F).
    • The calc. throttle position is 10 percent or greater.
    • The engine torque is greater than 50 N·m (37 lb ft).
    • The input speed is between 1,500 RPM and 6,500 RPM.

Conditions for Setting the DTC

The transmission output shaft speed is 200 RPM or less for 4.5 seconds or greater.

Action Taken When the DTC Sets

    • The TCM requests the engine control module (ECM) to illuminate the malfunction indicator lamp (MIL) during the second consecutive trip in which the Conditions for Setting the DTC are met.
    • The TCM commands maximum line pressure.
    • The TCM freezes transmission adaptive functions.
    • The TCM calculates output speed from the input speed sensor and commanded gear.
    • The ECM records the operating conditions when the Conditions for Setting the DTC are met. The ECM stores this information as Freeze Frame and Failure Records.
    • The TCM records the operating conditions when the Conditions for Setting the DTC are met. The TCM stores this information as Failure Records.
    • The TCM stores DTC P0722 in TCM history during the second consecutive trip in which the Conditions for Setting the DTC are met.

Conditions for Clearing the MIL/DTC

    • The ECM turns OFF the MIL after the third consecutive drive trip in which the TCM does not send a MIL illumination request.
    • A scan tool can clear the MIL/DTC.
    • The TCM clears the DTC from TCM history if the vehicle completes 40 warm-up cycles without an emission related diagnostic fault occurring.
    • The TCM cancels the default actions when the ignition is OFF long enough in order to power down the TCM.

Diagnostic Aids

    • Inspect the rear internal gear teeth for damage.
    • Visually inspect the VSS for cracks or damage.
    • Ensure the VSS is properly torqued to the transmission housing.

Test Description

The numbers below refer to the step numbers on the diagnostic table.

  1. Disable the traction control system when performing this step. When the ignition key is cycled to the OFF position and then cycled back ON, the traction control system defaults to ON.

  2. This step tests the VSS.

  3. This step tests the integrity of the VSS.

Step

Action

Value

Yes

No

1

Did you perform the Diagnostic System Check - Vehicle?

--

Go to Step 2

Go to Diagnostic System Check - Vehicle

2

  1. Install a scan tool.
  2. Turn ON the ignition, with the engine OFF.
  3. Important: Before clearing the DTC, use the scan tool in order to record the ECM and TCM Freeze Frame and Failure Records. Using the Clear Info function erases the Freeze Frame and Failure Records from the ECM and TCM.

  4. Record the Freeze Frame and Failure Records.
  5. Clear the DTC.
  6. Raise and support the rear axle assembly.
  7. Start the engine.
  8. Disable the traction control system.
  9. Place the transmission in any drive range.

With the drive wheels rotating, does the scan tool Transmission OSS parameter increase with the drive wheel speed?

--

Go to Testing for Intermittent Conditions and Poor Connections

Go to Step 3

3

  1. Turn OFF the ignition.
  2. Disconnect the engine wiring harness from the VSS.
  3. Using the DMM and the J 35616 GM-approved terminal test kit, measure the resistance of the VSS. Refer to Testing for Continuity .

Does the resistance measure within the specified range?

1,085-2,140 ohms

Go to Step 4

Go to Step 13

4

Measure the resistance from the high signal circuit of the VSS to ground. Refer to Testing for Continuity .

Does the resistance measure greater than the specified range?

50 K ohms

Go to Step 5

Go to Step 13

5

  1. Place the transmission in NEUTRAL.
  2. Select AC volts on the DMM.
  3. Hold one rear wheel from turning.
  4. Rotate the other wheel by hand.
  5. Measure the AC voltage from high signal and low signal circuits of the VSS. Refer to Measuring Voltage .

Does the voltage measure greater than the specified value?

0.3 V AC

Go to Step 6

Go to Step 13

6

  1. Connect the engine wiring harness to the VSS.
  2. Disconnect the TCM.
  3. Measure the resistance of the VSS high signal and VSS low signal circuits at the TCM connector. Refer to Testing for Continuity .

Does the resistance measure within the specified range?

1,085-2,140 ohms

Go to Step 7

Go to Step 8

7

Measure the resistance from the high signal and low signal circuits of the VSS to ground. Refer to Testing for Continuity .

Does the resistance measure greater than the specified range?

50 K ohms

Go to Step 9

Go to Step 10

8

Does the resistance measure greater than the specified value?

2,354 ohms

Go to Step 11

Go to Step 12

9

  1. Connect the TCM.
  2. Disconnect the engine wiring harness from the VSS.
  3. Turn ON the ignition, with the engine OFF.
  4. Test the high signal circuit of the VSS for a short to voltage.
  5. Test the low signal circuit of the VSS for a short to voltage.

Refer to Testing for a Short to Voltage and Wiring Repairs .

Did you find and correct the condition?

--

Go to Step 15

Go to Step 14

10

  1. Test the high signal circuit of the VSS for a short to ground.
  2. Test the low signal circuit of the VSS for a short to ground.

Refer to Testing for Short to Ground and Wiring Repairs .

Did you find and correct the condition?

--

Go to Step 15

--

11

  1. Test the high signal circuit of the VSS for an open.
  2. Test the low signal circuit of the VSS for an open.

Refer to Testing for Continuity and Wiring Repairs .

Did you find and correct the condition?

--

Go to Step 15

--

12

Test the high signal and low signal circuits of the VSS for a short together. Refer to Circuit Testing and Wiring Repairs .

Did you find and correct the condition?

--

Go to Step 15

--

13

Replace the VSS. Refer to Input Speed Sensor Replacement or Output Speed Sensor Replacement .

Did you complete the replacement?

--

Go to Step 15

--

14

Replace the TCM. Refer to Control Module References for replacement, setup, and programming.

Did you complete the replacement?

--

Go to Step 15

--

15

Perform the following procedure in order to verify the repair:

  1. Select DTC.
  2. Select Clear Info.
  3. Operate the vehicle so that the transmission output speed is 500 RPM or greater for 3 seconds or greater.
  4. Select Specific DTC.
  5. Enter DTC P0722.

Has the test run and passed?

--

Go to Step 16

Go to Step 2

16

With the scan tool, observe the stored information, capture info, and DTC Info.

Does the scan tool display any DTCs that you have not diagnosed?

--

Go to Diagnostic Trouble Code (DTC) List - Vehicle

System OK