GM Service Manual Online
For 1990-2009 cars only

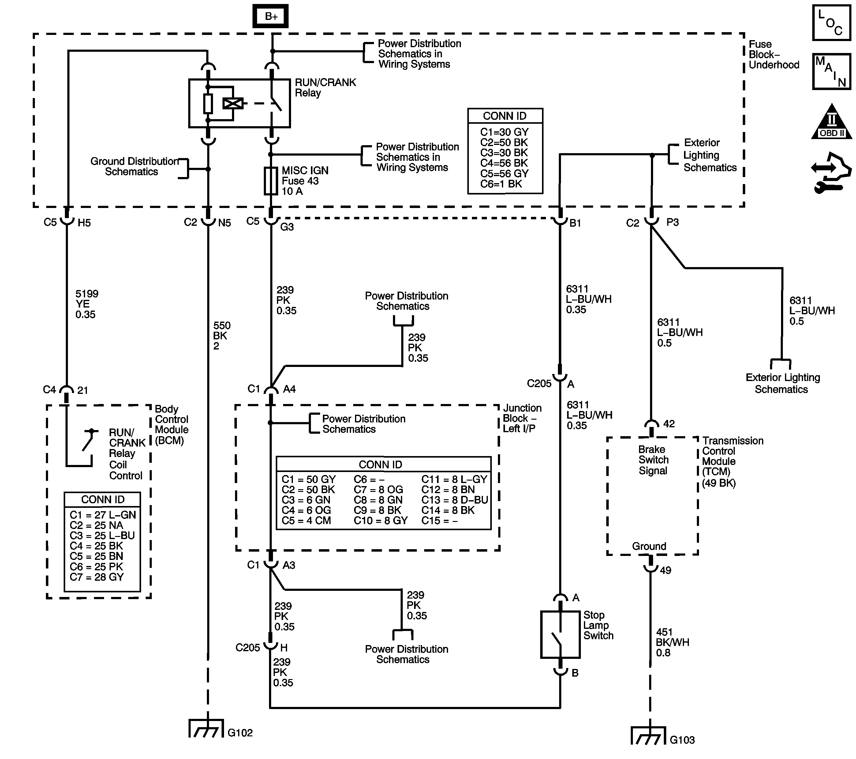
Object Number: 1778977  Size: LF
Master Electrical Component List
Automatic Transmission Controls Schematics
OBD II Symbol Description Notice
Control Module References

Circuit Description

The stop lamp switch indicates the brake pedal status to the transmission control module (TCM). The brake switch is a normally-closed switch that supplies battery voltage on the CHMSL supply voltage circuit to the TCM. Applying the brake opens the stop lamp switch, interrupting voltage to the TCM. When the brake is released, the TCM receives a constant voltage signal input. If the TCM receives a 0 voltage signal input at the CHMSL supply voltage circuit, and the torque converter clutch (TCC) is engaged, the TCM de-energizes the TCC solenoid valve. The TCM disregards the brake switch input for TCC scheduling if there is a brake switch circuit fault.

When the TCM detects an open brake switch circuit during accelerations, then DTC P0724 sets. DTC P0724 is a type C DTC.

DTC Descriptor

This diagnostic procedure supports the following DTC:

DTC P0724 Brake Switch Circuit High Voltage

Conditions for Running the DTC

    • No OSS DTCs P0722 or P0723.
    • The vehicle speed is less than 8 km/h (5 mph), then the vehicle speed is between 8 km/h (5 mph) and 40 km/h (25 mph) for 6 seconds or less, then the vehicle speed is greater than 40 km/h (25 mph) for greater than 5 seconds.

Conditions for Setting the DTC

The TCM detects the brake switch circuit is open 8 times during acceleration cycles and the brake switch voltage is high for 900 seconds (15 minutes) or greater.

Action Taken When the DTC Sets

    • The TCM does not request the engine control module (ECM) to illuminate the malfunction indicator lamp (MIL).
    • The TCM records the operating conditions when the Conditions for Setting the DTC are met. The TCM records this information as a Failure Record.
    • The TCM stores DTC P0724 in TCM history.

Conditions for Clearing the DTC

    • A scan tool can clear the DTC.
    • The TCM clears the DTC from TCM history if the vehicle completes 40 warm-up cycles without a non-emission related diagnostic fault occurring.

Diagnostic Aids

    • Inspect the brake switch for proper mounting and operation.
    • Inspect for ABS DTCs. A faulty ABS condition may contribute to setting DTC P0724.

Test Description

The number below refers to the step number on the diagnostic table.

  1. This step isolates the brake switch as a source for setting the DTC.

Step

Action

Yes

No

1

Did you perform the Diagnostic System Check - Vehicle?

Go to Step 2

Go to Diagnostic System Check - Vehicle

2

  1. Install a scan tool.
  2. Turn ON the ignition, with the engine OFF.
  3. Important: Before clearing the DTC, use the scan tool in order to record the ECM and TCM Failure Records. Using the Clear Info function erases the Failure Records from the ECM.

  4. Record the DTC Failure Records.
  5. Clear the DTC.
  6. Select TCC Brake Switch on the scan tool.
  7. Caution: Refer to SIR Caution in the Preface section.

  8. Disconnect the brake switch connector from the brake switch.

Did the TCC Brake Switch status on the scan tool change from Closed to Open?

Go to Step 3

Go to Step 4

3

Replace the brake switch. Refer to Stop Lamp Switch Replacement .

Did you complete the replacement?

Go to Step 6

--

4

Important: The condition that affects this circuit may exist in other connecting branches of the circuit. Refer to Power Distribution Schematics for complete circuit distribution.

Test the stop lamp supply voltage signal circuit of the brake switch for a short to voltage between the stop lamp switch and fuse block-body or fuse block-body and TCM. Refer to Testing for a Short to Voltage and Wiring Repairs .

Did you find and correct the condition?

Go to Step 6

Go to Step 5

5

Replace the TCM. Refer to Control Module References for replacement, setup, and programming.

Did you complete the replacement?

Go to Step 6

--

6

Perform the following procedure in order to verify the repair:

  1. Select DTC.
  2. Select Clear Info.
  3. Turn ON the ignition, with the engine OFF.
  4. Apply the brake pedal.
  5. Verify that the scan tool TCC Brake Switch status indicates Open, 0 volts, for 5 seconds.
  6. Select Specific DTC.
  7. Enter DTC P0724.

Has the test run and passed?

Go to Step 7

Go to Step 2

7

With the scan tool, observe the stored information, capture info, and DTC Info.

Does the scan tool display any DTCs that you have not diagnosed?

Go to Diagnostic Trouble Code (DTC) List - Vehicle

System OK