GM Service Manual Online
For 1990-2009 cars only

Coolant Heater Cord Replacement RPOs LY2/LY5/LMG

Removal Procedure


    Object Number: 1698082  Size: SH
  1. Raise and support the vehicle. Refer to Lifting and Jacking the Vehicle .
  2. Remove the oil pan skid plate bolts and plate, if equipped.

  3. Object Number: 1699548  Size: SH
  4. Disconnect the coolant heater cord electrical connector.

  5. Object Number: 1702203  Size: SH
  6. Remove the coolant heater cord retainer (5) from the frame.
  7. Remove the coolant heater cord clip (6) from the front brake front pipe.
  8. Lower the vehicle.
  9. Remove the coolant heater cord bolt (4) from the frame.
  10. Remove the coolant heater cord clip (2) from the chassis harness.
  11. Remove the coolant heater cord clip (1) from the front spring stud.
  12. Remove the coolant heater cord from the vehicle.

Installation Procedure


    Object Number: 1702203  Size: SH
  1. Install the coolant heater cord to the vehicle.
  2. Install the coolant heater cord clip (1) to the front spring stud.
  3. Install the coolant heater cord clip (2) to the chassis harness.
  4. Notice: Refer to Fastener Notice in the Preface section.

  5. Position the coolant heater cord clip to the frame and install the coolant heater cord bolt (4).
  6. Tighten
    Tighten the bolt to 8 N·m (71 lb in).

  7. Raise the vehicle.
  8. Install the coolant heater cord clip (6) to the front brake front pipe.
  9. Position the coolant heater cord clip to the frame and install the coolant heater cord retainer (5).

  10. Object Number: 1699548  Size: SH
  11. Connect the coolant heater cord electrical connector.

  12. Object Number: 1698082  Size: SH
  13. Position and install the oil pan skid plate and bolts, if equipped.
  14. Tighten
    Tighten the bolts to 20 N·m (15 lb ft).

  15. Lower the vehicle.

Coolant Heater Cord Replacement RPOs LC9/L76/L92/LFA

Removal Procedure


    Object Number: 1698082  Size: SH
  1. Raise and support the vehicle. Refer to Lifting and Jacking the Vehicle .
  2. Remove the oil pan skid plate bolts and plate, if equipped.

  3. Object Number: 1699547  Size: SH
  4. Disconnect the coolant heater cord electrical connector.

  5. Object Number: 1702205  Size: SH
  6. Remove the coolant heater cord clip (3) from the engine harness channel.
  7. Remove the coolant heater cord clip (1) from the power steering gear outlet hose.
  8. Lower the vehicle.
  9. Remove the coolant heater cord bolt (2) from the frame.
  10. Remove the coolant heater cord from the vehicle.

Installation Procedure


    Object Number: 1702205  Size: SH
  1. Install the coolant heater cord to the vehicle.
  2. Notice: Refer to Fastener Notice in the Preface section.

  3. Position the coolant heater cord clip to the frame and install the coolant heater cord bolt (2).
  4. Tighten
    Tighten the bolt to 8 N·m (71 lb in).

  5. Raise the vehicle.
  6. Install the coolant heater cord clip (1) to the power steering gear outlet hose.
  7. Install the coolant heater cord clip (3) to the engine harness channel.

  8. Object Number: 1699547  Size: SH
  9. Connect the coolant heater cord electrical connector.

  10. Object Number: 1698082  Size: SH
  11. Position and install the oil pan skid plate and bolts, if equipped.
  12. Tighten
    Tighten the bolts to 20 N·m (15 lb ft).

  13. Lower the vehicle.

Coolant Heater Cord Replacement RPO LY6

Removal Procedure


    Object Number: 1698083  Size: SH
  1. Raise and support the vehicle. Refer to Lifting and Jacking the Vehicle .
  2. Remove the front 2 oil pan skid plate bolts, loosen the 2 rear bolts and remove the skid plate, if equipped.

  3. Object Number: 1699548  Size: SH
  4. Disconnect the coolant heater cord electrical connector.

  5. Object Number: 1702208  Size: SH
  6. Remove the coolant heater cord clip (1) from the front brake front pipes.
  7. Remove the coolant heater cord clip retainer (2) from the frame.
  8. Lower the vehicle.
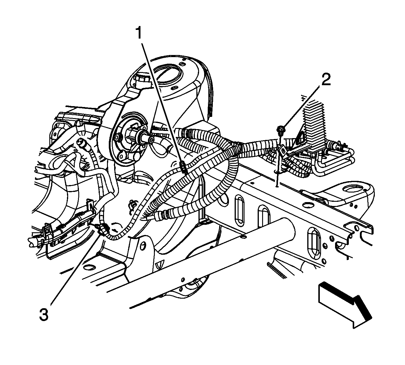
  9. Remove the coolant heater cord bolt (3) from the frame.
  10. Remove the coolant heater cord from the vehicle.

Installation Procedure


    Object Number: 1702208  Size: SH
  1. Install the coolant heater cord to the vehicle.
  2. Notice: Refer to Fastener Notice in the Preface section.

  3. Position the coolant heater cord clip to the frame and install the coolant heater cord bolt (3).
  4. Tighten
    Tighten the bolt to 8 N·m (71 lb in).

  5. Raise the vehicle.
  6. Install the coolant heater cord clip retainer (2) to the frame.
  7. Install the coolant heater cord clip (1) to the front brake front pipes.

  8. Object Number: 1699548  Size: SH
  9. Connect the coolant heater cord electrical connector.

  10. Object Number: 1698083  Size: SH
  11. Position the oil pan skid plate and install the 2 front bolts and tighten the 2 rear bolts, if equipped.
  12. Tighten
    Tighten the bolts to 20 N·m (15 lb ft).

  13. Lower the vehicle.