GM Service Manual Online
For 1990-2009 cars only

Removal Procedure


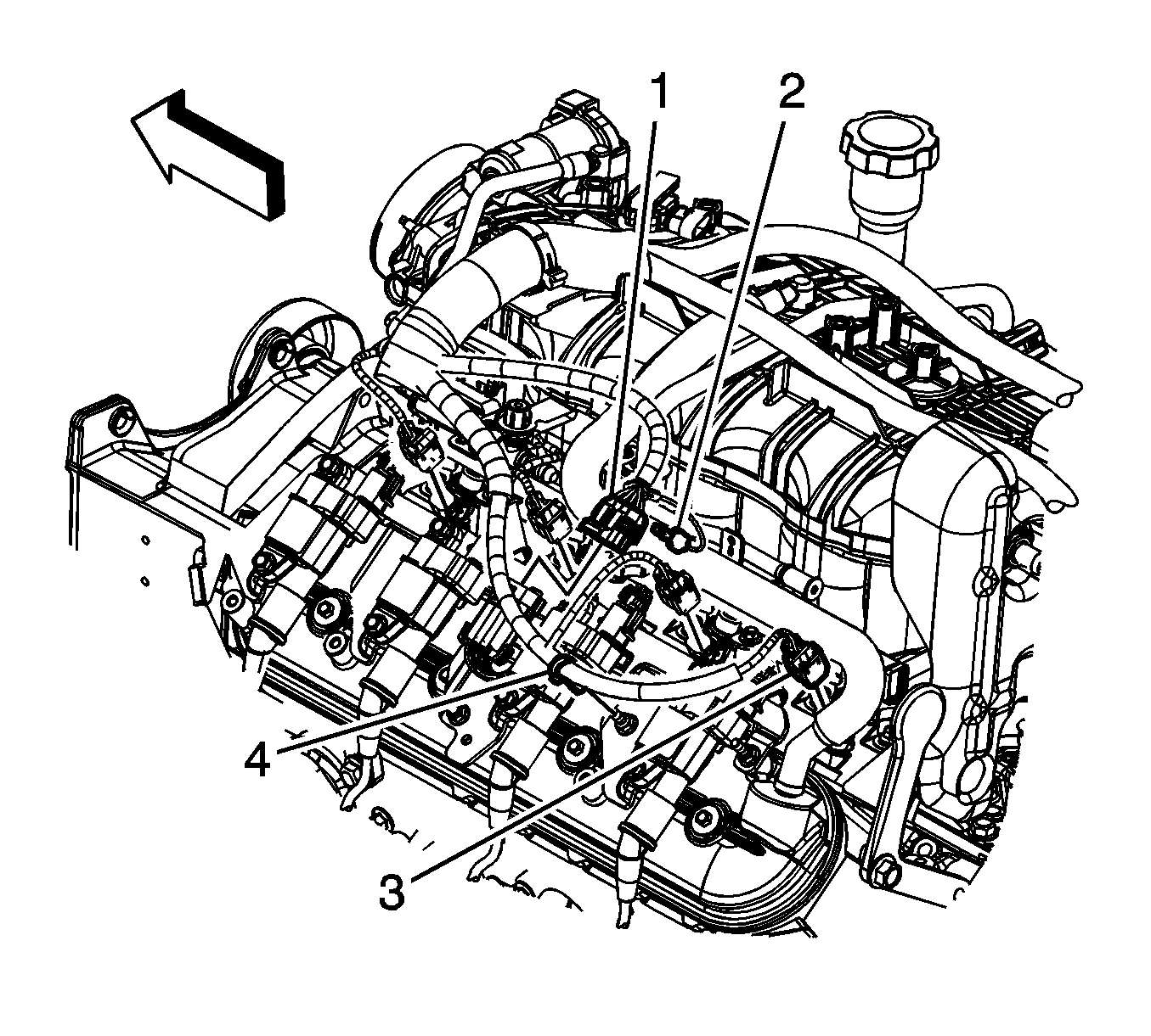
    Object Number: 1696892  Size: SH
  1. Remove the intake manifold cover. Refer to Upper Intake Manifold Sight Shield Replacement .
  2. Remove the connector position assurance (CPA) retainer (2).
  3. Disconnect the engine harness electrical connector (1) from the ignition coil wire harness.
  4. Remove the engine harness clip (4) from the ignition coil bracket stud.
  5. Reposition the engine harness, as necessary.

  6. Object Number: 1402016  Size: SH
  7. Remove the spark plug wires (724) from the ignition coils.
  8. • Twist each plug wire 1/2 turn.
    • Pull only on the boot in order to remove the wire from the ignition coil.
  9. Remove the ignition coil bracket studs (720).
  10. Remove the ignition coil bracket (719).

  11. Object Number: 1696791  Size: SH
  12. Remove the positive crankcase ventilation (PCV) hose.

  13. Object Number: 1277108  Size: SH
  14. Loosen the valve rocker arm cover bolts.
  15. Remove the valve rocker arm cover.

  16. Object Number: 490696  Size: SH
  17. Remove and discard the old gasket (1).

Installation Procedure

Important: 

   • All gasket surfaces should be free of oil an/or other foreign material during assembly.
   • DO NOT reuse the valve rocker arm cover gasket.
   • If the PCV valve grommet has been removed from the rocker cover, install a NEW grommet during assembly.


    Object Number: 490696  Size: SH
  1. Install a NEW rocker cover gasket (1).

  2. Object Number: 1277108  Size: SH
  3. Install the valve rocker arm cover.
  4. Notice: Refer to Fastener Notice in the Preface section.

  5. Tighten the rocker arm cover bolts.
  6. Tighten
    Tighten the bolts to 12 N·m (106 lb in).


    Object Number: 1696791  Size: SH
  7. Install the PCV hose.

  8. Object Number: 1402016  Size: SH
  9. Apply threadlock to the threads of the ignition coil bracket studs. Refer to Adhesives, Fluids, Lubricants, and Sealers .
  10. Position the ignition coil bracket (719) onto the rocker cover.
  11. Install the ignition coil bracket studs (720).
  12. Tighten
    Tighten the studs to 12 N·m (106 lb in).

  13. Install the spark plug wires (724) to the ignition coils.

  14. Object Number: 1696892  Size: SH
  15. Position the engine harness, as necessary.
  16. Install the engine harness clip (4) to the ignition coil bracket stud.
  17. Connect the engine harness electrical connector (1) to the ignition coil wire harness.
  18. Install the CPA retainer (2).
  19. Install the intake manifold cover. Refer to Upper Intake Manifold Sight Shield Replacement .