GM Service Manual Online
For 1990-2009 cars only

Removal Procedure

Important: Clean all evaporative emission (EVAP) line connections and surrounding areas prior to disconnecting, in order to avoid possible EVAP system contamination.


    Object Number: 1964897  Size: SH
  1. Raise and support the vehicle. Refer to Lifting and Jacking the Vehicle .
  2. Disconnect the fuel tank EVAP line quick connect fitting (3) from the EVAP canister. Refer to Plastic Collar Quick Connect Fitting Service .
  3. Disconnect the fuel tank EVAP line quick connect fitting (2) from the EVAP canister. Refer to Plastic Collar Quick Connect Fitting Service .
  4. Disconnect the EVAP pipe quick connecting fitting (1) from the EVAP canister. Refer to Plastic Collar Quick Connect Fitting Service .

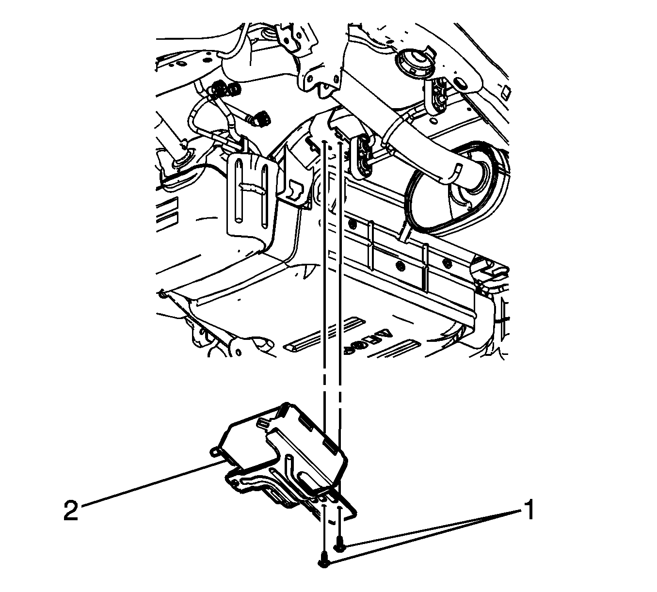
  5. Object Number: 1964898  Size: SH
  6. Remove the EVAP canister bracket bolts (1).
  7. Remove the EVAP canister assembly (2) from the tab on the frame bracket.

  8. Object Number: 1964900  Size: SH
  9. Remove the EVAP canister bolt (1).
  10. Remove the EVAP canister (2) from the bracket (3).

Installation Procedure


    Object Number: 1964900  Size: SH
  1. Install the EVAP canister (2) to the bracket (3).
  2. Notice: Refer to Fastener Notice in the Preface section.

  3. Install the EVAP canister bolt (1).
  4. Tighten
    Tighten the bolt to 25 N·m (18 lb ft).


    Object Number: 1964898  Size: SH
  5. Position and install the EVAP canister assembly (2) to the fame bracket tab.
  6. Install the EVAP canister bolts (1).
  7. Tighten
    Tighten the bolts to 25 N·m (18 lb ft).


    Object Number: 1964897  Size: SH
  8. Connect the EVAP pipe quick connecting fitting (1) to the EVAP canister. Refer to Plastic Collar Quick Connect Fitting Service .
  9. Connect the fuel tank EVAP line quick connect fitting (2) to the EVAP canister. Refer to Plastic Collar Quick Connect Fitting Service .
  10. Connect the fuel tank EVAP line quick connect fitting (3) to the EVAP canister. Refer to Plastic Collar Quick Connect Fitting Service .
  11. Lower the vehicle.