GM Service Manual Online
For 1990-2009 cars only

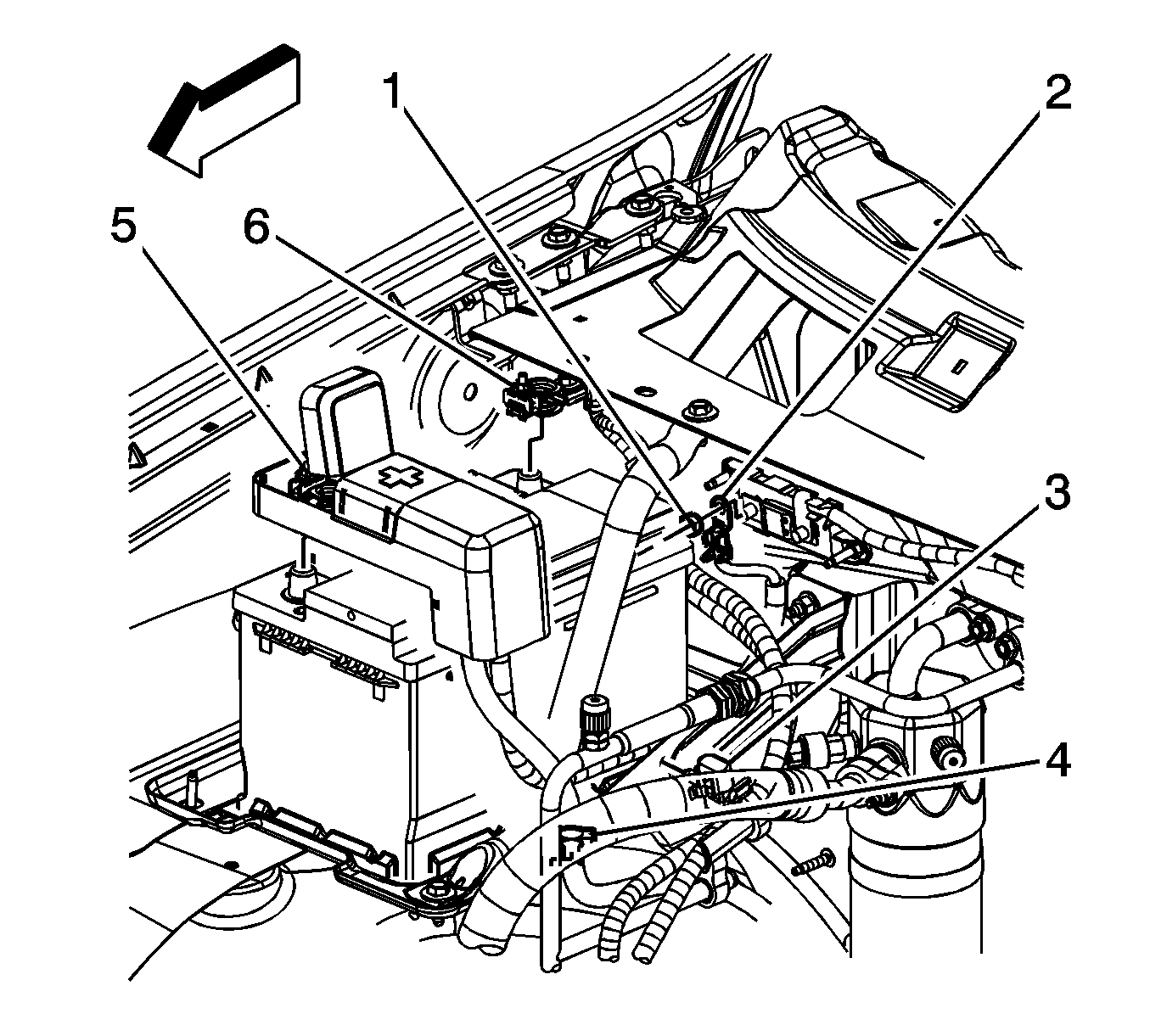
Disconnect Procedure

Caution: Refer to Battery Disconnect Caution in the Preface section.


    Object Number: 1702504  Size: SH
  1. Turn off all the lamps and accessories.
  2. Turn the ignition OFF.
  3. Open the hood.
  4. Loosen the negative cable nut (6).
  5. Remove the negative battery cable from the battery terminal.
  6. Reposition the negative battery cable away from the battery.

Connect Procedure

Caution: Refer to Battery Disconnect Caution in the Preface section.

Important: Clean any existing corrosion from the battery terminal and the battery cable end.


    Object Number: 1702504  Size: SH
  1. Position the negative battery cable to the battery.
  2. Notice: Refer to Fastener Notice in the Preface section.

  3. Install the negative battery cable onto the battery terminal.
  4. Tighten the negative cable nut (6)
  5. Tighten
    Tighten the nut to 5 N·m (44 lb in).

  6. Close the hood.