Removal Procedure
- Remove the automatic transmission. Refer to
Transmission Replacement
.
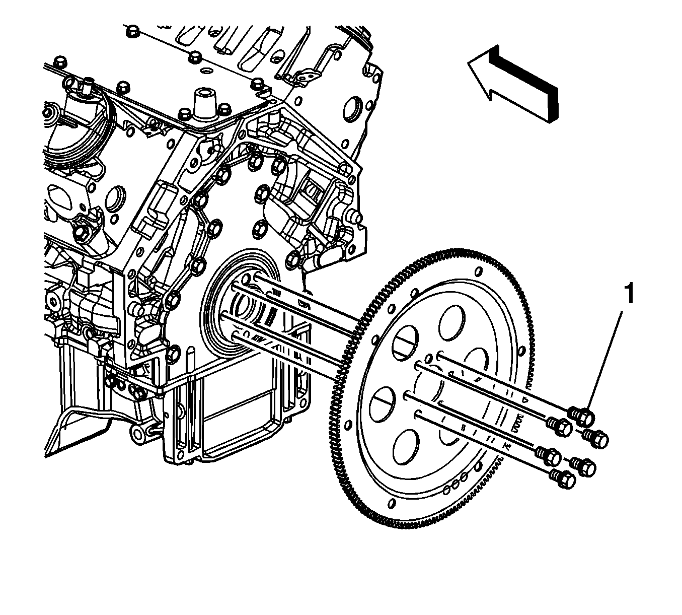
Important: Note the position and direction of the engine flywheel before removal.
- Remove the flywheel bolts (1).
- Remove the flywheel.
Installation Procedure
Important: The flywheel does not use a locating pin for alignment and will not initially seat against the crankshaft flange or spacer, if applicable, but will be pulled onto the crankshaft by the engine flywheel bolts. This procedure
requires a three stage tightening process.
- Install the flywheel and bolts (1) to the crankshaft.
- Apply threadlock to the threads of the flywheel bolts. Refer to
Adhesives, Fluids, Lubricants, and Sealers
for the correct part number.
Notice: Refer to Fastener Notice in the Preface section.
- Tighten the flywheel bolts.
Tighten
- Tighten the bolts (1-6) a first pass in sequence to 20 N·m (15 lb ft).
- Tighten the bolts (1-6) a second pass in sequence to 50 N·m (37 lb ft).
- Tighten the bolts (1-6) a final pass in sequence to 100 N·m (74 lb ft).
- Install the automatic transmission. Refer to
Transmission Replacement
.