GM Service Manual Online
For 1990-2009 cars only

    Object Number: 1277097  Size: SH

    Important: 

       • The intake manifold, throttle body, fuel injection rail, and fuel injectors may be removed as an assembly. If not servicing the individual components, install the intake manifold as a complete assembly.
       • DO NOT use the intake manifold gaskets again. Install NEW intake manifold-to-cylinder head gaskets.

  1. Install NEW intake manifold-to-cylinder head gaskets (514).

  2. Object Number: 1401989  Size: SH
  3. Install the intake manifold (500).
  4. Apply a 5 mm (0.20 in) band of threadlock GM P/N 12345382 (Canadian P/N 10953489) to the threads of the intake manifold bolts (512). Refer to Adhesives, Fluids, Lubricants, and Sealers .
  5. Notice: Refer to Fastener Notice in the Preface section.


    Object Number: 1552512  Size: SH
  6. Install the intake manifold bolts.
  7. Tighten

    1. Tighten the intake manifold bolts (1-10) a first pass in sequence to 5 N·m (44 lb in).
    2. Tighten the intake manifold bolts (1-10) a final pass in sequence to 10 N·m (89 lb in).

    Object Number: 1401987  Size: SH
  8. Install the fuel rail. Refer to Fuel Rail and Injectors Installation .
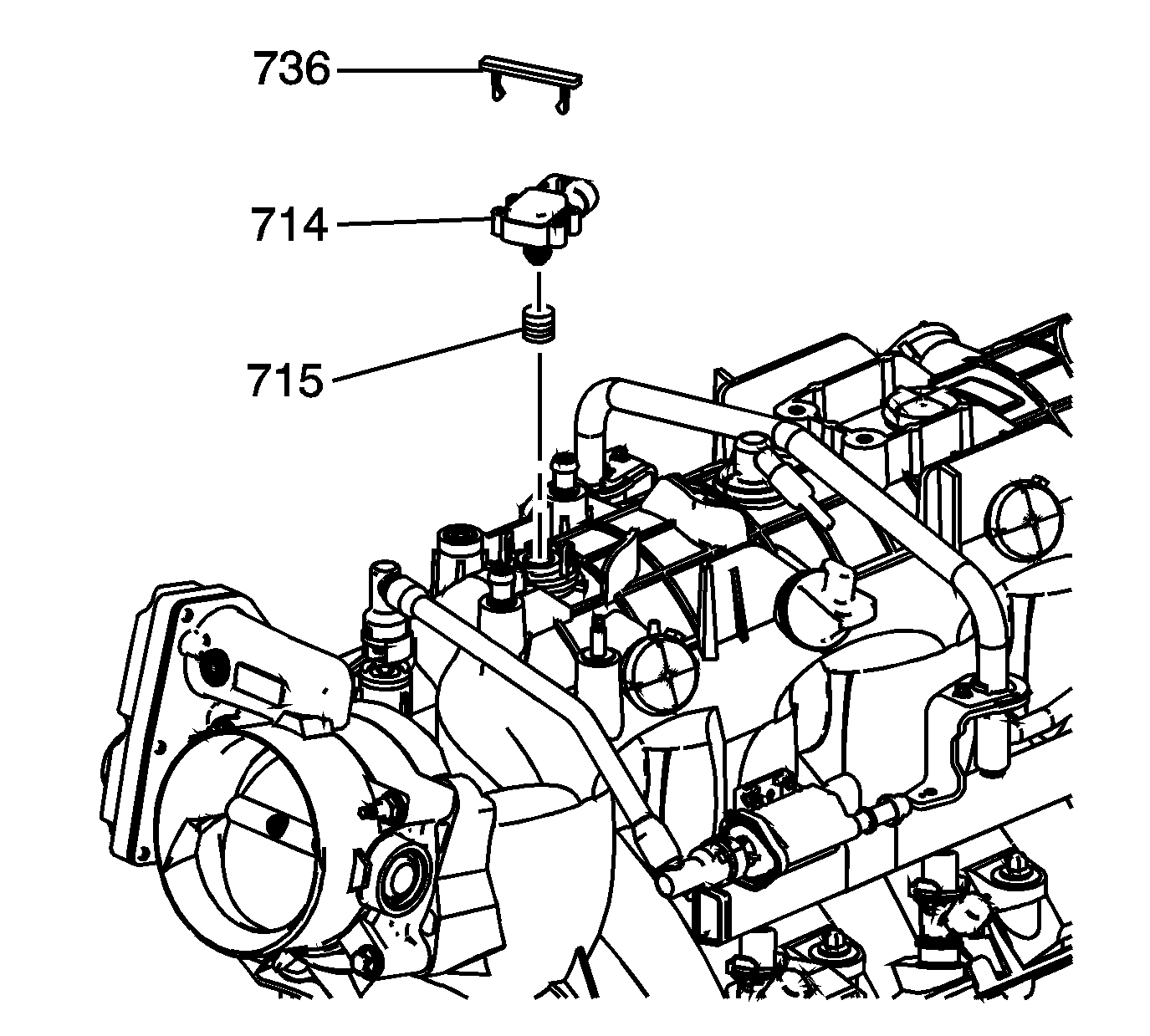
  9. Lubricate the manifold absolute pressure (MAP) sensor grommet (715) with clean engine oil.
  10. Install the grommet onto the MAP sensor (714).
  11. Install the MAP sensor and retainer (736).

  12. Object Number: 1658148  Size: SH
  13. Install the positive crankcase ventilation (PCV) hose - dirty air (716).