GM Service Manual Online
For 1990-2009 cars only

Battery Positive Cable Replacement 12V Battery to Auxiliary BEC

Removal Procedure


    Object Number: 1968005  Size: SH
  1. Disconnect the negative battery cable. Refer to Battery Negative Cable Disconnection and Connection .
  2. Reposition the positive battery cable insulating cover (2) from over the positive terminal.
  3. Rotate the lever lock (1) counterclockwise in order to disconnect the positive battery cable.
  4. Remove the positive battery cable terminal (3) from the battery.

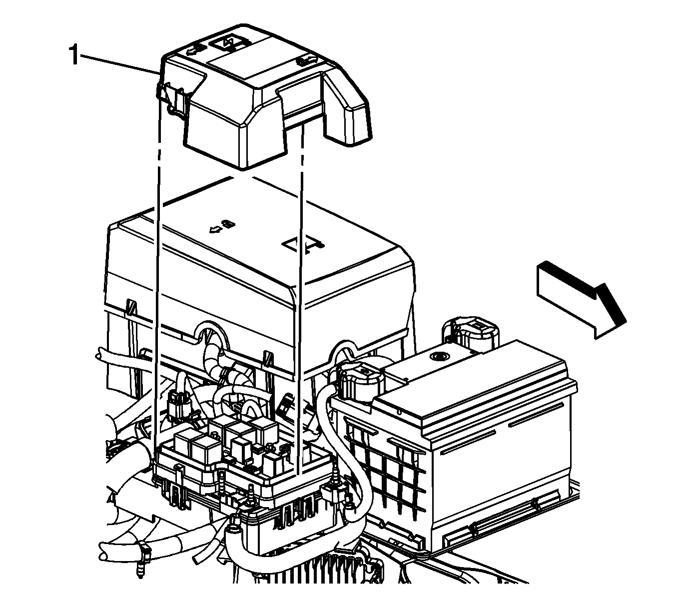
  5. Object Number: 1968591  Size: SH
  6. Remove the auxiliary bussed electrical center (BEC) cover (1).

  7. Object Number: 1702793  Size: SH
  8. Remove the underhood junction block cover.

  9. Object Number: 1702795  Size: SH
  10. Lift the junction block retainers from the locked position (3) and rotate the retainers to the open position (1).
  11. Remove the junction block.

  12. Object Number: 1968594  Size: SH
  13. Remove the positive battery cable nut (1) from the mega fuse stud.
  14. Remove the positive battery cable nut (3) from the auxiliary BEC stud.
  15. Disconnect the positive battery cable connector (2) from the underhood BEC.

  16. Object Number: 1968603  Size: SH
  17. Remove the positive battery cable assembly (1) from the vehicle.

Installation Procedure


    Object Number: 1968603  Size: SH
  1. Install the positive battery cable assembly (1) to the vehicle.
  2. Install the positive battery cable leads to the mega fuse and auxiliary BEC studs.

  3. Object Number: 1968594  Size: SH
  4. Connect the positive battery cable connector (2) to the underhood BEC.
  5. Notice: Refer to Fastener Notice in the Preface section.

  6. Install the positive battery cable nut (3) to the auxiliary BEC stud.
  7. Tighten
    Tighten the nut to 9 N·m (80 lb in).

  8. Install the positive battery cable nut (1) to the mega fuse stud.
  9. Tighten
    Tighten the nut to 9 N·m (80 lb in).


    Object Number: 1702795  Size: SH
  10. Ensure that the junction block retainers are in the open position (1).
  11. Position and align the junction block to the 4 bracket pivots (2), once the pivots are engaged, push the retainers down into the locked position (3).

  12. Object Number: 1702793  Size: SH
  13. Install the underhood junction block cover.

  14. Object Number: 1968591  Size: SH
  15. Install the auxiliary BEC cover (1).

  16. Object Number: 1968006  Size: SH
  17. Install the positive battery cable terminal (3) to the battery.
  18. Rotate the lever lock (1) clockwise until an audible click is heard in order to connect the positive battery cable.
  19. Position the positive battery cable insulating cover (2) over the positive terminal.
  20. Connect the negative battery cable. Refer to Battery Negative Cable Disconnection and Connection .

Battery Positive Cable Replacement Control Moduleto Auxiliary BEC

Removal Procedure


    Object Number: 1968591  Size: SH
  1. Disable the high voltage system. Refer to High Voltage Disabling .
  2. Remove the auxiliary bussed electrical center (BEC) cover (1).

  3. Object Number: 1968843  Size: SH
  4. Remove the positive battery cable nut (1) from the mega fuse stud.
  5. Remove the positive battery cable lead (5) from the mega fuse stud.
  6. Remove the engine shield. Refer to Engine Shield Replacement .
  7. Remove the positive battery cable clips (2, 3, and 4) from the frame crossmember.
  8. Lower the vehicle enough to remove the right wheelhouse panel. Refer to Wheelhouse Panel Replacement - Right Side .

  9. Object Number: 1968844  Size: SH
  10. Working through the wheel opening, remove the positive battery cable clip (2) from the brake pipe.
  11. Working through the wheel opening, remove the positive battery cable clip (3) from the air cleaner adapter bracket
  12. Lower the vehicle.
  13. Remove the air cleaner assembly. Refer to Air Cleaner Assembly Replacement .
  14. Remove the positive battery cable clip (4) from the air cleaner support bracket.
  15. Remove the positive battery cable clip (5) from the fender inner panel.
  16. Disconnect the positive battery cable electrical connector (1) from the drive motor generator control module.

  17. Object Number: 1968845  Size: SH
  18. Remove the positive battery cable (1) from the vehicle.

Installation Procedure


    Object Number: 1968845  Size: SH
  1. Install the positive battery cable (1) to the vehicle.

  2. Object Number: 1968844  Size: SH
  3. Connect the positive battery cable electrical connector (1) to the drive motor generator control module.
  4. Install the positive battery cable clip (5) to the fender inner panel.
  5. Install the positive battery cable clip (4) to the air cleaner support bracket.
  6. Install the air cleaner assembly. Refer to Air Cleaner Assembly Replacement .
  7. Raise and suitably support the vehicle enough to work through the wheel opening.
  8. Working through the wheel opening, install the positive battery cable clip (3) to air cleaner adapter bracket
  9. Working through the wheel opening, install the positive battery cable clip (2) to the brake pipe.

  10. Object Number: 1968843  Size: SH
  11. Install the right wheelhouse panel. Refer to Wheelhouse Panel Replacement - Right Side .
  12. Fully raise the vehicle.
  13. Install the positive battery cable clips (2, 3, and 4) to the frame crossmember.
  14. Install the engine shield. Refer to Engine Shield Replacement .
  15. Lower the vehicle.
  16. Install the positive battery cable lead (5) to the mega fuse stud.
  17. Notice: Refer to Fastener Notice in the Preface section.

  18. Install the positive battery cable nut (1) to the mega fuse stud.
  19. Tighten
    Tighten the nut to 9 N·m (80 lb in).


    Object Number: 1968591  Size: SH
  20. Install the auxiliary BEC cover (1).
  21. Enable the high voltage system. Refer to High Voltage Enabling .