GM Service Manual Online
For 1990-2009 cars only
Makes
🢒
Cadillac
🢒
2008
🢒
Escalade EXT
🢒
Diagnostic Navigation
🢒
Vehicle Diagnostic Information
🢒 Outside Rearview Mirror Schematics
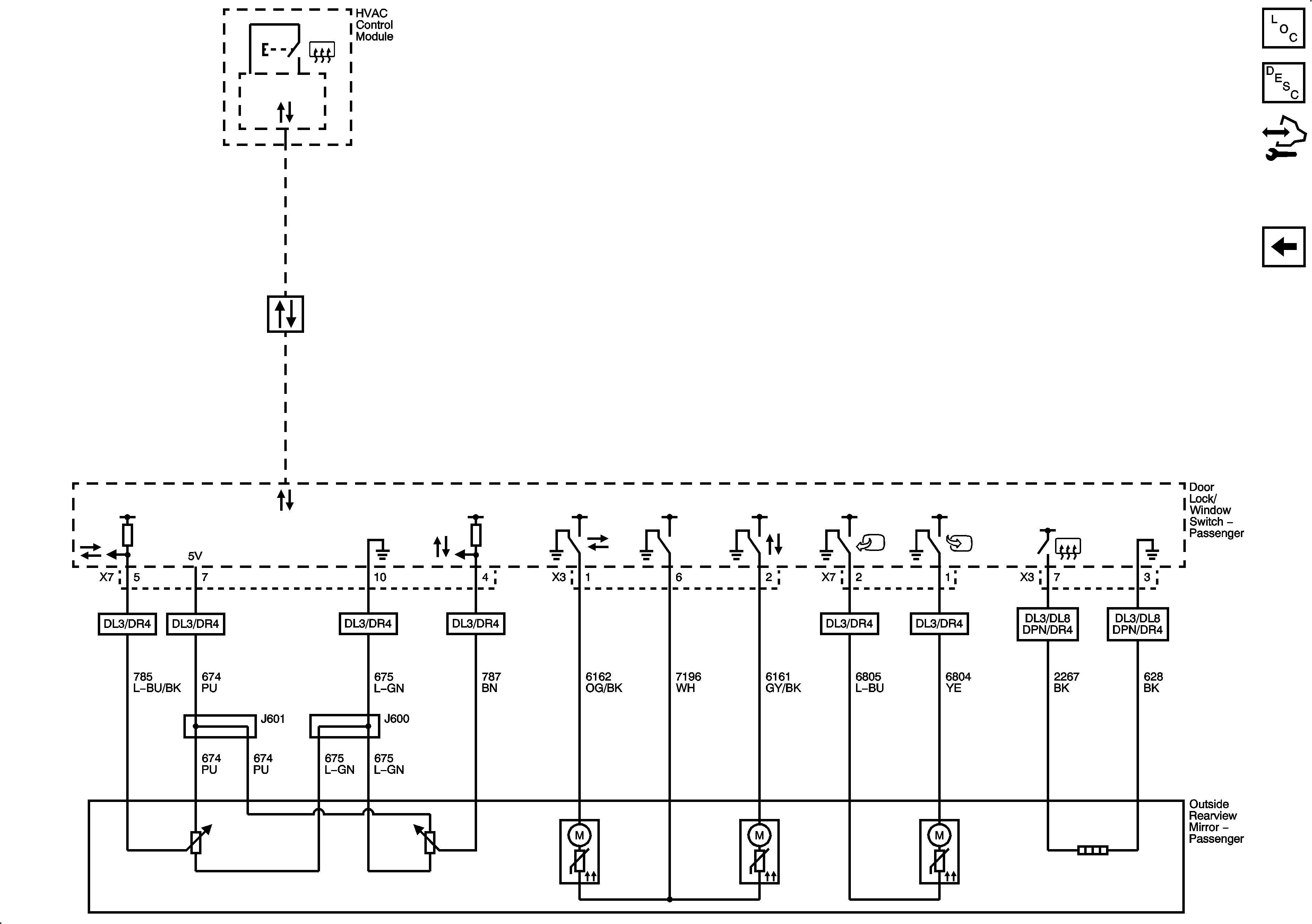
Figure
1:
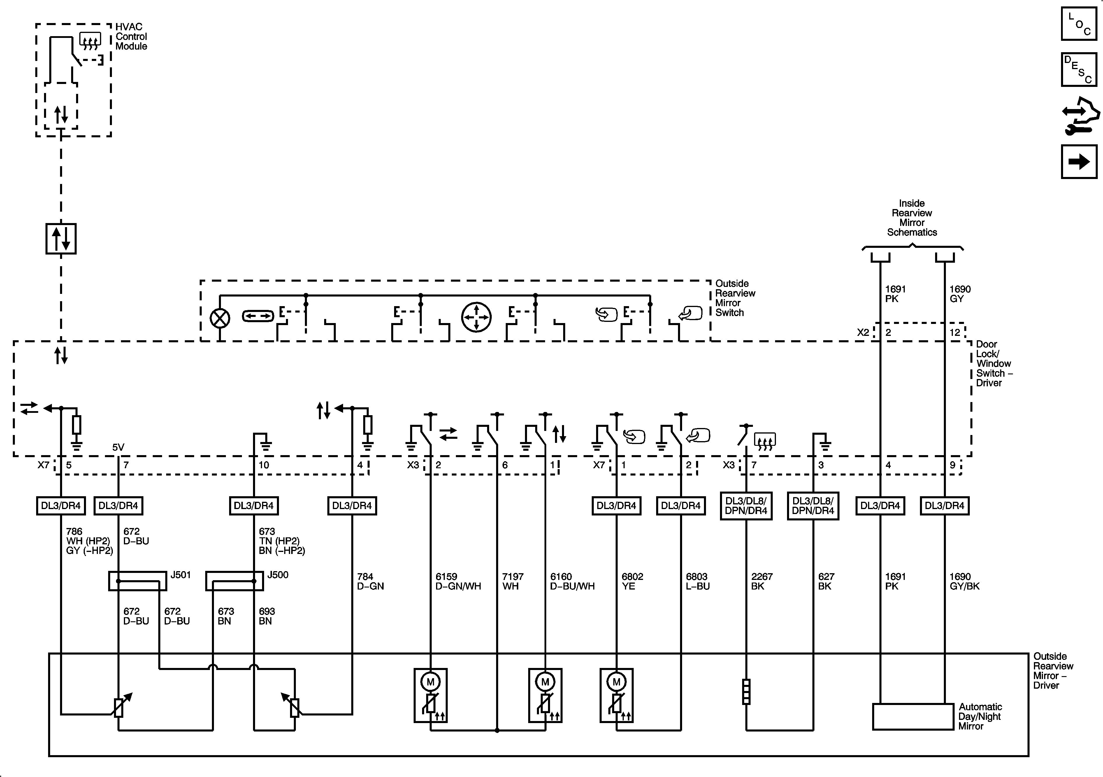
Driver
Master Electrical Component List
Outside Mirror Description and Operation (Power Mirrors)
Control Module References
Passenger
Data Communication Schematics
Inside Rearview Mirror Schematics
Figure
2:
Passenger
Master Electrical Component List
Outside Mirror Description and Operation (Power Mirrors)
Control Module References
Driver
Data Communication Schematics