GM Service Manual Online
For 1990-2009 cars only
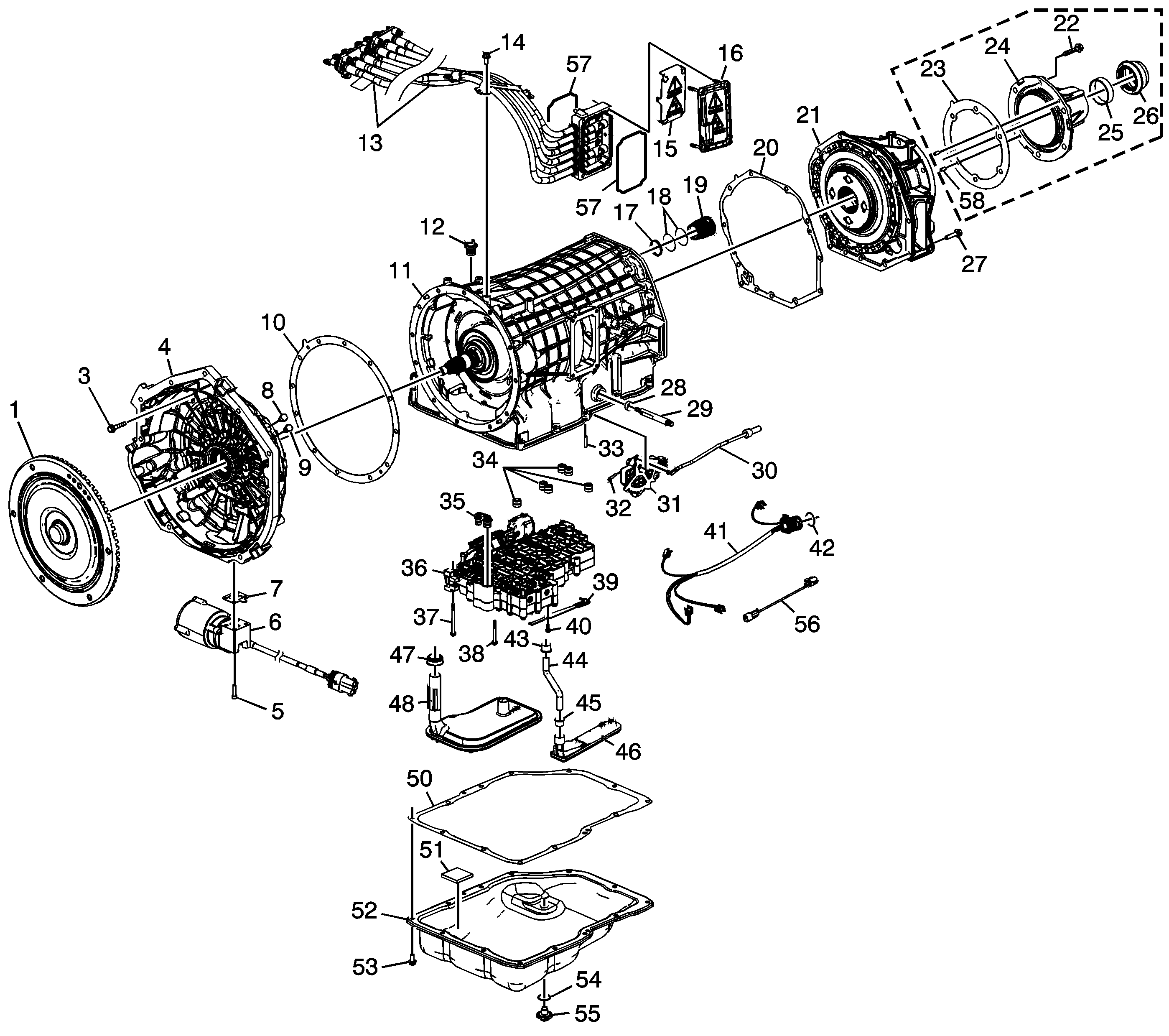
Figure 1:

Case and Associated Parts


Object Number: 1867747  Size: LF
(1)A/Trans Torque Dampener Assembly
(3)A/Trans Fluid Pump Cover Bolt
(4)A/Trans Torque Dampener (w/Fluid Pump) Housing Assembly
(5)A/Trans Auxiliary Fluid Pump Bolt
(6)A/Trans Auxiliary Fluid Pump Assembly
(7)A/Trans Auxiliary Fluid Pump Gasket
(8)A/Trans Torque Dampener Fluid Passage Plug
(9)A/Trans Torque Dampener Fluid Passage Plug
(10)A/Trans Torque Dampener Housing Gasket
(11)A/Trans Case Assembly
(12)Transmission Fluid Fill Tube Seal
(13) Drive Motor Generator Power Inverter Module (3 Phase) Cable Assembly
(14)Drive Motor Generator Power Inverter Module Cable Retaining Bolt
(15)Drive Motor Generator Power Inverter Module Cable Terminal External Bolt Protective Cover
(16)Drive Motor Generator Power Inverter Module (3 Phase) Cable Cover
(17)24-Way Assembly Connector Lip Seal
(18)24-Way Assembly Connector O-Ring Seals
(19)24-Way Assembly Connector
(20)A/Trans Rear Case Gasket
(21)A/Trans Rear Case Assembly
(22)A/Trans Rear Case Bolt
(23)Gasket (2WD Output Only)
(24)2WD Output Housing Extension Assembly
(25)2WD Output Bushing
(26)Output Seal (2WD Only)
(27)A/Trans Rear Case Bolt
(28)Manual Shift Shaft Seal
(29)Manual Shift Shaft
(30)Park Pawl Actuator Assembly
(31)A/Trans Manual Shift Shaft Position Switch Assembly
(32)A/Trans Manual Shift Shaft Position Switch Bolt
(33)Manual Shift Shaft Pin
(34)Hybrid Low, 1-2 Clutch Regulator Valve Seal
(35)A/Trans Fluid Pump Seal Assembly
(36)Control (w/ Body and Valve) Valve Assembly
(37)Control Valve Upper Body Bolt
(38)Control Valve Upper Body Bolt
(39)Manual Shift Detent Assembly
(40)Manual Shift Detent Spring Bolt
(41)A/Trans Control Wiring Harness Extension Harness Assembly
(42)A/Trans Control Wiring Harness Extension Harness O-Ring Seal
(43)A/Trans Auxiliary Fluid Filter Seal
(44)A/Trans Auxiliary Fluid Pump Outlet Pipe
(45)A/Trans Auxiliary Fluid Filter Seal
(46)A/Trans Auxiliary Fluid Pump Filter Assembly
(47)A/Trans Fluid Filter Seal Assembly
(48)A/Trans Fluid Filter Assembly
(50)A/Trans Fluid Pan Gasket
(51)A/Trans Fluid Pan Magnet
(52)A/Trans Fluid Pan Assembly
(53)A/Trans Fluid Pan Bolt
(54)A/Trans Fluid Pan Drain Plug O-Ring Seal
(55)Drain Plug Assembly
(56)A/Trans Wiring Harness Assembly
(57)Drive Motor Generator Power Inverter Module Cable Housing Cover Seal
(58)2WD Output Housing Extension Assembly Guide Pins
Figure 2:

Internal Components


Object Number: 1867749  Size: LF
(60)Input Shaft Thrust Bearing
(61)Internal Gear Retaining Ring - 1st Position
(62)Input Shaft Fluid Seal Ring
(63)A/Trans Torque Dampener Clutch Fluid Seal Ring
(64)Input Shaft
(65)Internal Gear - 1st Position
(66)Sun Gear Carrier Thrust Bearing - 1st Position
(67)Sun Gear Carrier Assembly - 1st Position
(69)Sun Gear Assembly - 1st Position
(70)Generator Drive Motor Bolt
(71)Drive Motor (w/Generator) Assembly - 1st Position
(72)Generator Drive Motor Housing Seal
(73)Sun Gear Shaft Retaining Ring
(74)Sun Gear Shaft Assembly - 1st Position
(75)Internal Gear - 2nd Position
(76)Internal Gear Thrust Bearing Assembly - 2nd Position
(77)Sun Gear Carrier Assembly - 2nd Position
(79)Sun Gear Assembly - 2nd Position
(80)1-3 Clutch Housing Assembly
(81)Hybrid Direct, 2-3-4 Clutch Housing Thrust Bearing Assembly
(82)Main Shaft Assembly
(83)A/Trans Vent Pipe
(84)A/Trans Case Assembly
(85)1-3 Clutch Housing Fluid Seal Ring
(86)Center Support Assembly
(87)Center Support Bolt
(88)Drive Motor (w/Generator) Assembly - 2nd Position
(89)Sun Gear Shaft Assembly - 3rd Position - Some Models
(90)Sun Gear - 3rd Position
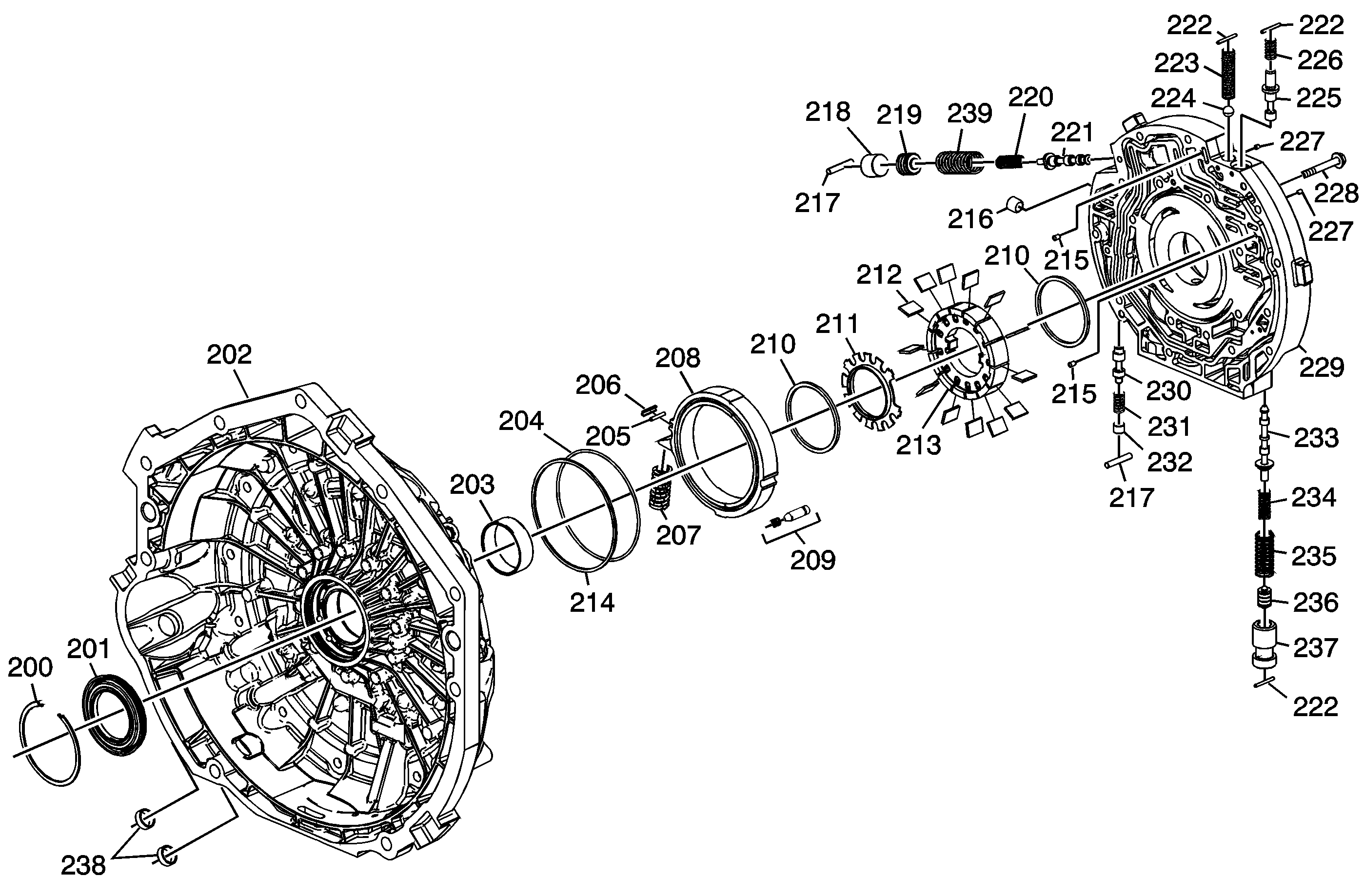
Figure 3:

Input Housing Module and Pump Assembly


Object Number: 1867751  Size: MF
(200)A/Trans Torque Dampener Fluid Seal Retaining Ring
(201)A/Trans Fluid Pump Seal
(202)A/Trans Torque Dampener (w/Fluid Pump) Housing Assembly
(203)Input Shaft Bushing
(204)A/Trans Fluid Pump Slide O-Ring Seal
(205)A/Trans Fluid Pump Slide Seal Support
(206)A/Trans Fluid Pump Slide Seal
(207)A/Trans Fluid Pump Slide Outer Spring
(208)A/Trans Fluid Pump Slide
(209)A/Trans Fluid Pump Slide Pivot Pin
(210)A/Trans Fluid Pump Vane Ring
(211)A/Trans Fluid Pump Rotor Guide
(212)A/Trans Fluid Pump Vane
(213)A/Trans Fluid Pump Rotor
(214)Pump Slide Fluid Seal Ring
(215)A/Trans Fluid Pump Air Bleed Orifice
(216)A/Trans Torque Dampener Fluid Passage Plug
(217)Pressure Regulator Valve Pin
(218)Valve Retaining Plug
(219)Isolator Valve
(220)A/Trans Fluid Pump Valve Inner Spring
(221)A/Trans Fluid Pump and Auxiliary Fluid Pump Valve
(222)Pressure Relief Ball Valve Spring Pin
(223)Pressure Relief Ball Valve Spring
(224)Pressure Relief Ball Valve
(225)A/Trans Fluid Cooler Bypass Valve
(226)A/Trans Fluid Cooler Bypass Valve Spring
(227)Decrease Orifice
(228)A/Trans Fluid Pump Cover Bolt
(229)A/Trans Fluid Pump Cover Assembly
(230)Transmission Lube Fluid Pressure Regulator Valve
(231)Pressure Regulator Valve Spring
(232)Pressure Regulator Valve Stop
(233)Pressure Regulator Valve
(234)Pressure Regulator Valve Inner Spring
(235)Pressure Regulator Valve Outer Spring
(236)Isolator Valve
(237)Isolator Valve Sleeve
(238)Transmission Fluid Cooler Pipe Fitting Seal
(239)A/Trans Fluid Pump Valve Outer Spring
Figure 4:

Hydraulic Control Module


Object Number: 1867753  Size: LF
(300)Control Valve Channel Plate Bolt
(301)Control Valve Upper Body Assembly
(302)A/Trans Fluid Pump Ball Check Valve
(303)Control Valve Body Spacer (w/Gasket) Plate Assembly
(304)Control Valve Channel Plate
(305)Control Valve Channel Plate Spacer Plate Gasket
(306)Control Solenoid Valve Heat Sink (w/Body and TCM) Bolt
(307)Control Solenoid (w/ Body and TCM) Valve Assembly
(308)Control Valve Lower Body Bolt
(309)A/Trans Manual Shift Shaft Position Switch Assembly Bracket
Figure 5:

Control Valve Upper Body Assembly


Object Number: 1867754  Size: MF
(320)Valve Retaining Clip
(321)Valve Retaining Plug
(322)Auxiliary Line Boost Valve
(323)Auxiliary Line Boost Valve Spring
(324)1-3 Clutch Regulator Valve
(325)1-3 Clutch Regulator Valve Spring
(326)Hybrid Direct 2-3-4 Clutch Regulator Valve
(327)Hybrid Direct 2-3-4 Clutch Regulator Valve Spring
(328)Shift Solenoid Valve - Mode A
(329)Hybrid A/Trans Shift Solenoid Spring
(330)Control Valve Body Locating Pin
(331)Hybrid A/Trans Shift Solenoid Spring
(332)Shift Solenoid Valve - Mode B
(333)Actuator Feed Limit Valve Spring
(334)Actuator Feed Limit Valve
(335)Hybrid Low, 1-2 Clutch Regulator Valve Spring
(336)Hybrid Low, 1-2 Clutch Regulator Valve
(337)Hybrid Low, 1-2 Clutch Boost Valve Assembly
(338)Hybrid Low, 1-2 Clutch Boost Valve Spring
(339)Clutch Piston Exhaust Blowoff Ball Valve
(340)Clutch Piston Exhaust Blowoff Ball Valve Spring
(341)Clutch Piston Exhaust Blowoff Ball Valve Plug
(342)Control Valve Body Locator Pin
(343)Control Valve Upper Body Assembly
Figure 6:

4th Clutch Assembly


Object Number: 1867757  Size: LF
(400)4th Clutch Piston Retaining Ring
(401)4th Clutch Backing Plate
(402)4th Clutch Plate Assembly
(403)4th Clutch Plate
(404)4th Clutch Waved Plate
(405)4th Clutch Piston Retaining Ring
(406)4th Clutch Piston Retaining Spring Assembly
(407)4th Clutch Piston
(408)A/Trans Case Assembly
Figure 7:

1-3 Clutch Assembly


Object Number: 1867758  Size: MF
(410)1-3 Clutch Retaining Ring
(411)1-3 Clutch Backing Plate
(412)1-3 Clutch Plate Assembly
(413)1-3 Clutch Plate
(414)1-3 Clutch Plate - Waved
(415)1-3 Clutch Piston Retaining Ring
(416)1-3 Clutch Piston Dam
(417)1-3 Clutch Retaining Spring
(418)1-3 Clutch Piston
(419)1-3 Clutch Housing Assembly
(420)1-3 Clutch Housing Bushing
Figure 8:

A/Trans Rear Case Assembly Components


Object Number: 1867759  Size: MF
(425)Hybrid Low, 1-2 Clutch Piston Retaining Ring
(426)Hybrid Low, 1-2 Clutch Backing Plate Assembly
(427)Hybrid Low, 1-2 Clutch Plate Assembly
(428)Hybrid Low, 1-2 Clutch Plate
(429)Hybrid Low, 1-2 Clutch Plate - Waved
(430)Hybrid Low, 1-2 Clutch Return Spring Assembly
(431)Hybrid Low, 1-2 Clutch Piston
(432)Internal Gear - 3rd Position
(433)Internal Gear Thrust Washer - 3rd Position - Steel
(434)Sun Gear Carrier Assembly - 3rd Position
(435)Internal Gear Thrust Bearing Assembly - 2nd Position
(436)Hybrid Direct, 2-3-4 Clutch Hub
(437)Output Shaft Thrust Bearing Assembly
(438)Output Shaft Retaining Ring
(439)Output Shaft Assembly
(440)Hybrid Direct, 2-3-4 Clutch Housing Assembly
(441)Hybrid Direct, 2-3-4 Clutch Housing Thrust Bearing Assembly
(442)Hybrid Direct, 2-3-4 Clutch Housing Seal Ring
(443)Hybrid Direct, 2-3-4 Clutch Support Bolt
(444)Hybrid Direct, 2-3-4 Clutch Support Assembly
(445)Hybrid Direct, 2-3-4 Clutch Support Gasket
(446)Vehicle Speed Sensor Bolt
(447)A/Trans Output Speed Sensor Assembly
(448)A/Trans Output Speed Sensor O-Ring Seal
(449)A/Trans Rear Case Assembly
(450)Park Pawl Shaft
(451)Park Pawl Shaft Hole Plug
(452)Park Pawl Cover Gasket
(453)Park Pawl Cover
(454)Park Pawl Cover Bolt
(455)Park Pawl Actuator Guide Pin
(456)Park Pawl Actuator Guide
(457)Park Pawl Spring
(458)Park Pawl
(459)Internal Gear Thrust Washer - 3rd Position - Plastic
Figure 9:

2-3-4 Clutch Housing Assembly


Object Number: 1867760  Size: MF
(460)Hybrid Direct, 2-3-4 Clutch Plate Retaining Ring
(461)Hybrid Direct, 2-3-4 Clutch Backing Plate
(462)Hybrid Direct, 2-3-4 Clutch Plate Assembly
(463)Hybrid Direct, 2-3-4 Clutch Plate
(464)Hybrid Direct, 2-3-4 Clutch Plate - Waved
(465)Hybrid Direct, 2-3-4 Clutch Piston Ring
(466)Hybrid Direct, 2-3-4 Clutch Piston Dam
(467)Hybrid Direct,, 2-3-4 Clutch Piston Return Spring
(468)Hybrid Direct, 2-3-4 Clutch Piston Outer Seal
(469)Hybrid Direct, 2-3-4 Clutch Piston
(470)Hybrid Direct, 2-3-4 Clutch Piston Inner Seal
(471)Hybrid Direct, 2-3-4 Clutch Housing Assembly