GM Service Manual Online
For 1990-2009 cars only

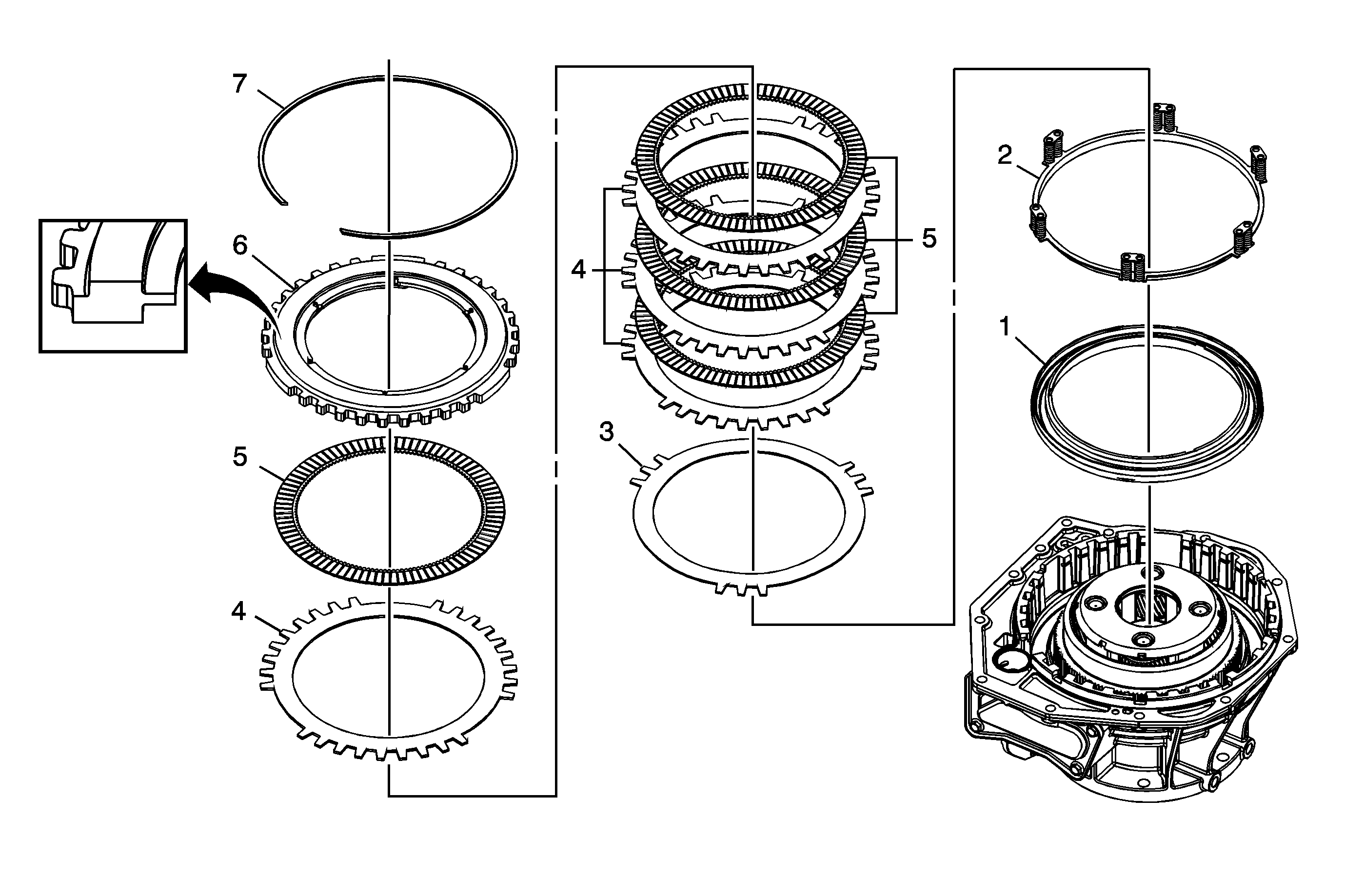
Object Number: 1867798  Size: MF

Callout

Component Name

1

Hybrid Low, 1-2 Clutch Piston

2

Hybrid Low, 1-2 Clutch Return Spring Assembly

3

Hybrid Low, 1-2 Clutch Plate - Waved

4

Hybrid Low, 1-2 Clutch Plate

5

Hybrid Low, 1-2 Clutch Plate Assembly

6

Hybrid Low, 1-2 Clutch Backing Plate Assembly

Tip
Make sure to install with lip facing up, see orientation.

7

Hybrid Low, 1-2 Clutch Piston Retaining Ring

Tip

    • Install a NEW retaining ring. Do not reuse the old retaining ring.
    • Start retaining ring at one end, work around to the other end.