GM Service Manual Online
For 1990-2009 cars only

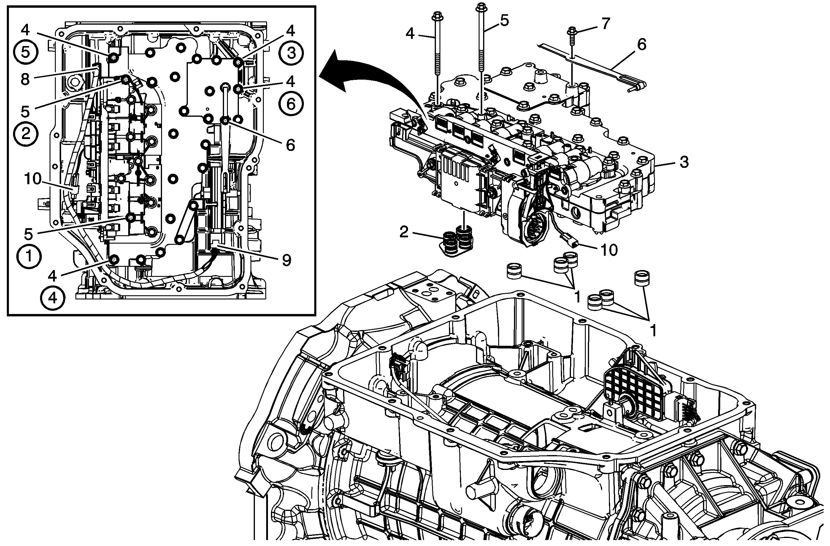
Object Number: 1867841  Size: MF

Callout

Component Name

1

Control Valve Upper Body Seal (Qty: 6)

Tip
Install a NEW seal.

2

A/Trans Fluid Pump Seal Assembly

Tip
Install a NEW seal assembly.

3

Control (w/Body and Valve) Valve Assembly

Tip
Align the manual shift shaft position switch activator slide with the detent lever guide pin.

4

Control Valve Upper Body Bolts M6 x1.0 x 65 (Qty: 4)

Notice: Refer to Fastener Notice in the Preface section.

Procedure

Tighten in the sequence shown.

Tighten
9-13 N·m (80-115 lb in)

5

Control Valve Upper Body Bolt M6 x 1.0 x 80 (Qty: 2)

6

Manual Shift Detent Assembly

7

Manual Shift Detent Spring Bolt M6 x 1.0 x 16

Tighten
9-13 N·m (80-115 lb in)

8

Control Solenoid (w/Body and TCM) Valve Assembly

Procedure:

Connect the wiring harness.

9

Shift Shaft Positon Switch

Procedure:

Connect the wiring harness.

10

A/Trans Wiring Harness Assembly

Procedure:

Connect the wiring harness.