Removal Procedure
Danger: Always perform the High Voltage Disabling procedure prior to servicing any High
Voltage component or connection. Personal Protection Equipment (PPE) and proper procedures must be followed.
The High Voltage Disabling procedure will perform the following tasks:
| • | Identify how to disable high voltage. |
| • | Identify how to test for the presence of high voltage. |
| • | Identify condition under which high voltage is always present and personal protection equipment (PPE) and proper procedures must be followed. |
Failure to follow the procedures exactly as written may result in serious injury or death.
- Perform the high voltage disabling. Refer to
High Voltage Disabling.
Caution: Always remove and install the High Voltage terminal fasteners with a magnet tipped socket. Never touch the exposed electronic circuit board surface or components. Dropped fasteners or physical
contact may result in electronic circuit board damage.
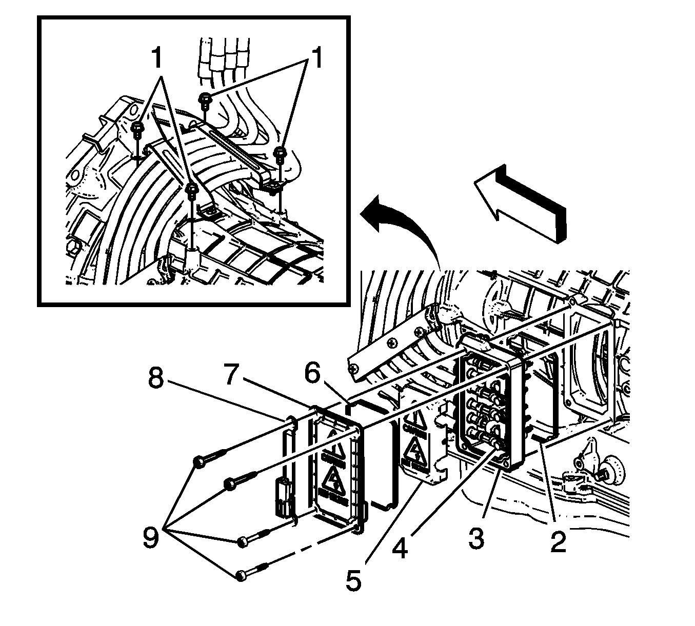
- Remove the power inverter module (PIM) 3 phase cable terminal fasteners (1).
- Remove the PIM 3 phase cable mounting fasteners (2, 4).
- Remove the PIM 3 phase cables (3, 5) from the PIM distribution box.
- Remove and discard the seals (6).
- Remove the 3 phase cable retainer nut (2).
- Remove the 3 phase cable retainer (1) from the bracket.
- Remove and lower the transmission enough to gain access to the 3 phase cable bracket bolts (1). Refer to
Transmission Replacement.
- Remove the 3 phase cable bracket bolts (1).
- Remove the 3 phase cover bolts (9) and transmission cover terminal housing (8).
- Remove the 3 phase cover (7).
- Disconnect the 3 phase cable cover connector.
- Remove the 3 phase cable bolt protective cover (5).
- Remove the 3 phase cable retaining bolts (4).
- Remove the 3 phase cables and housing (3).
- Finish removal of the transmission while allowing the 3 phase cables to remain in the vehicle. Refer to
Transmission Replacement.
- Remove the 3 phase cables from the vehicle.
Installation Procedure
Notice: To avoid high voltage 3-phase cable or vehicle damage properly attach the cables and brackets, and check for and correct any interference.
- Position the 3 phase cables in the vehicle.
- Begin installation of the transmission. Refer to
Transmission Replacement.
- Install a new 3 phase cable housing seal (2).
- Install the 3 phase cables and housing (3).
Notice: Refer to Fastener Notice in the Preface section.
- Install the 3 phase cable retaining bolts (4).
Tighten
Tighten the bolts to 12 N·m (106 lb in).
- Install the 3 phase cable bolt protective cover (5).
- Install a new 3 phase cable cover seal (6).
- Reconnect the 3 phase cable cover connector.
- Install the 3 phase cable cover (7).
- Install the transmission cover terminal housing (8).
- Install the 3 phase cable cover bolts (9).
Tighten
Tighten the bolts to 12 N·m (106 lb in).
- Install the 3 phase cable bracket bolts (1).
Tighten
Tighten the bolts to 12 N·m (106 lb in).
- Complete installation of the transmission. Refer to
Transmission Replacement.
- Lower the vehicle.
- Install the 3 phase cable retainer (1) to the bracket.
- Install the 3 phase cable retainer nut (2).
Tighten
Tighten the nut to 9 N·m (80 lb in).
- Install the PIM 3 phase cables (3, 5)
into the PIM distribution box with new seals (6).
- Install the PIM 3 phase cable mounting fasteners (2, 4).
Tighten
Tighten the mounting fastener to 9 N·m (80 lb in).
Caution: Always remove and install the High Voltage terminal fasteners with a magnet tipped socket. Never touch the exposed electronic circuit board surface or components. Dropped fasteners or physical
contact may result in electronic circuit board damage.
- Install the PIM 3 phase cable terminal fasteners (1).
Tighten
Tighten the terminal fastener to 9 N·m (80 lb in).
- Install a new seal (3) on the
PIM distribution box.
- Position the terminal cover (2) onto the PIM distribution box ensuring the seal remains in place.
- Tighten the terminal cover fasteners (1).
Tighten
Tighten the fasteners to 9 N·m (80 lb in).
- Perform the high voltage enabling. Refer to
High Voltage Enabling.