GM Service Manual Online
For 1990-2009 cars only

Object Number: 1971856  Size: MF

Callout

Component Name

Danger: Always perform the High Voltage Disabling procedure prior to servicing any High Voltage component or connection. Personal Protection Equipment (PPE) and proper procedures must be followed.

The High Voltage Disabling procedure will perform the following tasks:

   • Identify how to disable high voltage.
   • Identify how to test for the presence of high voltage.
   • Identify condition under which high voltage is always present and personal protection equipment (PPE) and proper procedures must be followed.
Failure to follow the procedures exactly as written may result in serious injury or death.

Preliminary Procedure:

  1. Disable the high voltage at the drive motor generator battery. Refer to High Voltage Disabling .
  2. Remove the rear seat frame front finish cover. Refer to Rear Seat Frame Front Finish Cover Replacement .
  3. Tip seat up and remove the rear seat riser finish cover. Refer to Rear Seat Riser Finish Cover Replacement .

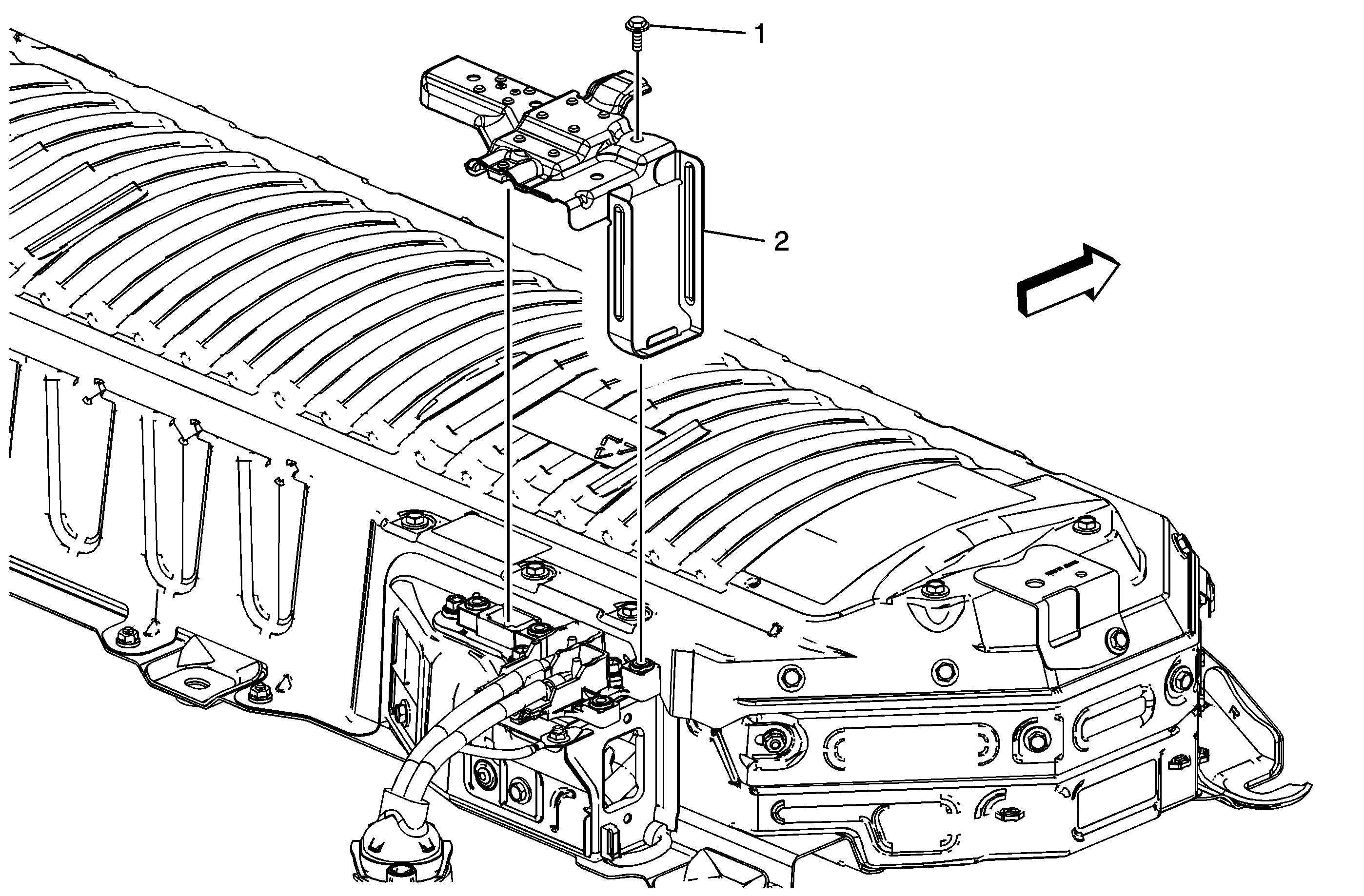
1

Drive Motor Battery Cable Terminal Extension Cover Bolts (Qty: 4)

Notice: Refer to Fastener Notice in the Preface section.

Tighten
6 N·m (53 lb in)

2

Drive Motor Battery Cable Terminal Extension Cover

Procedure:

After the cover has been replaced and the re-assembly of the drive motor generator battery, enable the HV system. Refer to High Voltage Enabling .