GM Service Manual Online
For 1990-2009 cars only
Makes
🢒
Cadillac
🢒
2008
🢒
Escalade EXT
🢒
Power and Signal Distribution
🢒
Data Communications
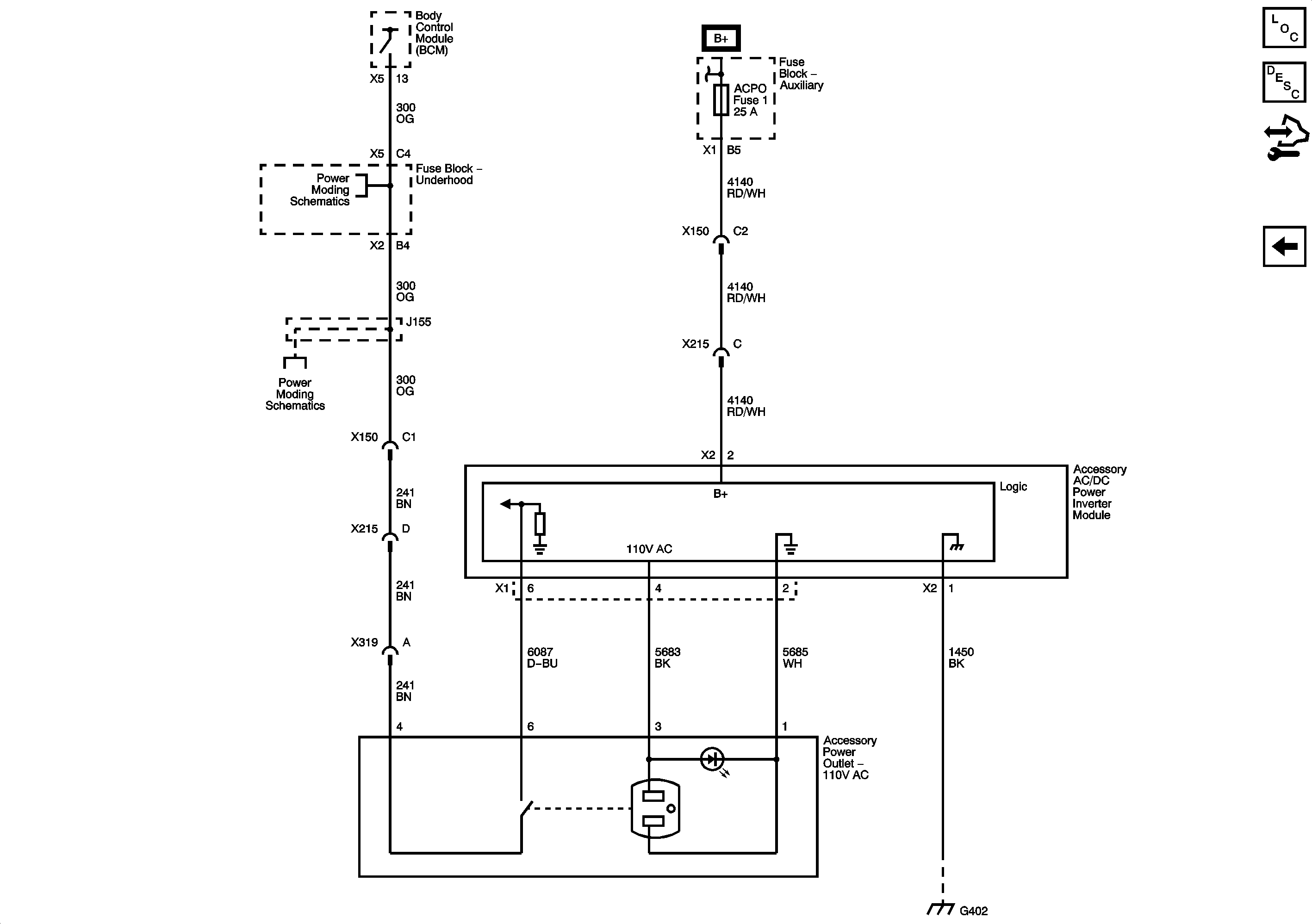
🢒 Cigar Lighter/Power Outlet Schematics
Figure
1:
Master Electrical Component List
Power Outlets Description and Operation
Control Module References
110-Volt AC Power Outlet (HP2)
ECM-BATT, HEADLAMP WASH, HVAC BATT, IPC, LTR, S/ROOF, and TCM-BATT Fuses
AUX PWR, AUX PWR 2, LBEC 2, PDM, and REAR WPR Fuses
AUX PWR, AUX PWR 2, LBEC 2, PDM, and REAR WPR Fuses
G200 - 1 of 2
G402 - E52
G303, G304, and G305
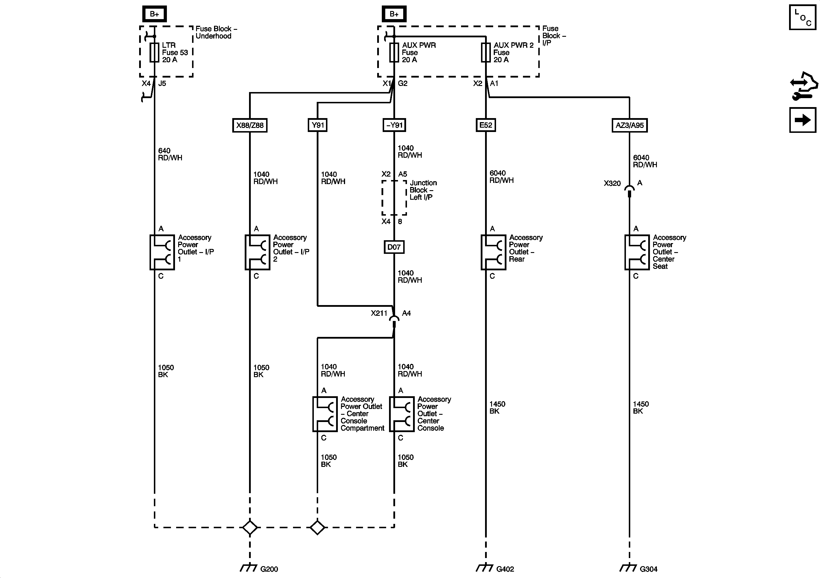
Figure
2:
110-Volt AC Power Outlet (HP2)
Master Electrical Component List
Power Outlets Description and Operation
Control Module References
Power Outlet Schematics
ACCM, ACPO, BECM, BECM FAN, CAB HTR PUMP, COOL PUMP, EPS, PIM 1 and PIM 2 Fuses
Ignition 3 and Accessory Voltage
Ignition 3 and Accessory Voltage
G402 - E52