GM Service Manual Online
For 1990-2009 cars only
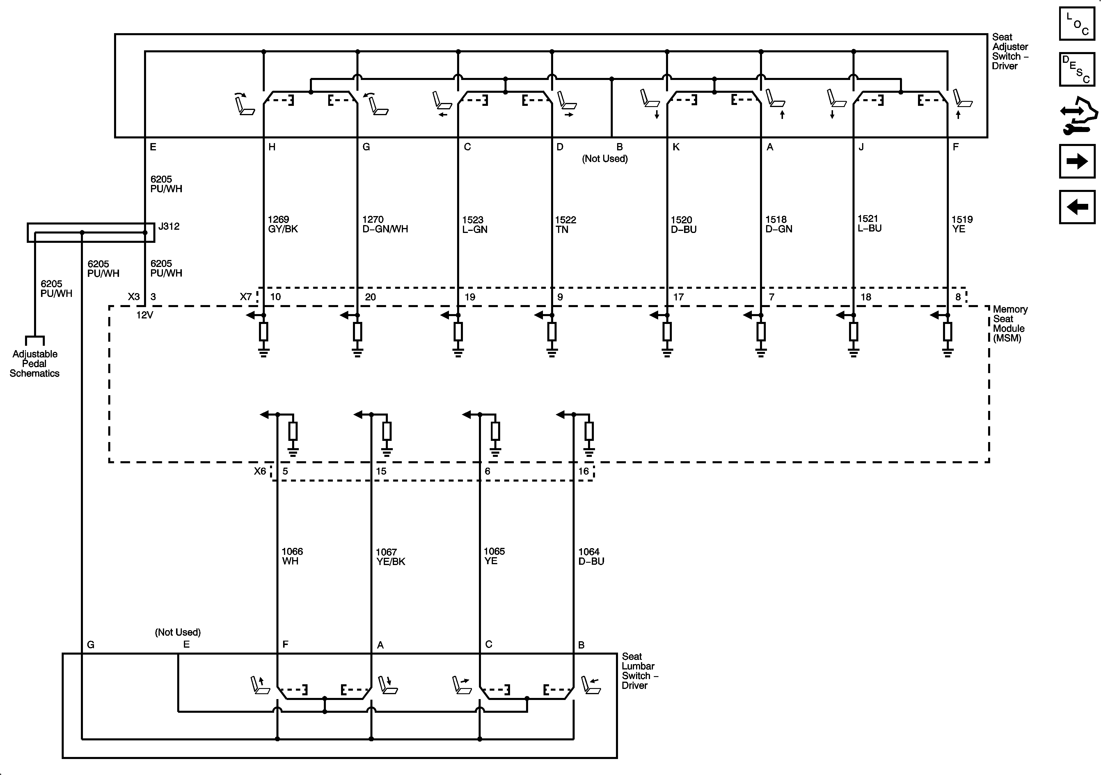
Figure 1:

6-Way Power


Object Number: 1907228  Size: FS
Master Electrical Component List
Power Seats System Description and Operation (Front Seat)
Control Module References
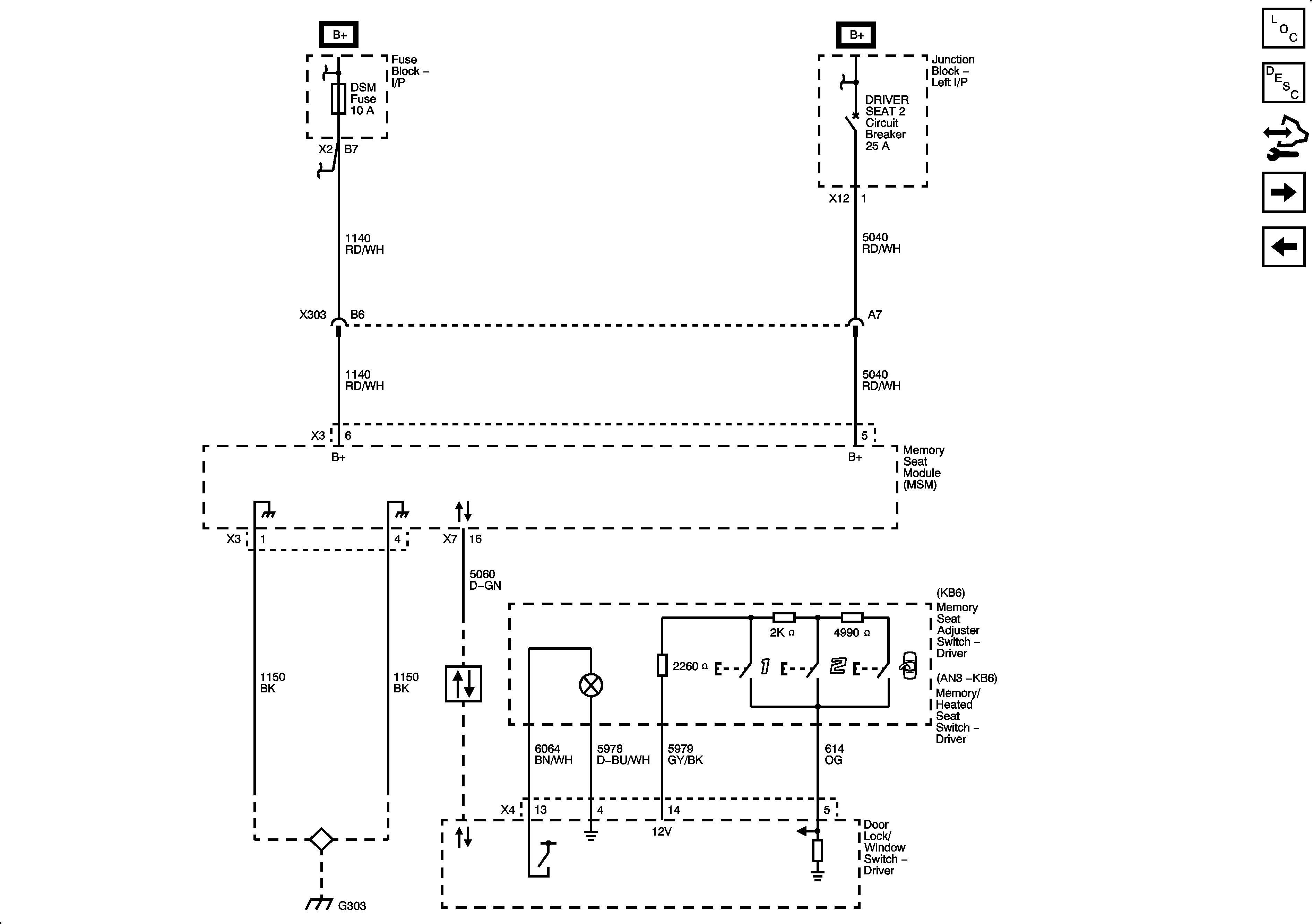
Module Power, Ground, Serial Data, and Memory Switch (AN3)
BCM, COOLED SEATS, CTSY, DDM, DIM, DSM, LBEC 1, MBEC 1, REAR HVAC, and RT STOP TRN Fuses and DRIVER SEAT 2, PASS SEAT 1, and RT DOORS Circuit Breakers
G303, G304, and G305
Figure 2:

Module Power, Ground, Serial Data, and Memory Switch - AN3


Object Number: 1907230  Size: FS
Master Electrical Component List
Memory Seats Description and Operation
Control Module References
Seat Adjuster Switches - AN3
6-Way Power
BCM, COOLED SEATS, CTSY, DDM, DIM, DSM, LBEC 1, MBEC 1, REAR HVAC, and RT STOP TRN Fuses and DRIVER SEAT 2, PASS SEAT 1, and RT DOORS Circuit Breakers
BCM, COOLED SEATS, CTSY, DDM, DIM, DSM, LBEC 1, MBEC 1, REAR HVAC, and RT STOP TRN Fuses and DRIVER SEAT 2, PASS SEAT 1, and RT DOORS Circuit Breakers
Data Communication Schematics
G303, G304, and G305
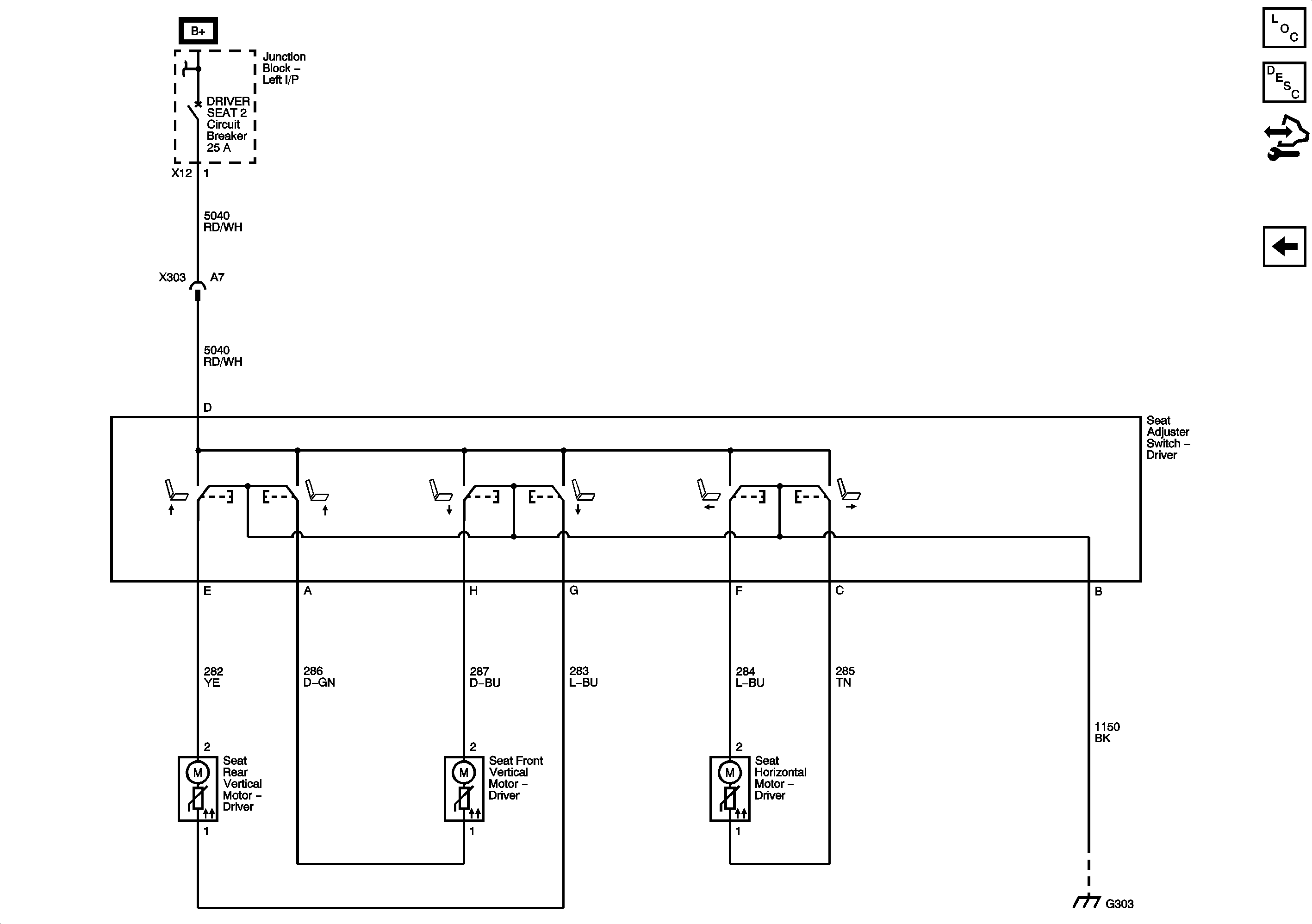
Figure 3:

Seat Adjuster Switches - AN3


Object Number: 1907232  Size: FS
Master Electrical Component List
Memory Seats Description and Operation
Control Module References
Motors and Position Sensors - AN3
Module Power, Ground, Serial Data, and Memory Switch (AN3)
AN3
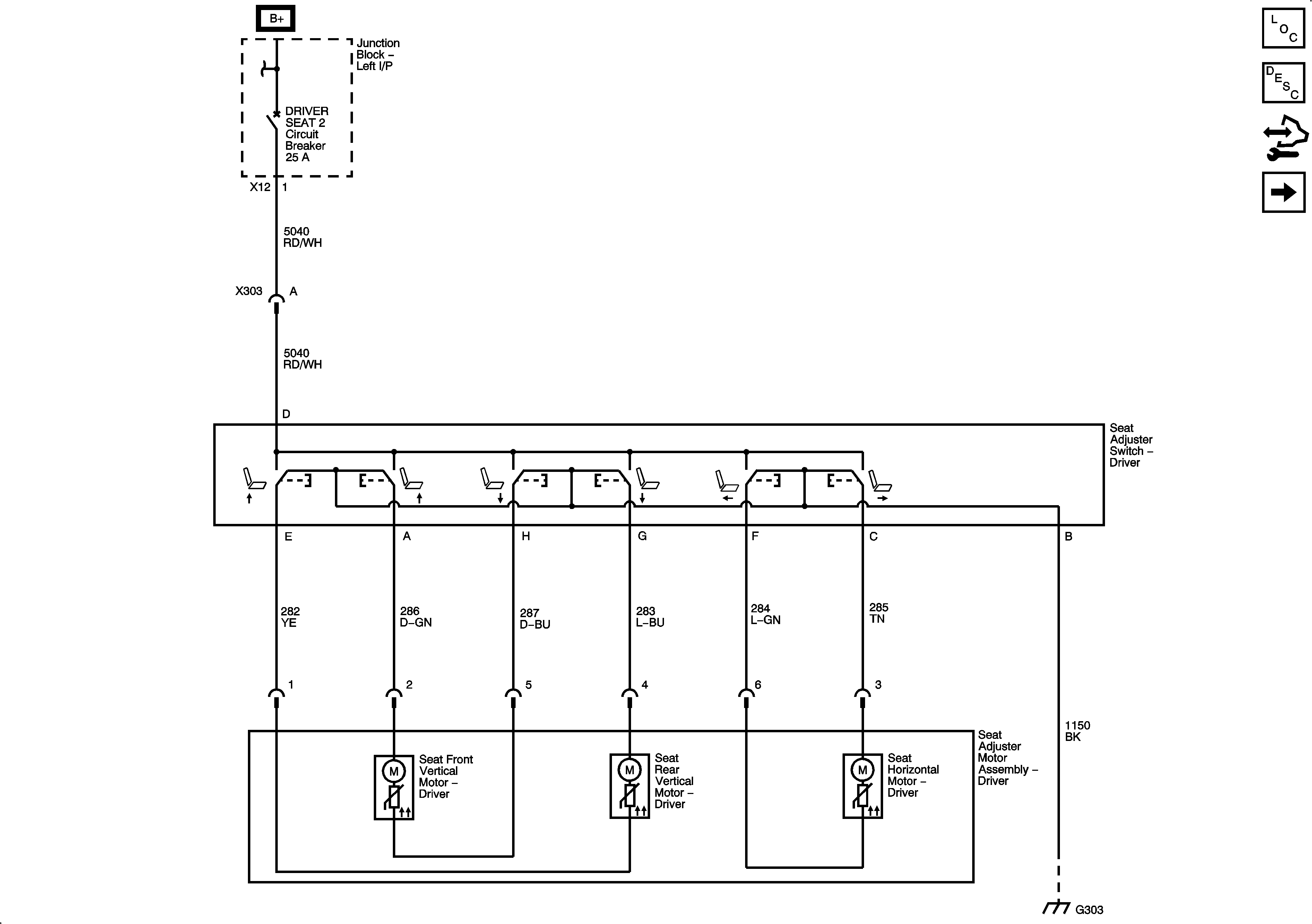
Figure 4:

Motors and Position Sensors - AN3


Object Number: 1907234  Size: FS
Master Electrical Component List
Memory Seats Description and Operation
Control Module References
6-Way Power - HP2
Seat Adjuster Switches - AN3
AN3
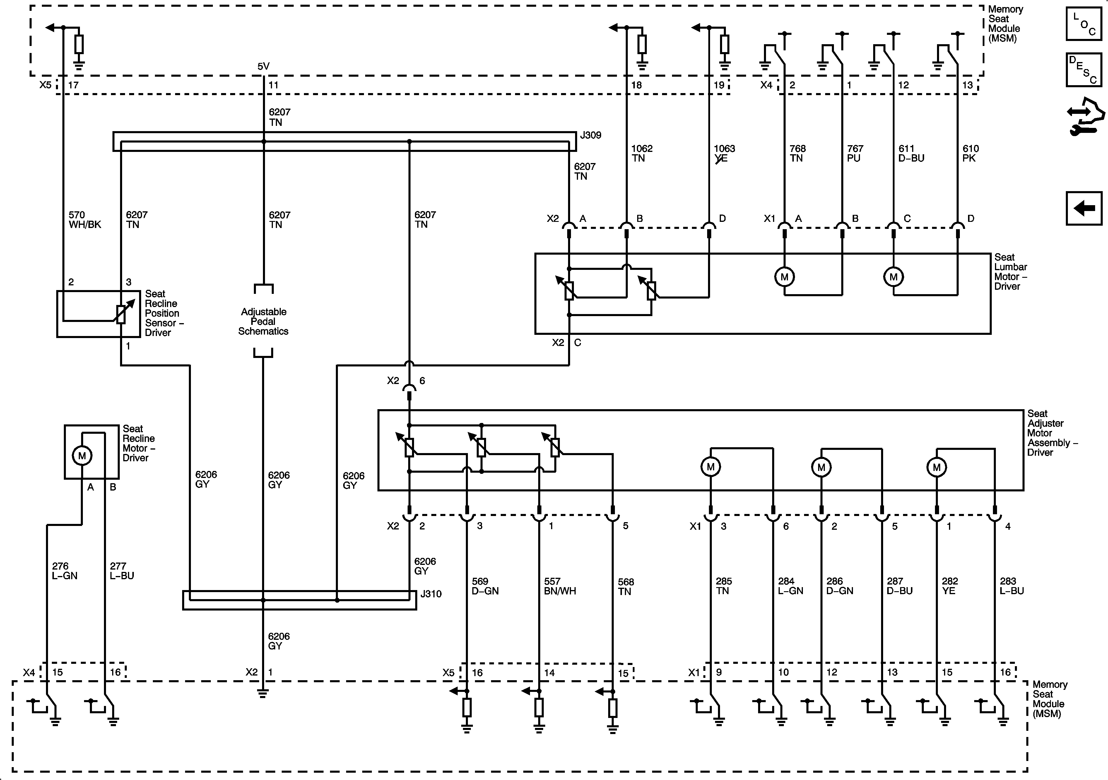
Figure 5:

6-Way Power HP2


Object Number: 2001800  Size: FS
Master Electrical Component List
Power Seats System Description and Operation (Front Seat)
Control Module References
Motors and Position Sensors - AN3
BCM, COOLED SEATS, CTSY, DDM, DIM, DSM, LBEC 1, MBEC 1, REAR HVAC, and RT STOP TRN Fuses and DRIVER SEAT 2, PASS SEAT 1, and RT DOORS Circuit Breakers
G303, G304, and G305