GM Service Manual Online
For 1990-2009 cars only
Makes
🢒
Cadillac
🢒
2008
🢒
Escalade EXT
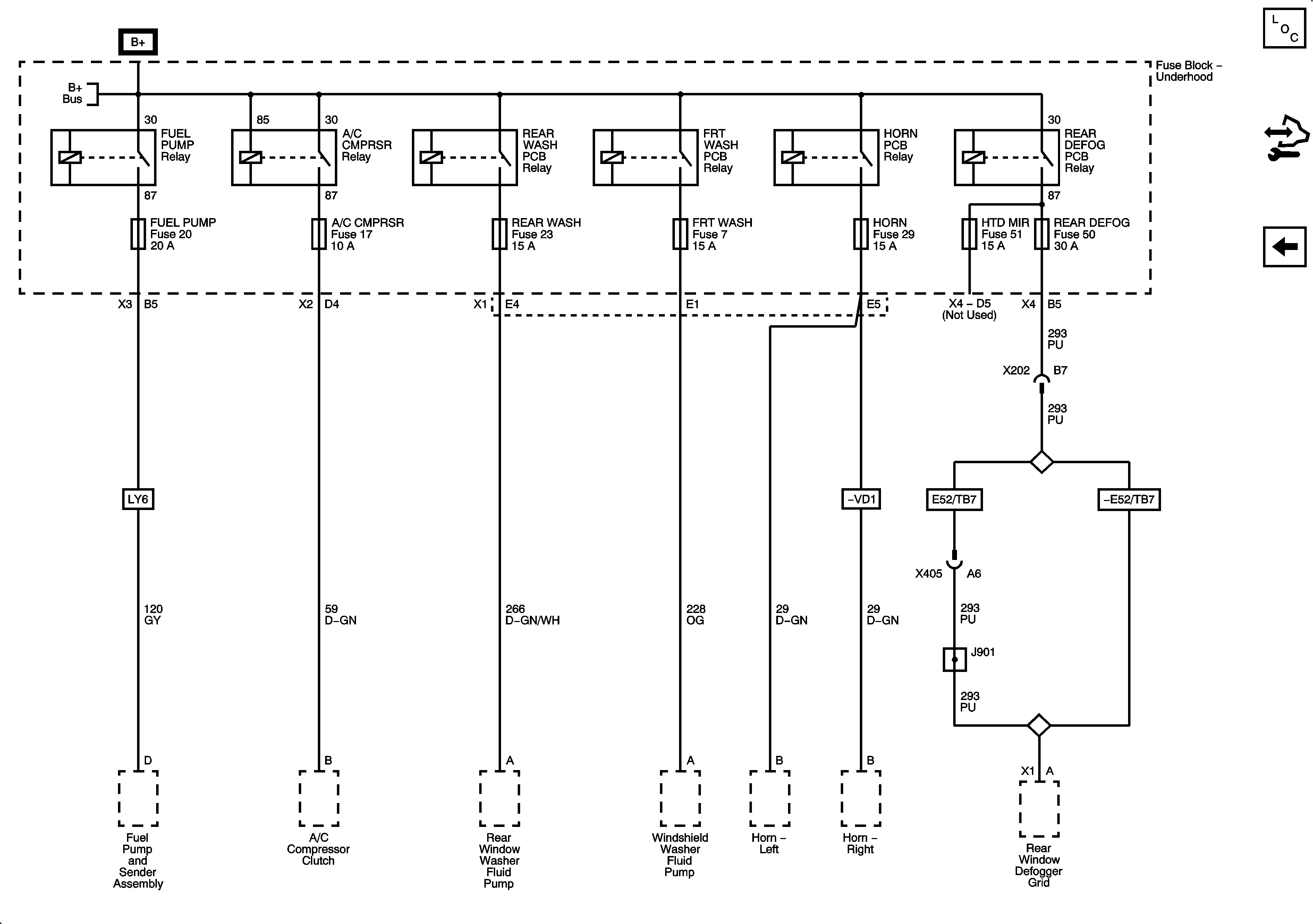
🢒 A/C CMPRSR, FRT WASH, FUEL PUMP, HORN, and REAR DEFOG and REAR WASH Fuses
A/C CMPRSR, FRT WASH, FUEL PUMP, HORN, and REAR DEFOG and REAR WASH Fuses
A/C CMPRSR, FRT WASH, FUEL PUMP, HORN, REAR DEFOG, and REAR WASH Fuses
Master Electrical Component List
Control Module References
RT PRK and TRLR PRK Fuses