GM Service Manual Online
For 1990-2009 cars only
Makes
🢒
Cadillac
🢒
2008
🢒
Escalade EXT
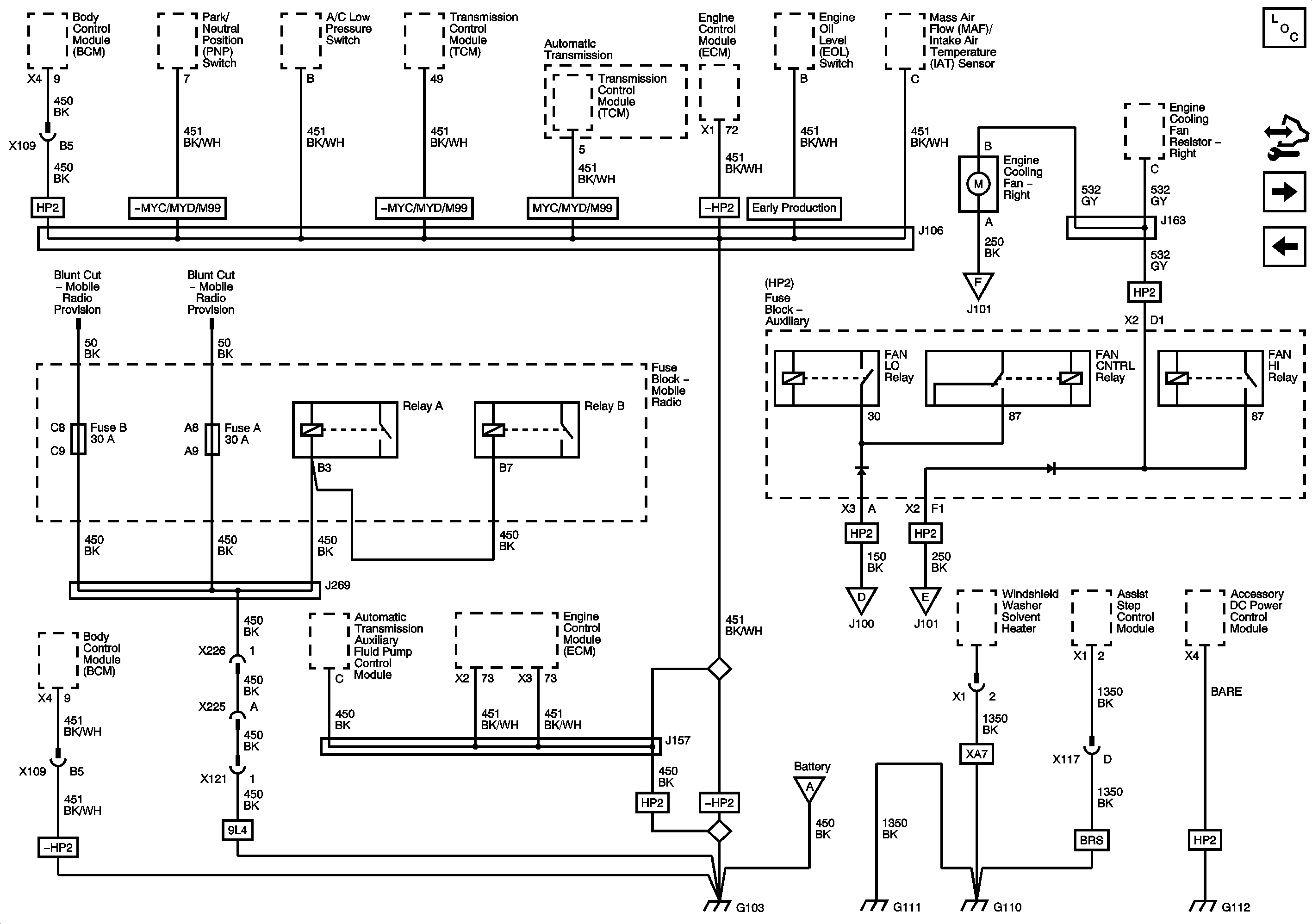
🢒 G103, G110 and G111
G103, G110 and G111
G103, G110, and G111
Master Electrical Component List
Control Module References
G200 - 1 of 2
G102, G104, and G108
G100
G101
G101
G101