GM Service Manual Online
For 1990-2009 cars only
Makes
🢒
Cadillac
🢒
2008
🢒
Escalade EXT
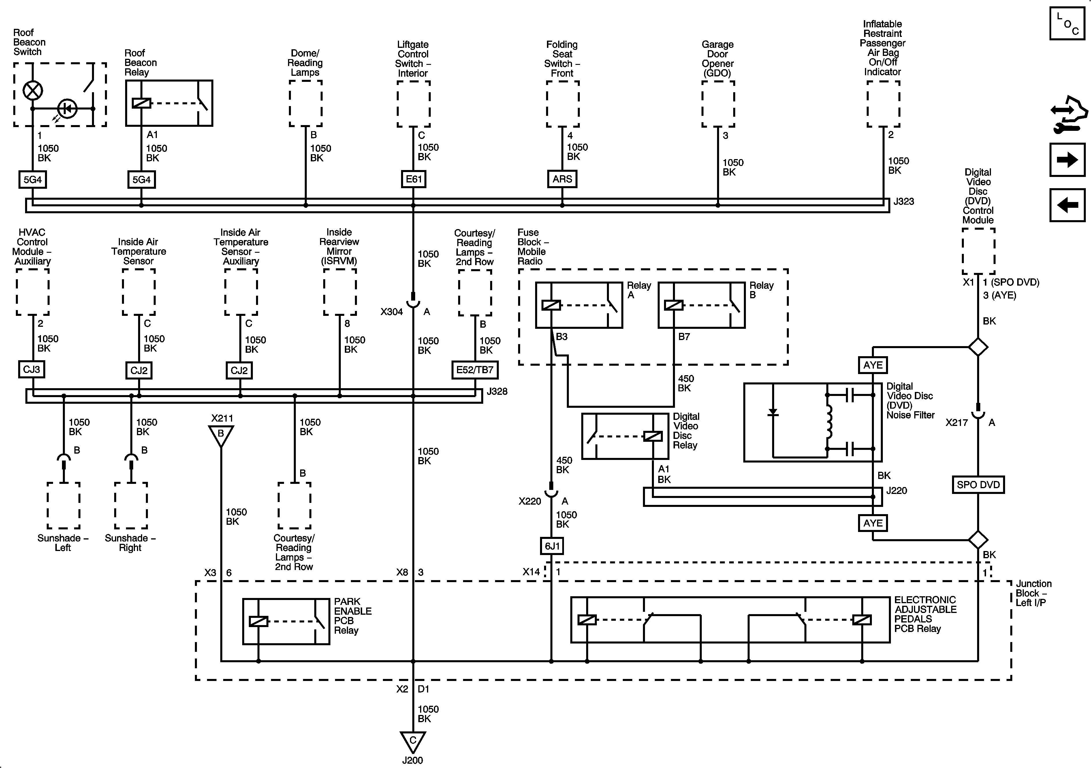
🢒 G200 - 2 of 2
G200 - 2 of 2
G200 - 2 of 2
Master Electrical Component List
Control Module References
G201
G200 - 1 of 2
G200 - 1 of 2
G200 - 1 of 2