GM Service Manual Online
For 1990-2009 cars only
Makes
🢒
Cadillac
🢒
2008
🢒
Escalade EXT
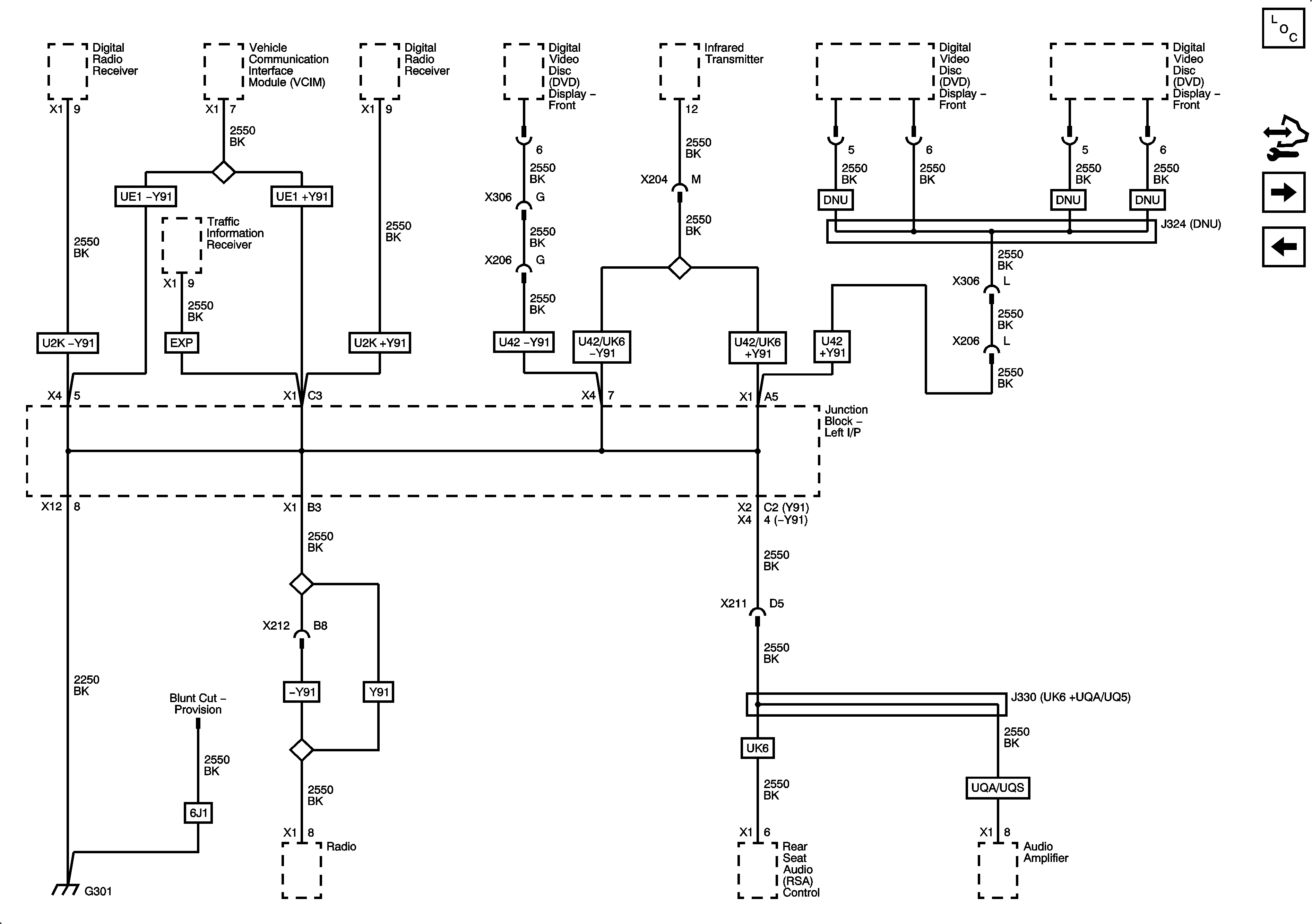
🢒 G301
G301
G301
Master Electrical Component List
Control Module References
G303, G304, and G305
G300, G302, G311, G312, G313, and G314