GM Service Manual Online
For 1990-2009 cars only
Makes
🢒
Cadillac
🢒
2008
🢒
Escalade EXT
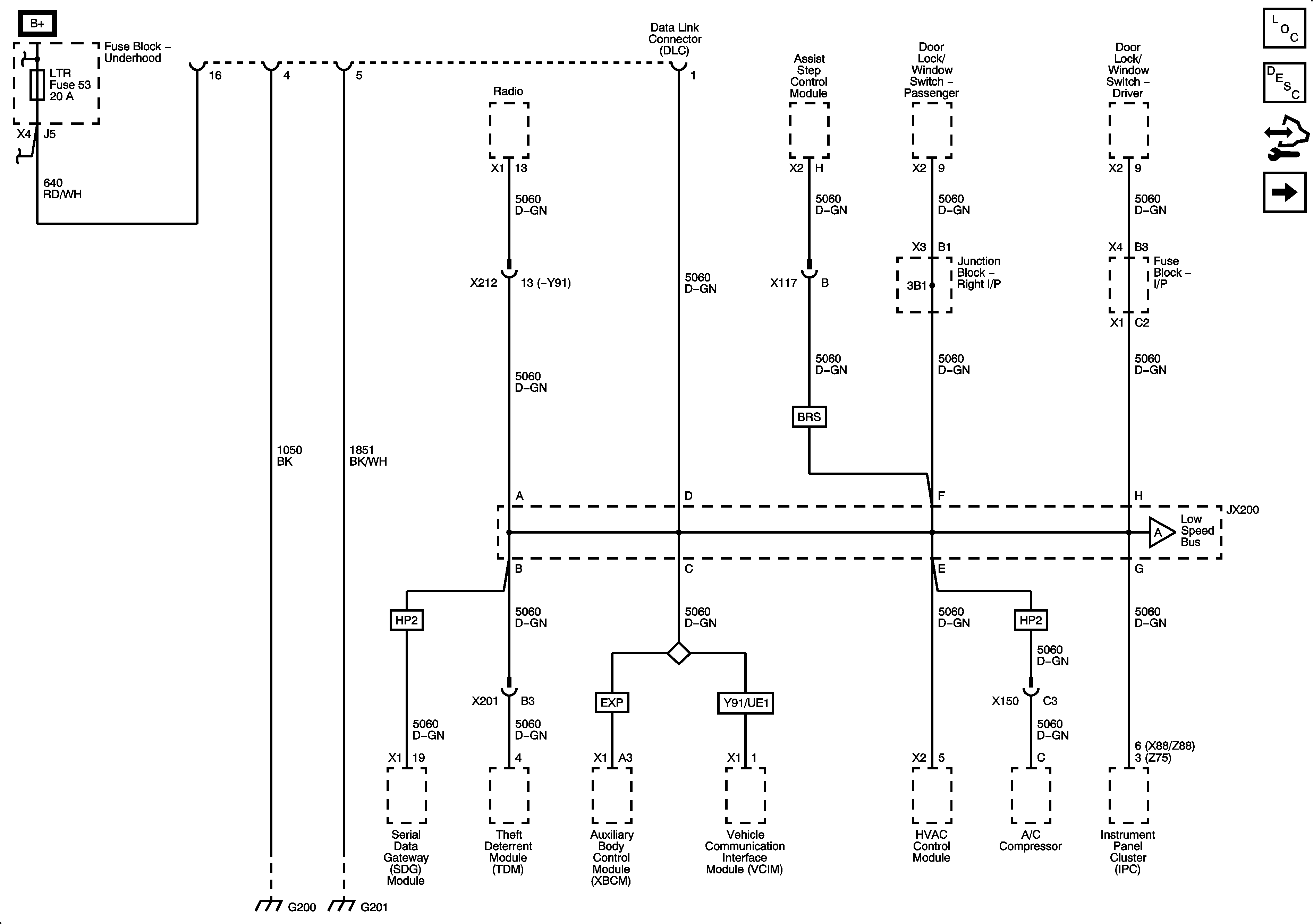
🢒 Low Speed Bus - JX200 - 1 of 3
Low Speed Bus - JX200 - 1 of 3
Low Speed Bus - JX200 - 1 of 3
Master Electrical Component List
Data Link Communications Description and Operation
Control Module References
Low Speed Bus - JX200 - 2 of 3
ECM-BATT, HEADLAMP WASH, HVAC BATT, IPC, LTR, S/ROOF, and TCM-BATT Fuses
G200 - 1 of 2
G201
Low Speed Bus - JX200 - 2 of 3