GM Service Manual Online
For 1990-2009 cars only
Makes
🢒
Cadillac
🢒
2008
🢒
Escalade EXT
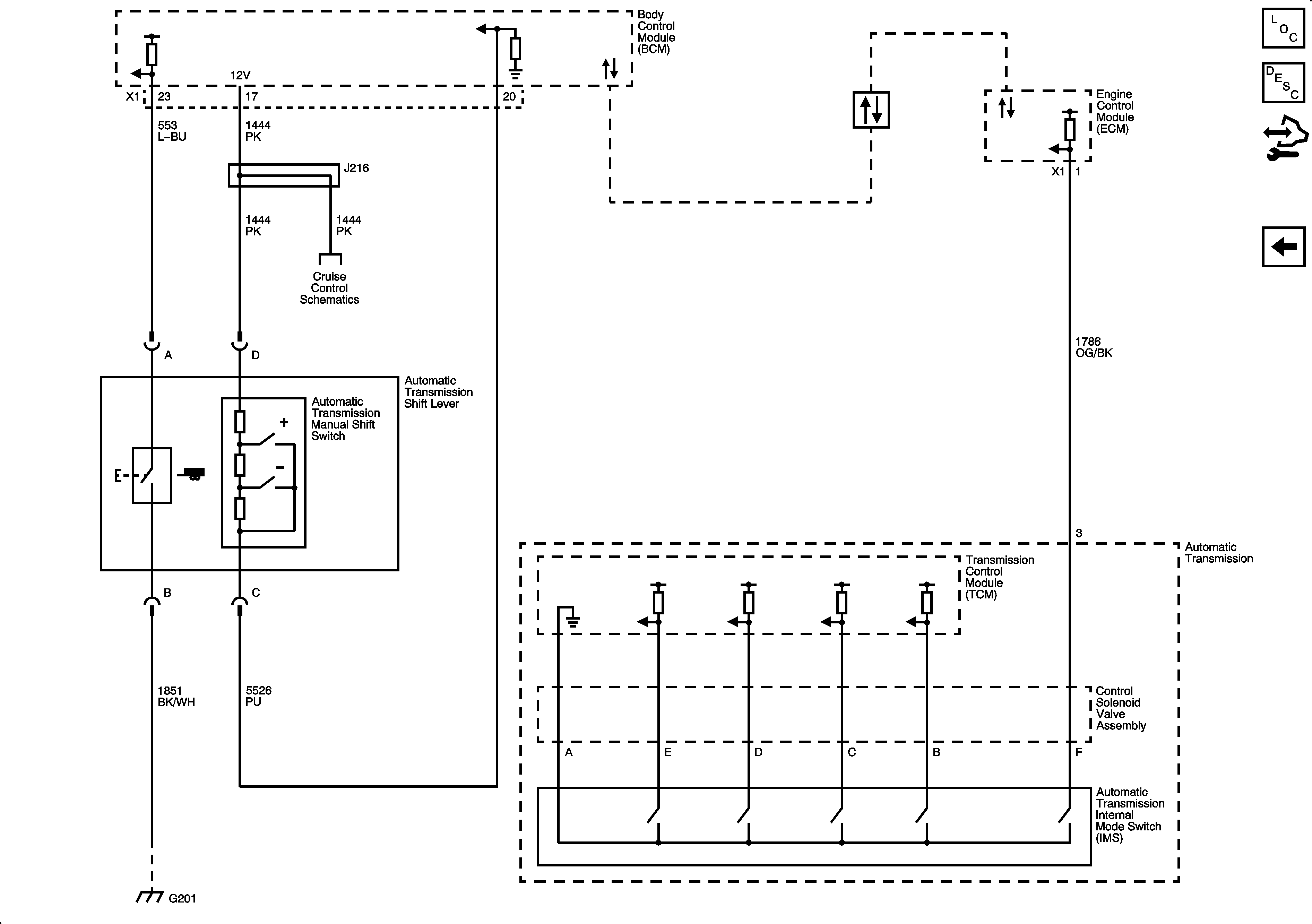
🢒 Transmission Range Signals and Driver Shift Request
Transmission Range Signals and Driver Shift Request
Transmission Range Signals and Driver Shift Request
Master Electrical Component List
Transmission Component and System Description
Control Module References
Pressure Controls - 2 of 2 and Speed Sensors
Cruise Control Schematics
Data Communication Schematics
G201