GM Service Manual Online
For 1990-2009 cars only
Makes
🢒
Cadillac
🢒
2008
🢒
Escalade EXT
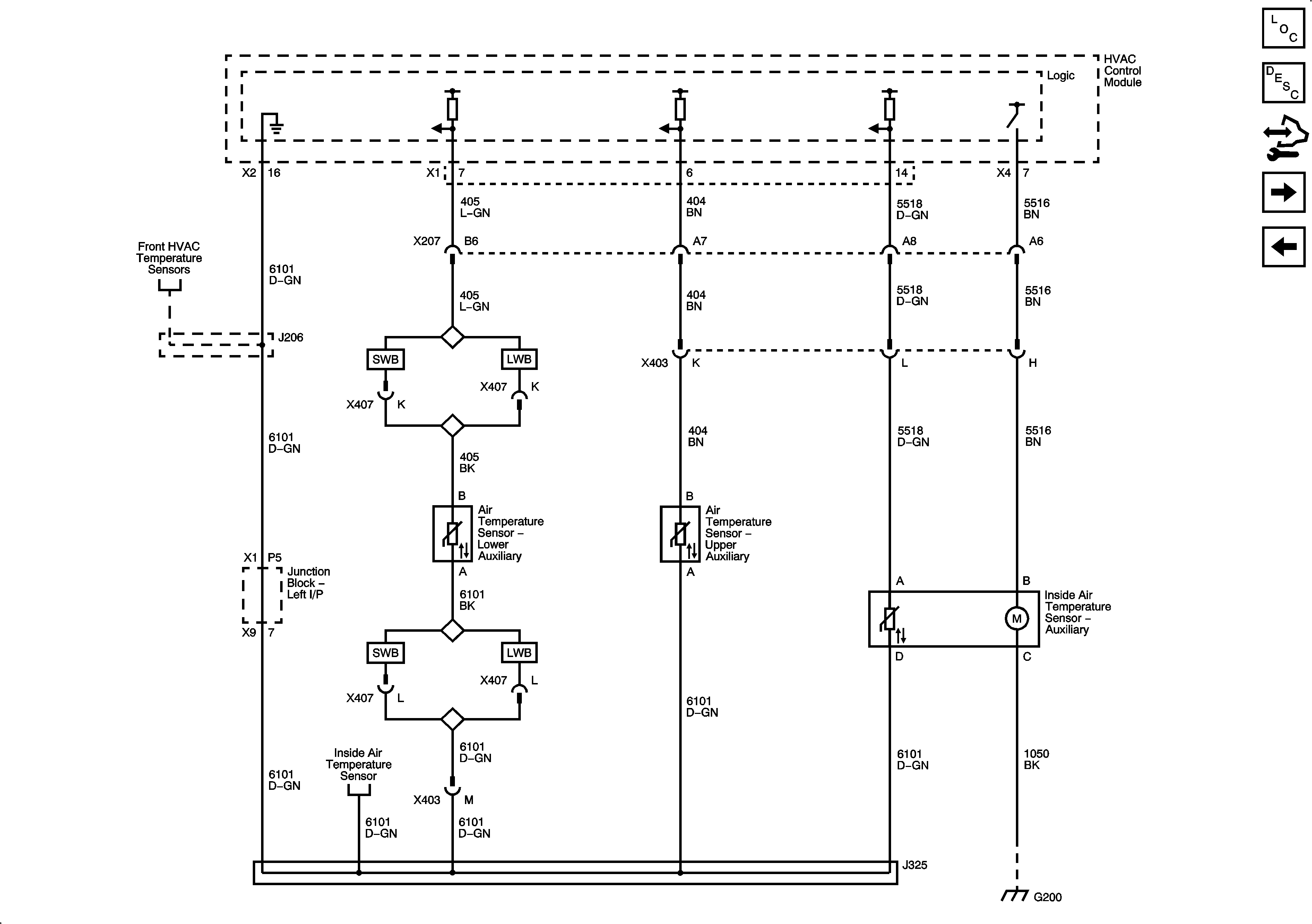
🢒 Auxiliary Temperature Sensors
Auxiliary Temperature Sensors
Auxiliary Temperature Sensors
Master Electrical Component List
Air Temperature Description and Operation
Control Module References
A/C Compressor Controls
Auxiliary Mode and Temperature Controls
Front Temperature Sensors
Front Temperature Sensors
G200 - 1 of 2