GM Service Manual Online
For 1990-2009 cars only
Makes
🢒
Cadillac
🢒
2008
🢒
Escalade EXT
🢒 Sensors - JD9 Under 8600 GVW
Sensors - JD9 Under 8600 GVW
Sensors - JD9 Under 8600 GVW
Master Electrical Component List
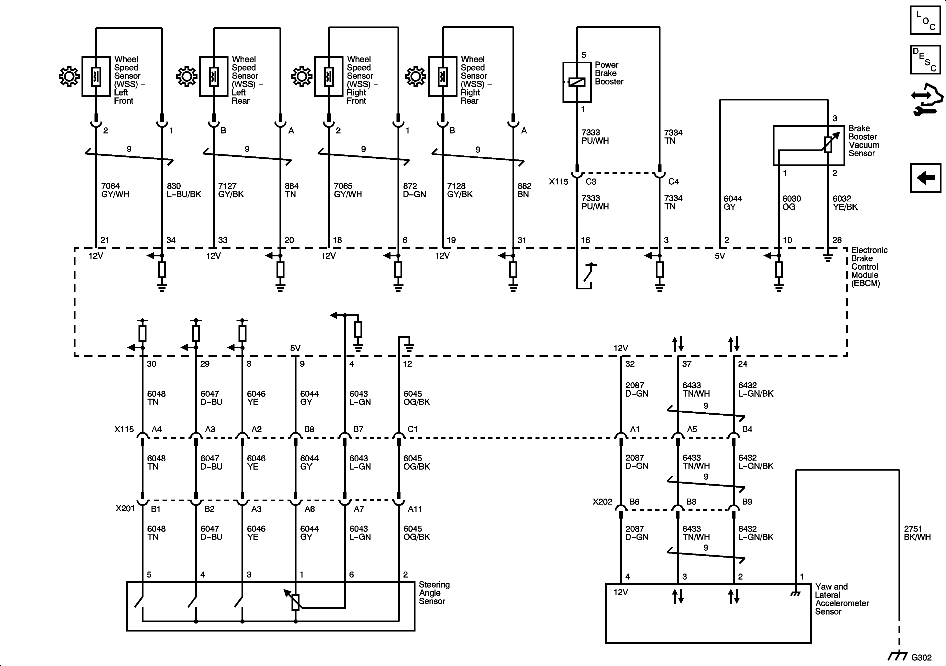
ABS Description and Operation
Control Module References
Module Power, Ground, and Serial Data, Pump Motor and Brake Switch - JD9 Under 8600 GVW
G300, G302, G311, G312, G313, and G314