GM Service Manual Online
For 1990-2009 cars only
Makes
🢒
Cadillac
🢒
2008
🢒
Escalade EXT
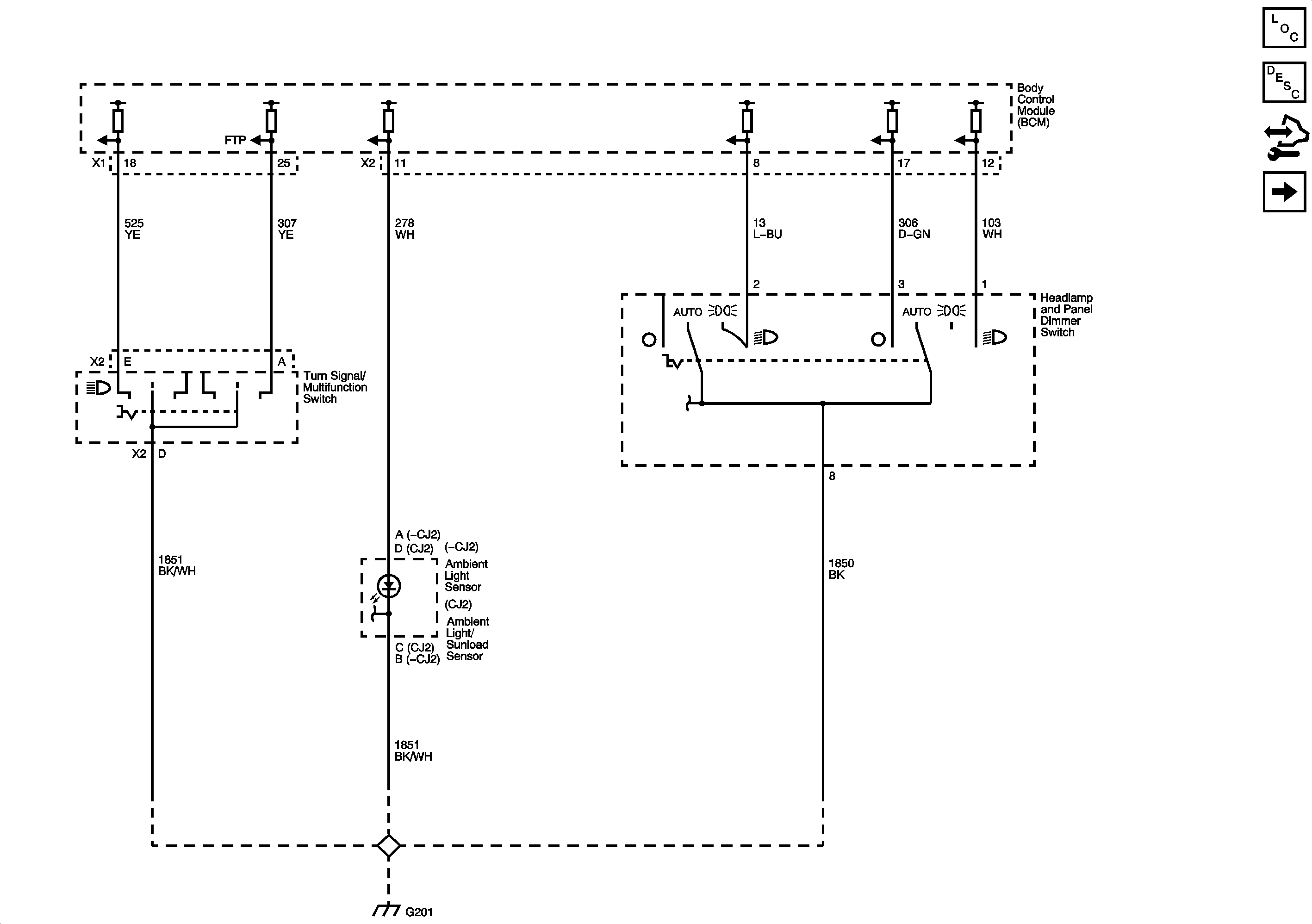
🢒 Headlamp and Daytime Running Lamp Controls
Headlamp and Daytime Running Lamp Controls
Headlamp and Daytime Running Lamp Controls
Master Electrical Component List
Exterior Lighting Systems Description and Operation
Control Module References
Low Beam and Daytime Running Lamps - X88 or Z88
G201