GM Service Manual Online
For 1990-2009 cars only
Makes
🢒
Cadillac
🢒
2008
🢒
Escalade EXT
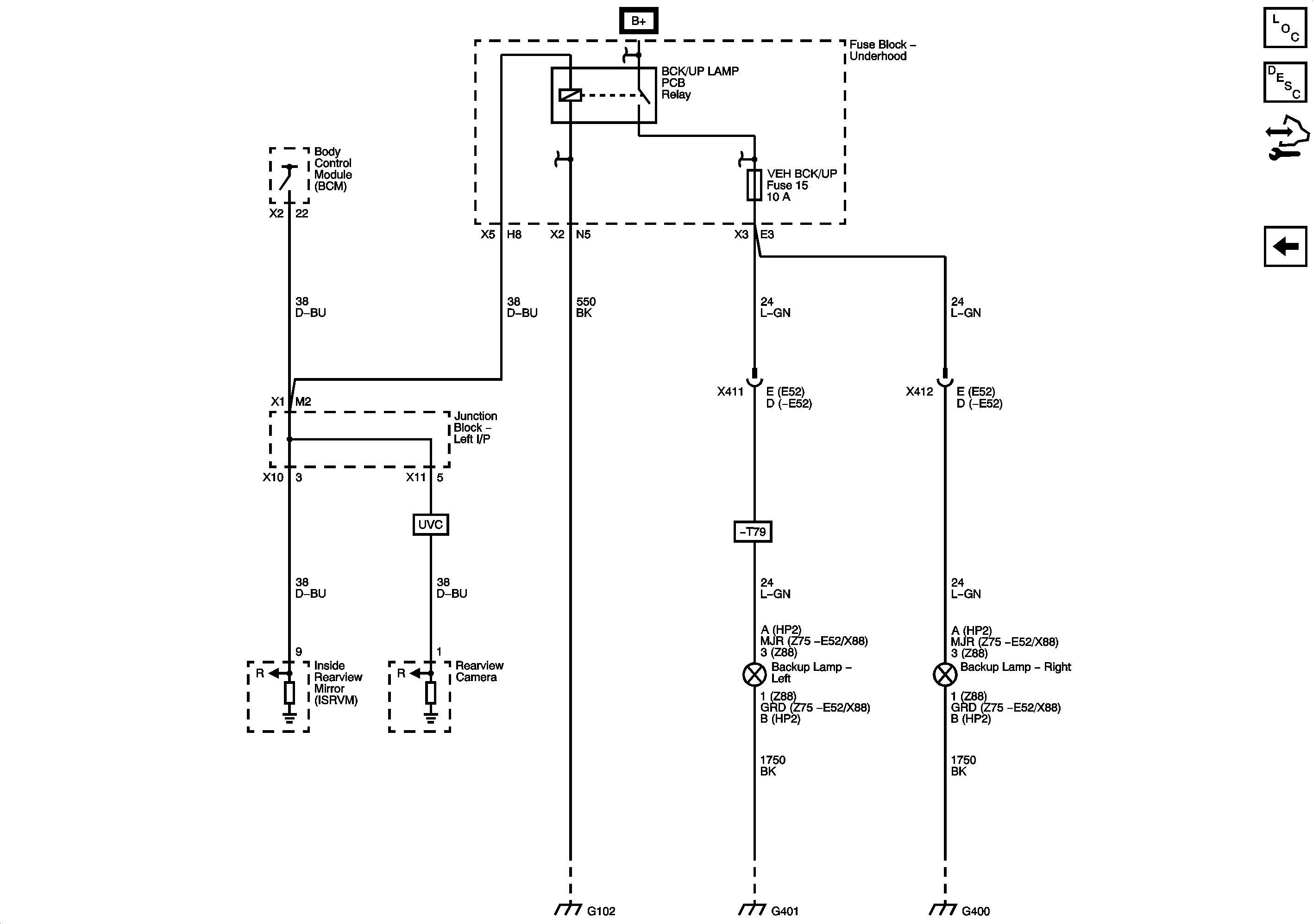
🢒 Backup Lamps
Backup Lamps
Backup Lamps
Master Electrical Component List
Exterior Lighting Systems Description and Operation
Control Module References
Stop Lamps - Domestic Z75
TRLR BCK/UP, TRLR STOP LT, TRLR STOP RT, and VEH BCK/UP Fuses
G102, G104, and G108
G401
G400