GM Service Manual Online
For 1990-2009 cars only
Makes
🢒
Cadillac
🢒
2008
🢒
Escalade EXT
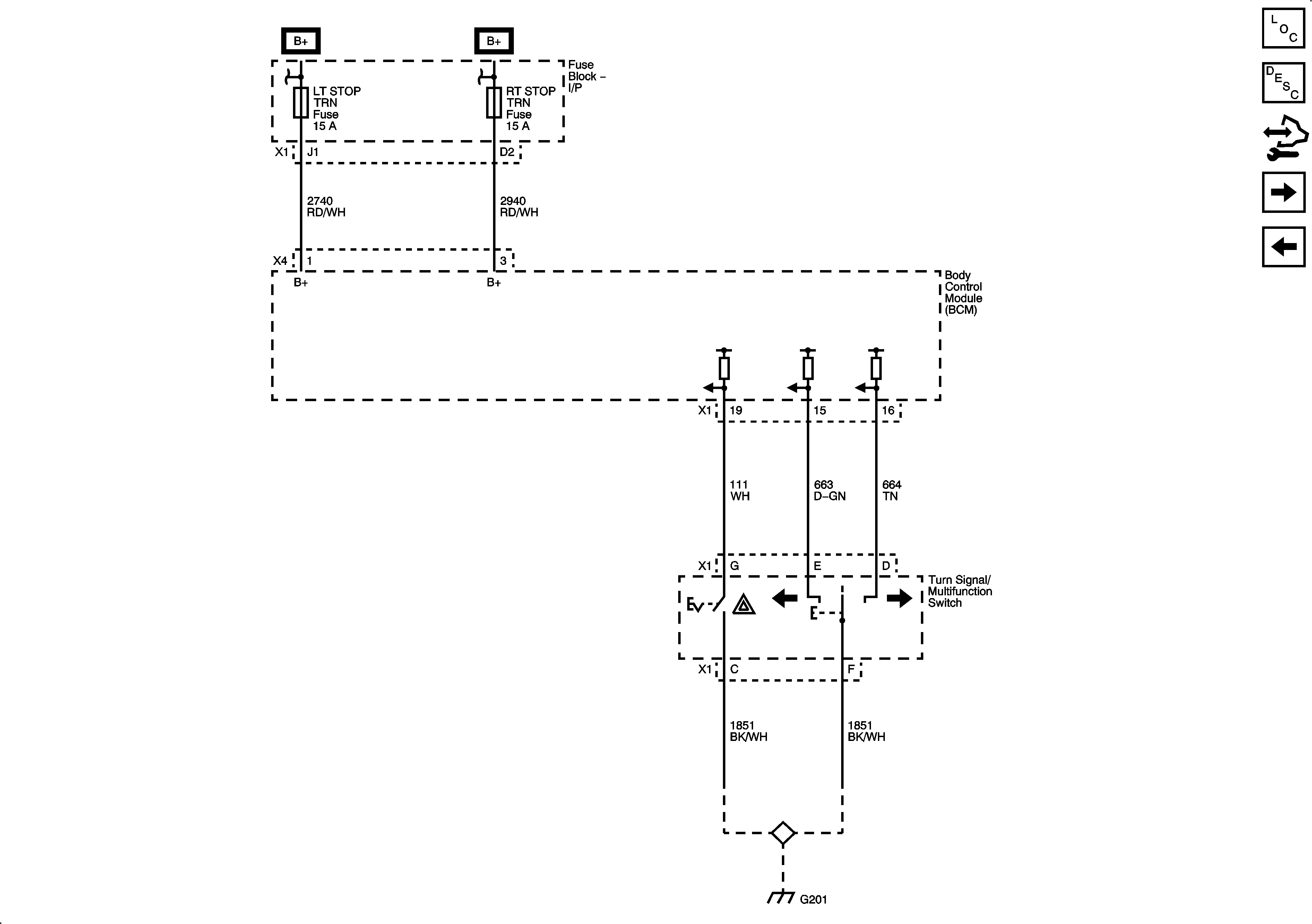
🢒 Turn Signal Controls
Turn Signal Controls
Turn Signal Controls
Master Electrical Component List
Exterior Lighting Systems Description and Operation
Control Module References
Front Turn Signal Lamps
Exterior Illumination Lamps
IS LAMPS, LT STOP TRN, OBS DET, REAR SEAT, and STOP LAMPS Fuses and LT DR Circuit Breaker
BCM, COOLED SEATS, CTSY, DDM, DIM, DSM, LBEC 1, MBEC 1, REAR HVAC, and RT STOP TRN Fuses and DRIVER SEAT 2, PASS SEAT 1, and RT DOORS Circuit Breakers
G201