GM Service Manual Online
For 1990-2009 cars only
Makes
🢒
Cadillac
🢒
2008
🢒
Escalade EXT
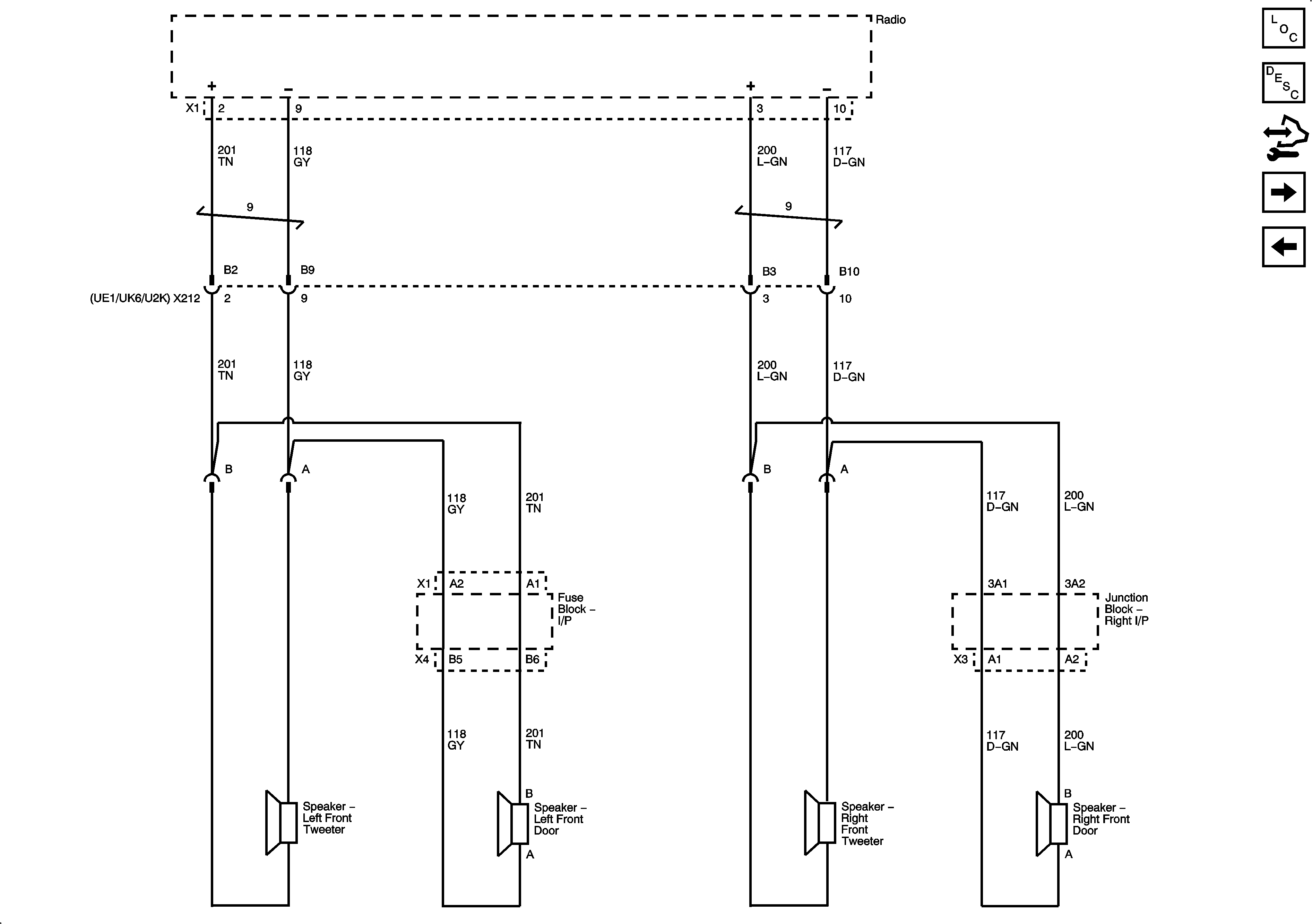
🢒 Front Speakers - UQ3
Front Speakers - UQ3
Front Speakers - UQ3
Master Electrical Component List
Radio/Audio System Description and Operation
Control Module References
Rear Speakers UQ3 Except UK6
Amplifier Inputs - UQA or UQS