GM Service Manual Online
For 1990-2009 cars only
Makes
🢒
Cadillac
🢒
2008
🢒
Escalade EXT
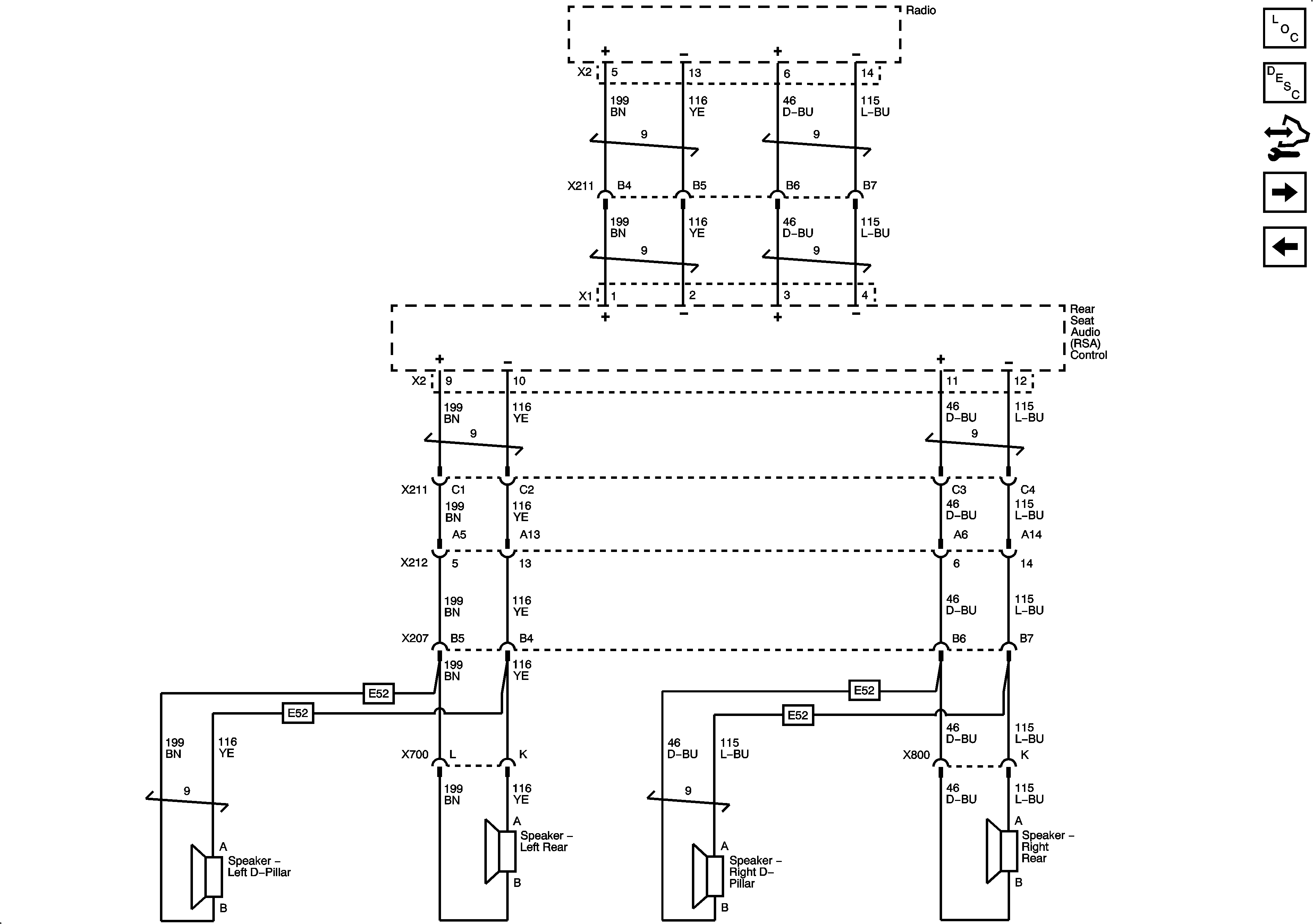
🢒 Rear Speakers - UQ3 with UK6
Rear Speakers - UQ3 with UK6
Rear Speakers - UQ3 with UK6
Master Electrical Component List
Radio/Audio System Description and Operation
Control Module References
Front Speakers - UQA or UQS
Rear Speakers UQ3 Except UK6