GM Service Manual Online
For 1990-2009 cars only
Makes
🢒
Cadillac
🢒
2008
🢒
Escalade EXT
🢒 Trailer Wiring - 1 of 2 (EXP) or 1 of 1 (without EXP)
Trailer Wiring - 1 of 2 (EXP) or 1 of 1 (without EXP)
Trailer Wiring - 1 of 2 (EXP) or 1 of 1 (without EXP)
Master Electrical Component List
Control Module References
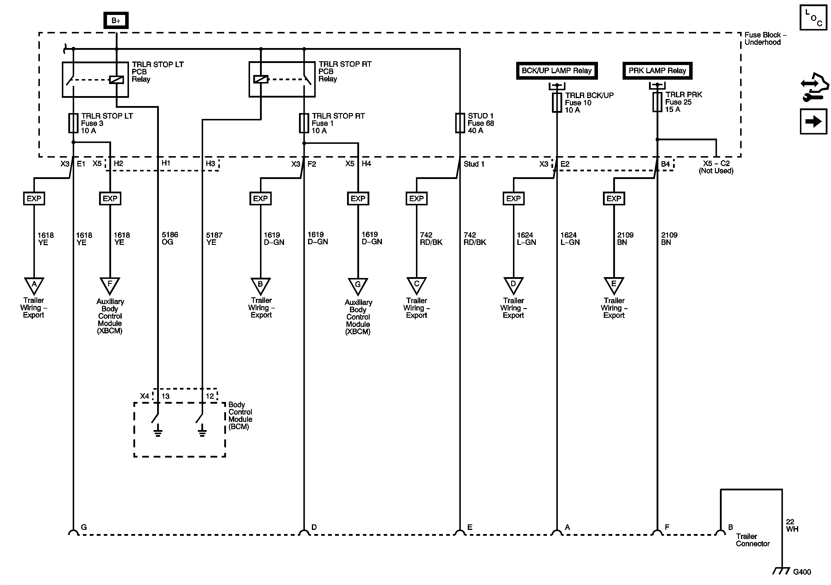
Trailer Wiring - 2 of 2 (EXP)
TRLR BCK/UP, TRLR STOP LT, TRLR STOP RT, and VEH BCK/UP Fuses
TRLR BCK/UP, TRLR STOP LT, TRLR STOP RT, and VEH BCK/UP Fuses
ABS-1, ABS 2, HEAVY DUTY ABS, HVAC BLWR, STUD 1, STUD 2, and WFHS Fuses
TRLR BCK/UP, TRLR STOP LT, TRLR STOP RT, and VEH BCK/UP Fuses
LT PRK Fuse
Trailer Wiring - 2 of 2 (EXP)
Trailer Wiring - 2 of 2 (EXP)
Trailer Wiring - 2 of 2 (EXP)
Trailer Wiring - 2 of 2 (EXP)
Trailer Wiring - 2 of 2 (EXP)
Trailer Wiring - 2 of 2 (EXP)
Trailer Wiring - 2 of 2 (EXP)
G400