GM Service Manual Online
For 1990-2009 cars only
Makes
🢒
Cadillac
🢒
2008
🢒
Escalade EXT
🢒 Main Power Contactors
Main Power Contactors
Main Power Contactors
Master Electrical Component List
Drive Motor Generator Control Module Description and Operation
Control Module References
Drive Motor Generator Power Inverter Module Power and Data Communication, High Voltage A/C Compressor Control
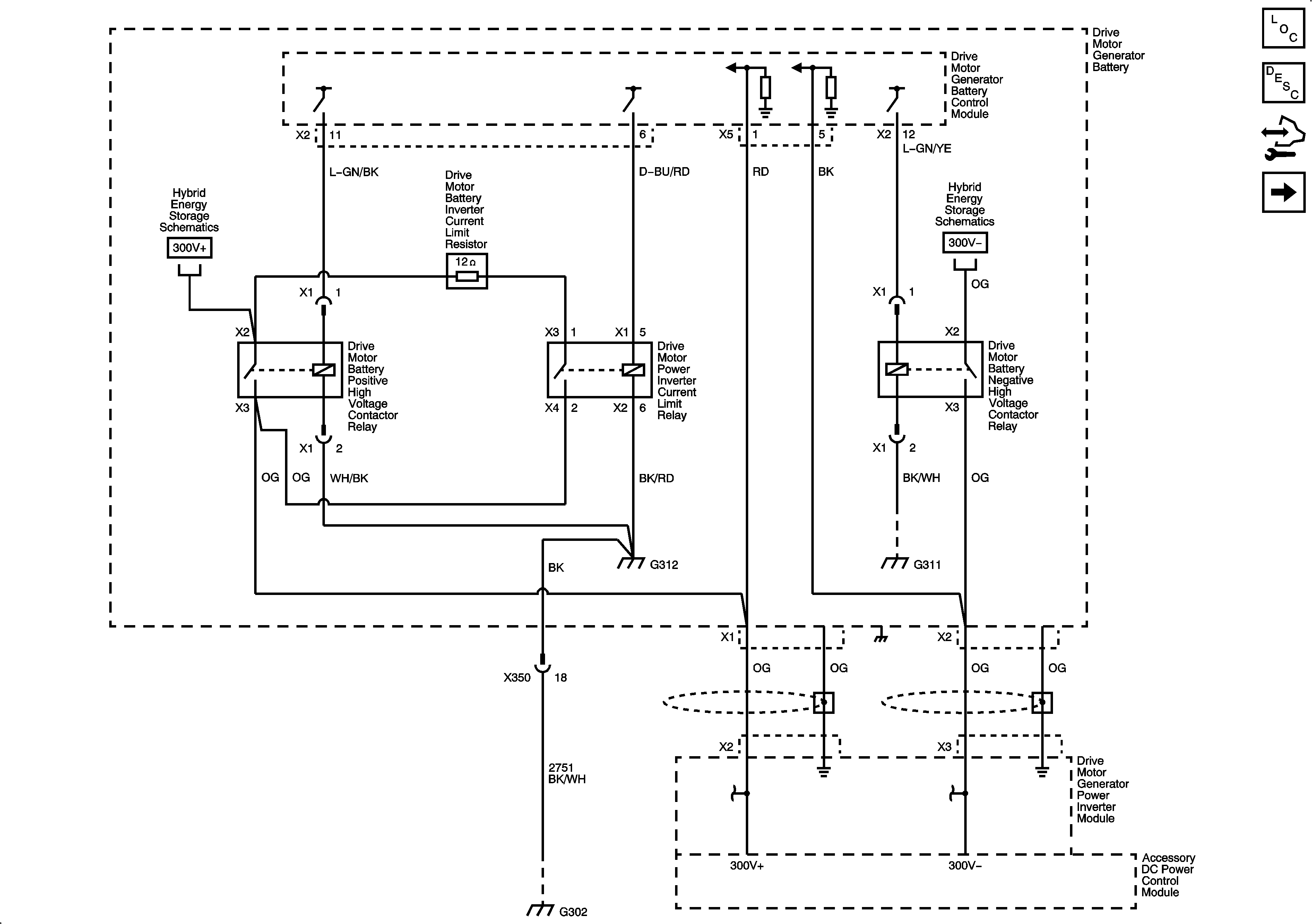
Main Power Contactors
Main Power Contactors
G300, G302, G311, G312, G313, and G314
G300, G302, G311, G312, G313, and G314
G300, G302, G311, G312, G313, and G314