GM Service Manual Online
For 1990-2009 cars only
Makes
🢒
Cadillac
🢒
2008
🢒
Escalade EXT
🢒 Engine Cooling (HP2)
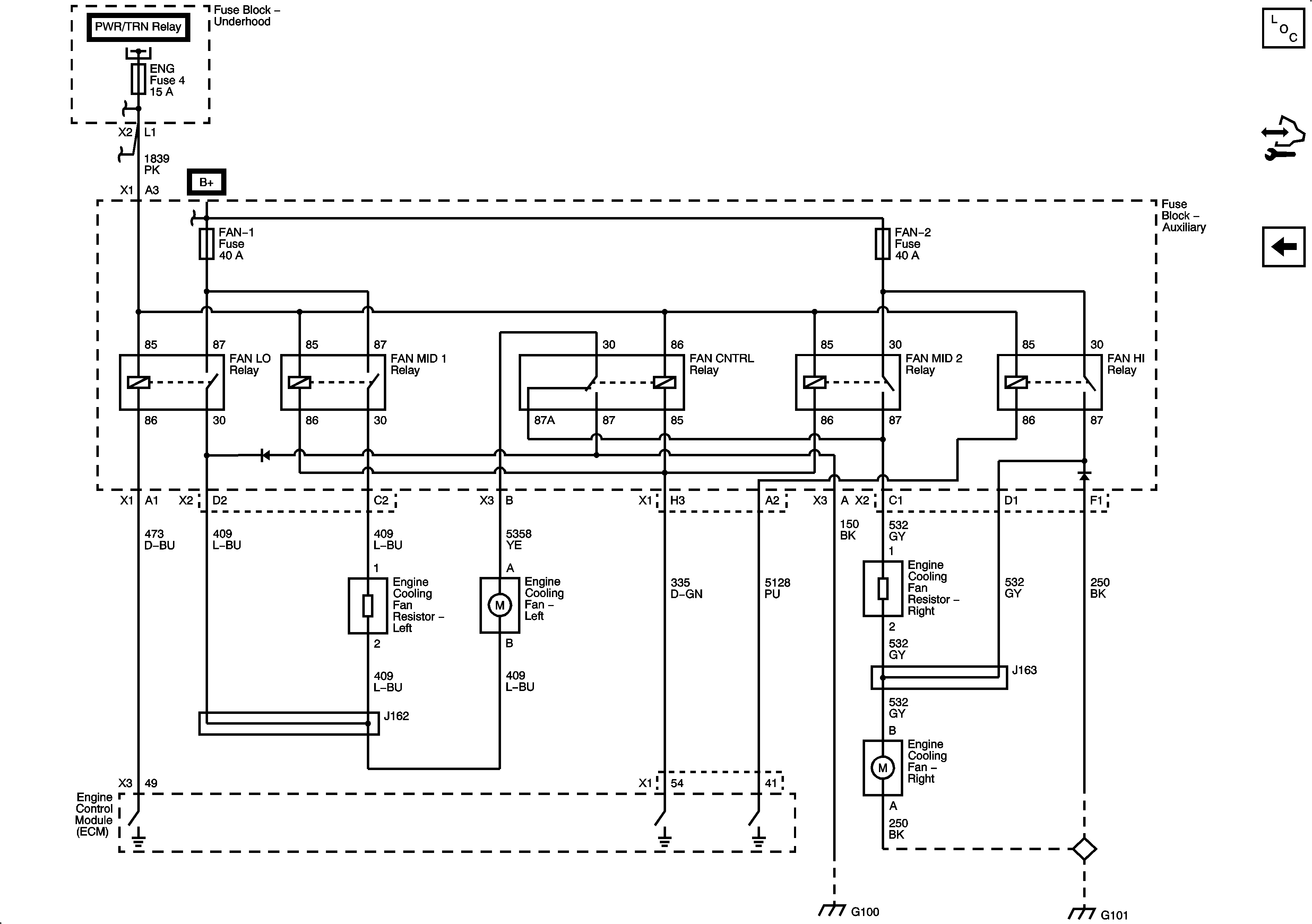
Engine Cooling (HP2)
HP2
Master Electrical Component List
Cooling Fan Description and Operation w/ LFA
Control Module References
Engine Cooling Schematics (Except HP2)