GM Service Manual Online
For 1990-2009 cars only
Makes
🢒
Cadillac
🢒
2008
🢒
Escalade EXT
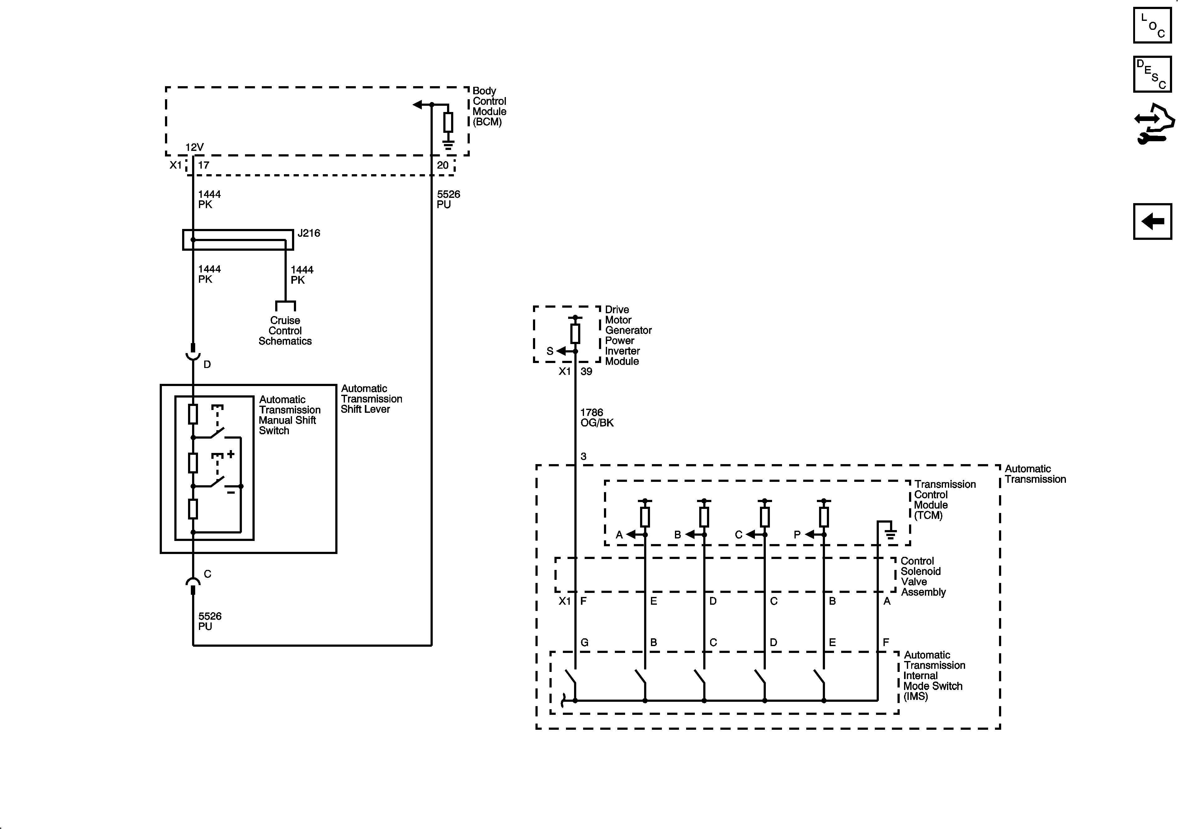
🢒 Transmission Range Signals
Transmission Range Signals
Transmission Range Signals
Master Electrical Component List
Control Module References
Pressure Controls - 2 of 2 and Output Speed Sensor (OSS)
Cruise Control Schematics