GM Service Manual Online
For 1990-2009 cars only
Makes
🢒
Cadillac
🢒
2008
🢒
Escalade EXT
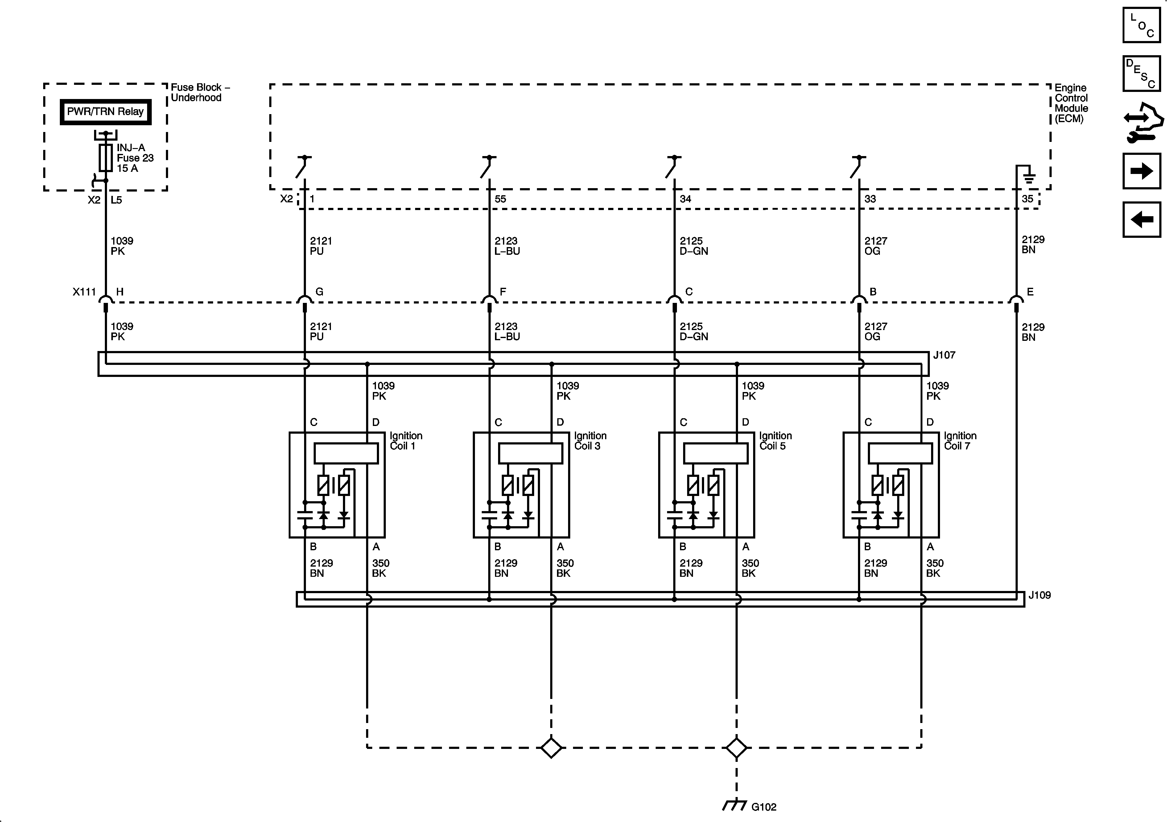
🢒 Ignition Controls - Ignition System Coils 1, 3, 5, and 7
Ignition Controls - Ignition System Coils 1, 3, 5, and 7
Ignition Controls - Ignition System Coils - 1, 3, 5, and 7
Master Electrical Component List
Electronic Ignition (EI) System Description
Control Module References
Ignition Controls - Ignition System Coils 2, 4, 6, and 8
Engine Data Sensors - Throttle Controls
PWR/TRN Bus - INJ-A and INJ-B Fuses