GM Service Manual Online
For 1990-2009 cars only
Makes
🢒
Cadillac
🢒
2008
🢒
Escalade EXT
🢒 Fuel Controls - EVAP Controls
Fuel Controls - EVAP Controls
Fuel Controls - EVAP Controls
Master Electrical Component List
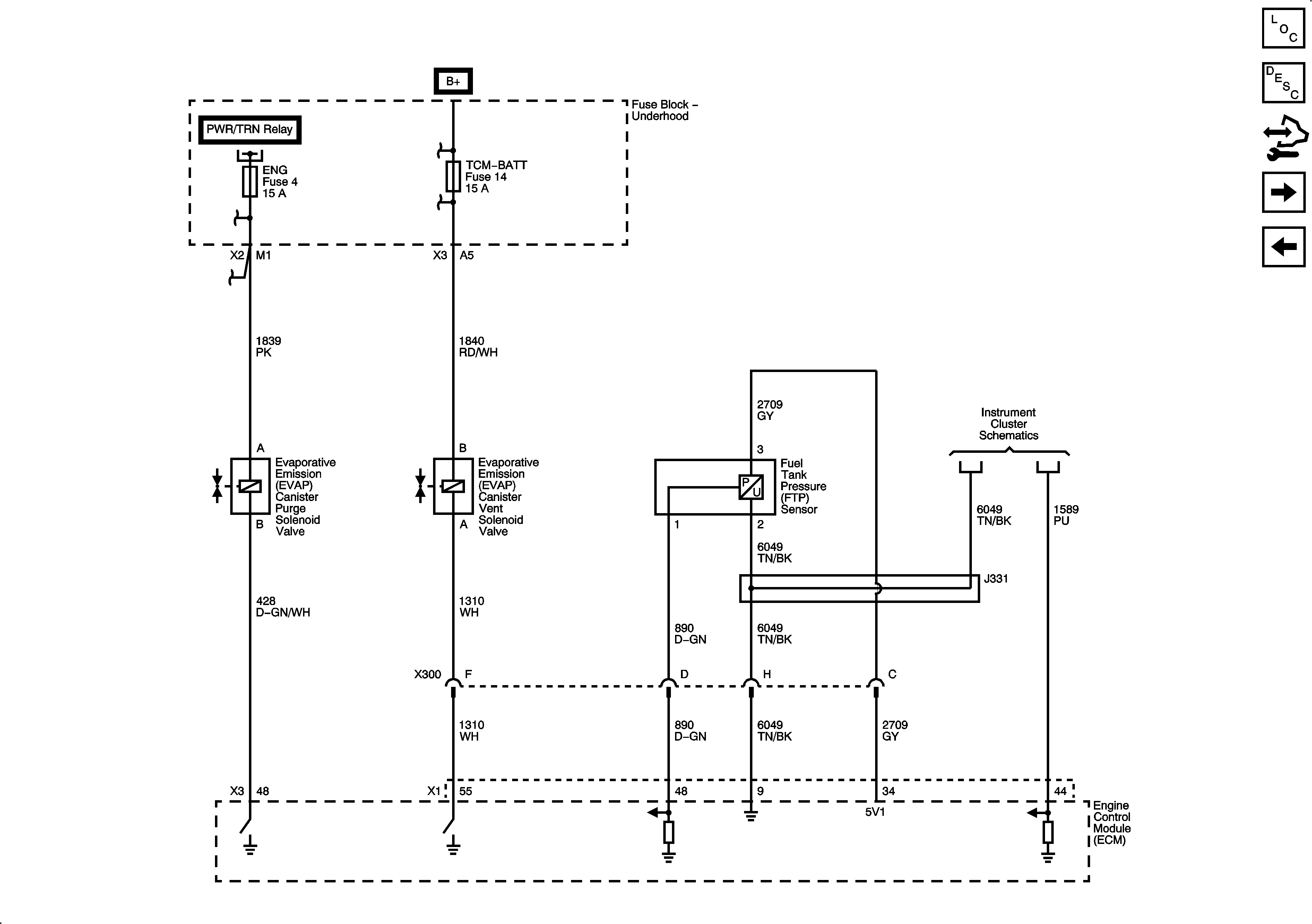
Evaporative Emission Control System Description
Control Module References
Controlled/Monitored Subsystem References
Fuel Controls - Fuel Injectors
PWR/TRN Bus - ECM/THROT CONT, ENG, O2-A SNSR, and O2-B SNSR Fuses
ECM-BATT, HEADLAMP WASH, HVAC BATT, IPC, LTR, S/ROOF, and TCM-BATT Fuses
Gages