GM Service Manual Online
For 1990-2009 cars only
Makes
🢒
Cadillac
🢒
2008
🢒
Escalade EXT
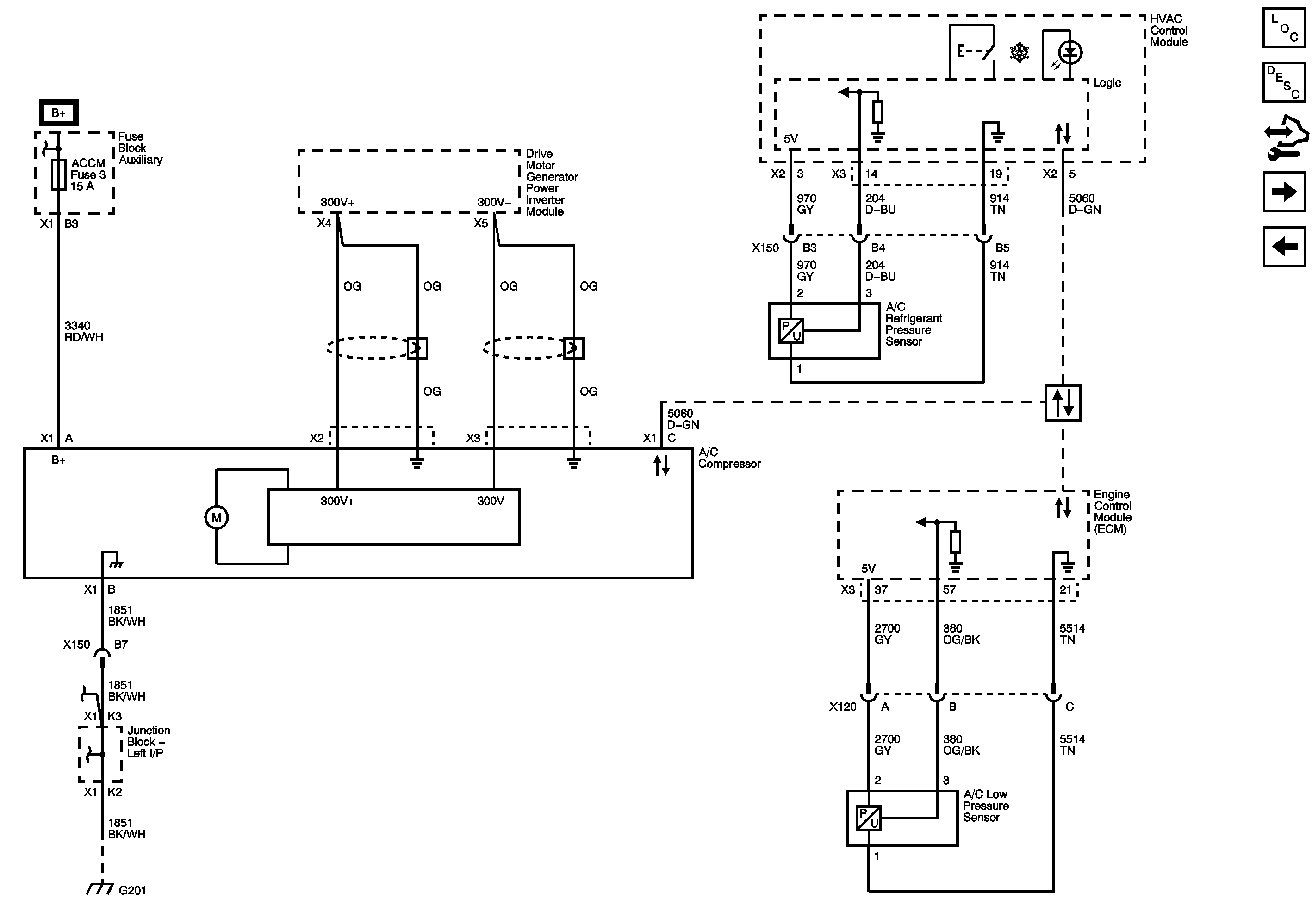
🢒 A/C Compressor Controls (HP2)
A/C Compressor Controls (HP2)
A/C Compressor Controls (HP2)
Master Electrical Component List
Air Temperature Description and Operation
Control Module References
A/C Compressor Controls
ACCM, ACPO, BECM, BECM FAN, CAB HTR PUMP, COOL PUMP, EPS, PIM 1 and PIM 2 Fuses
G201
Data Communication Schematics