GM Service Manual Online
For 1990-2009 cars only
Makes
🢒
Cadillac
🢒
2008
🢒
Escalade EXT
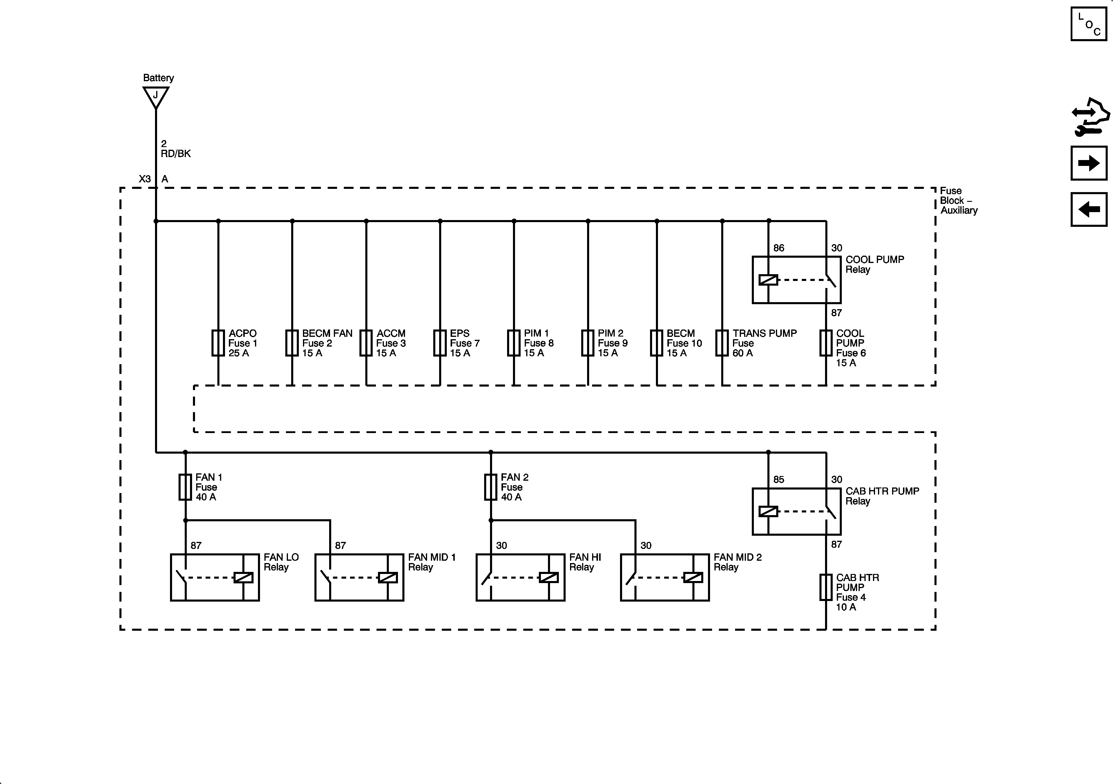
🢒 Fuse Block - Auxiliary B+ Bus
Fuse Block - Auxiliary B+ Bus
Fuse Block - Auxiliary B+ Bus
B+ Bus - 1 of 3