GM Service Manual Online
For 1990-2009 cars only
Makes
🢒
Cadillac
🢒
2008
🢒
Escalade EXT
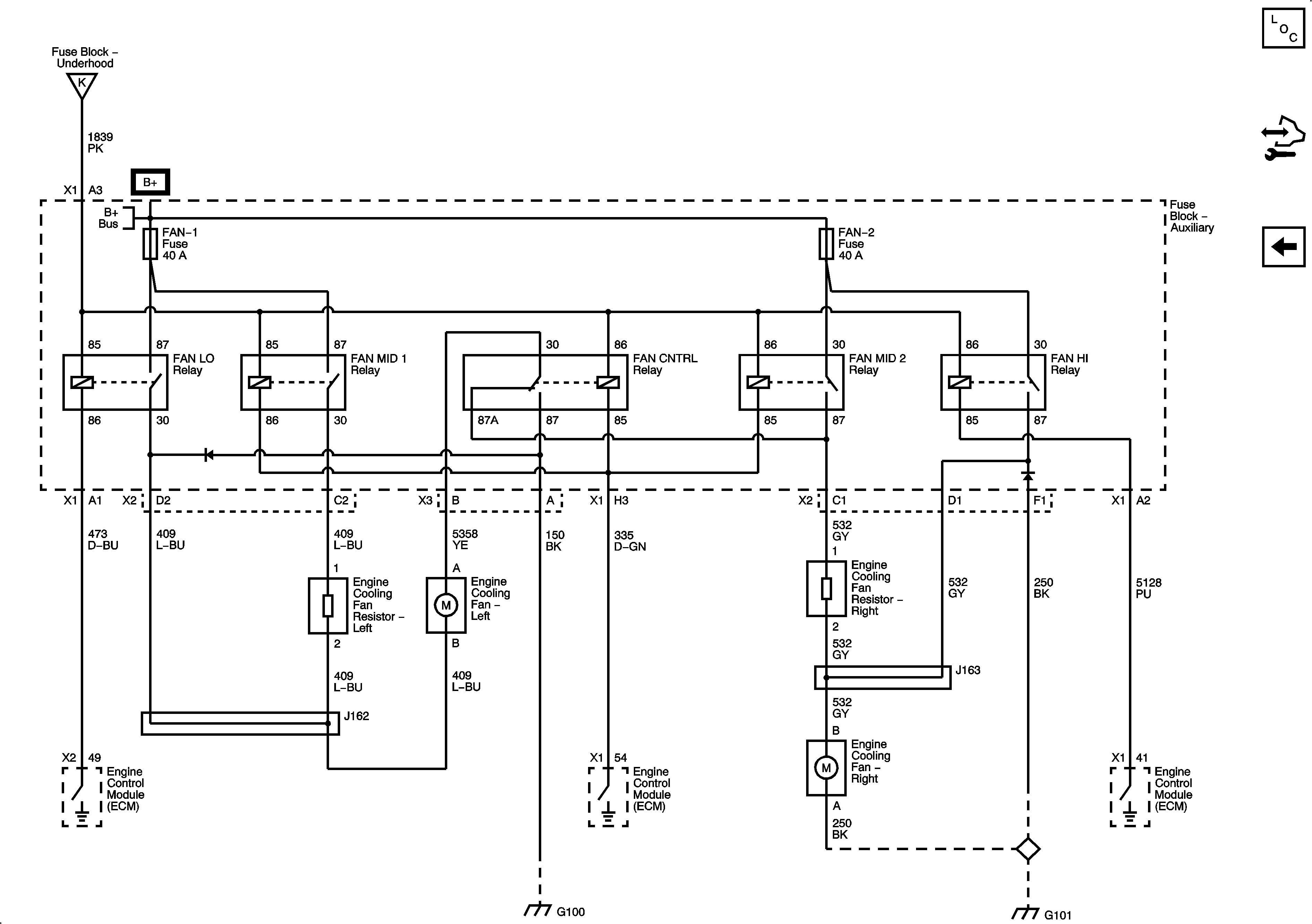
🢒 FAN 1 and FAN 2 Fuses
FAN 1 and FAN 2 Fuses
FAN 1 and FAN 2 Fuses
PWR/TRN Bus - ECM/THROT CONT, ENG, O2-A SNSR, and O2-B SNSR Fuses
G100
G101