GM Service Manual Online
For 1990-2009 cars only
Makes
🢒
Cadillac
🢒
2008
🢒
Escalade EXT
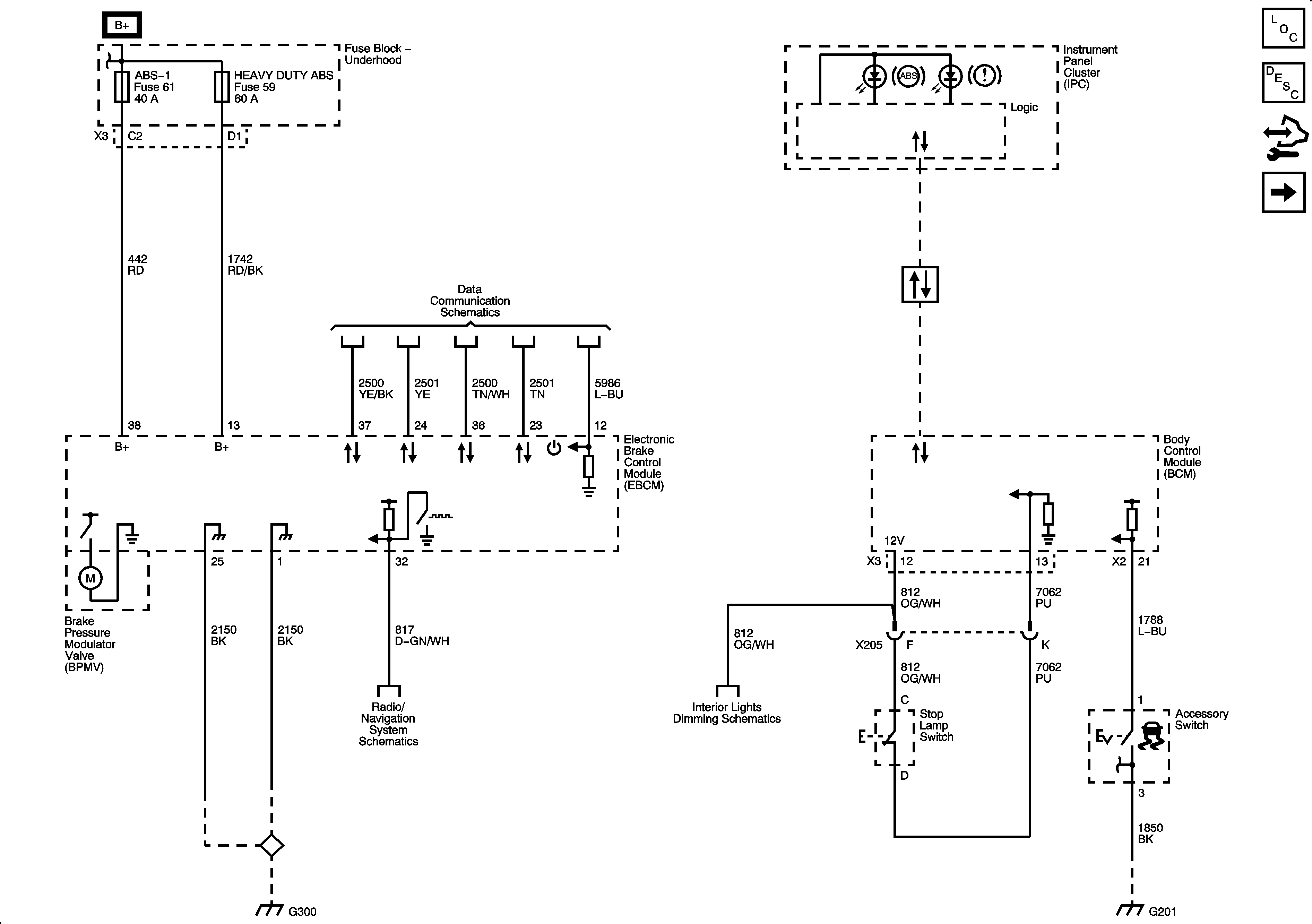
🢒 Module Power, Ground and Serial Data, Pump Motor and Brake Switch - JH6 Over 8600 GVW
Module Power, Ground and Serial Data, Pump Motor and Brake Switch - JH6 Over 8600 GVW
Module Power, Ground, and Serial Data, Pump Motor and Brake Switch - JH6 Over 8600 GVW
Master Electrical Component List
ABS Description and Operation W JH6
Control Module References
JH6 Over 8600 GVW