GM Service Manual Online
For 1990-2009 cars only
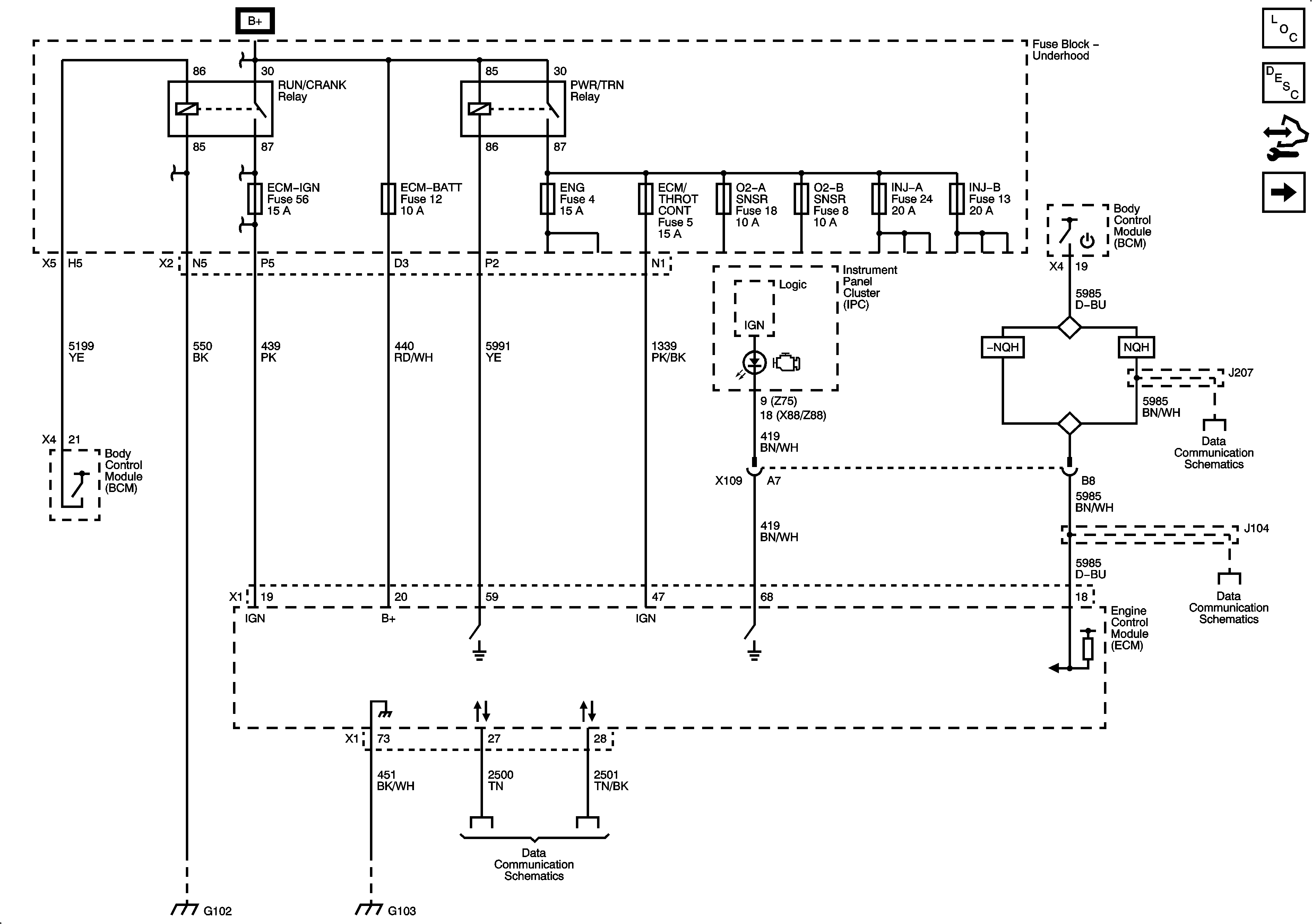
Figure 1:

Module Power, Ground, Serial Data, and MIL


Object Number: 2074716  Size: FS
Figure 2:

Engine Data Sensors - 5-Volt and Low Reference


Object Number: 2074718  Size: FS
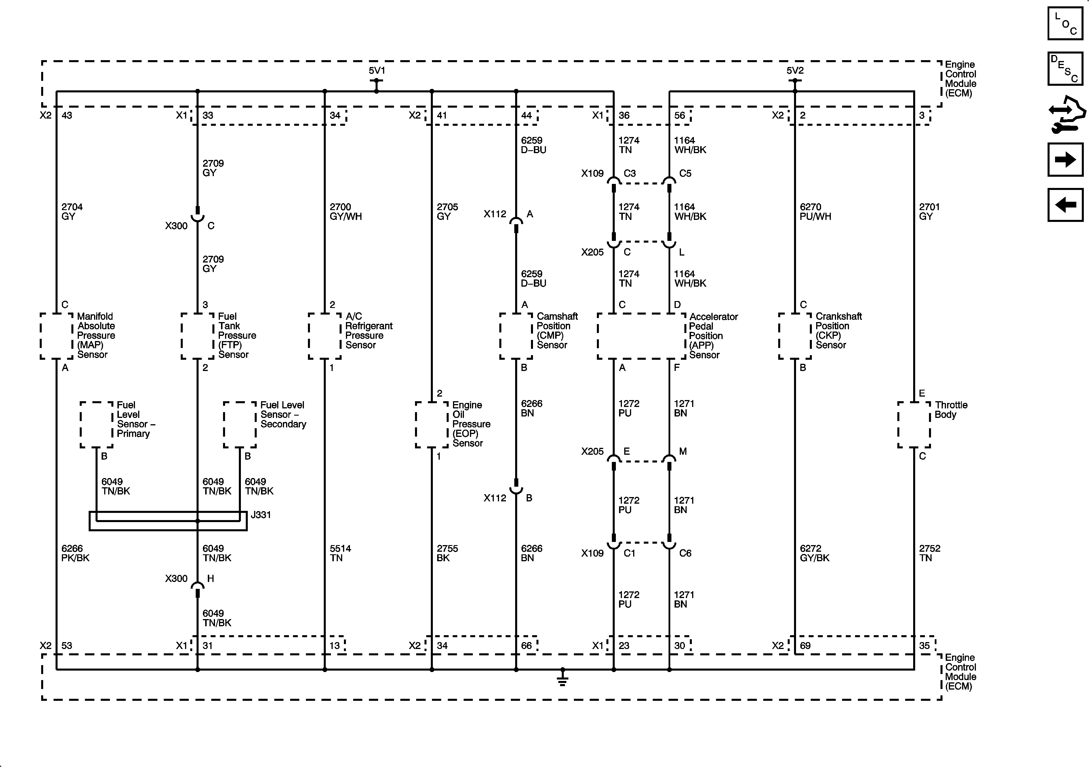
Figure 3:

Engine Data Sensors - Pressure and Temperature


Object Number: 2074720  Size: FS
Figure 4:

Engine Data Sensors - Oxygen Sensors


Object Number: 2074722  Size: FS
Figure 5:

Engine Data Sensors - Throttle Controls


Object Number: 2074725  Size: FS
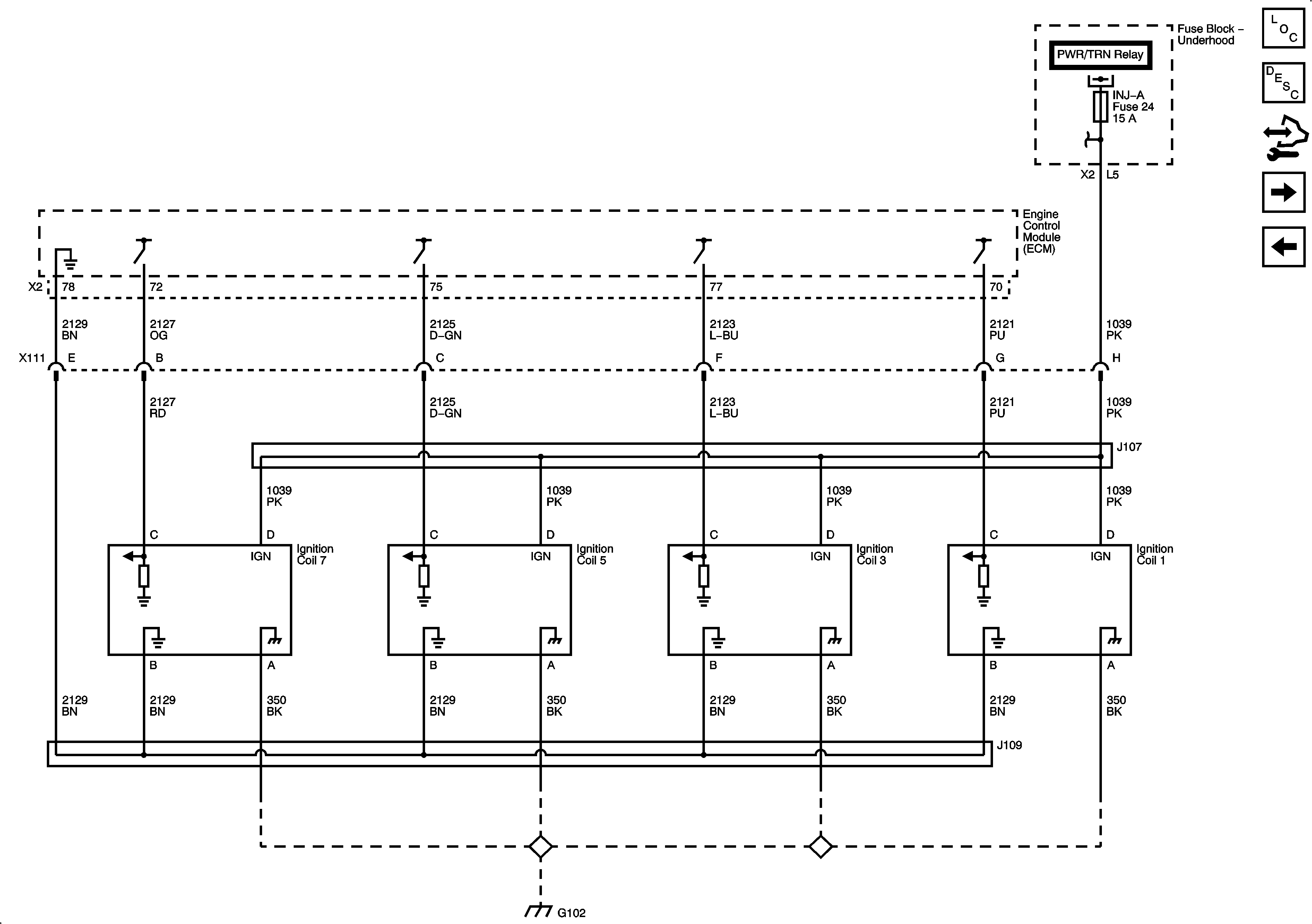
Figure 6:

Ignition Controls - Ignition System Coils 1, 3, 5, and 7


Object Number: 2074918  Size: FS
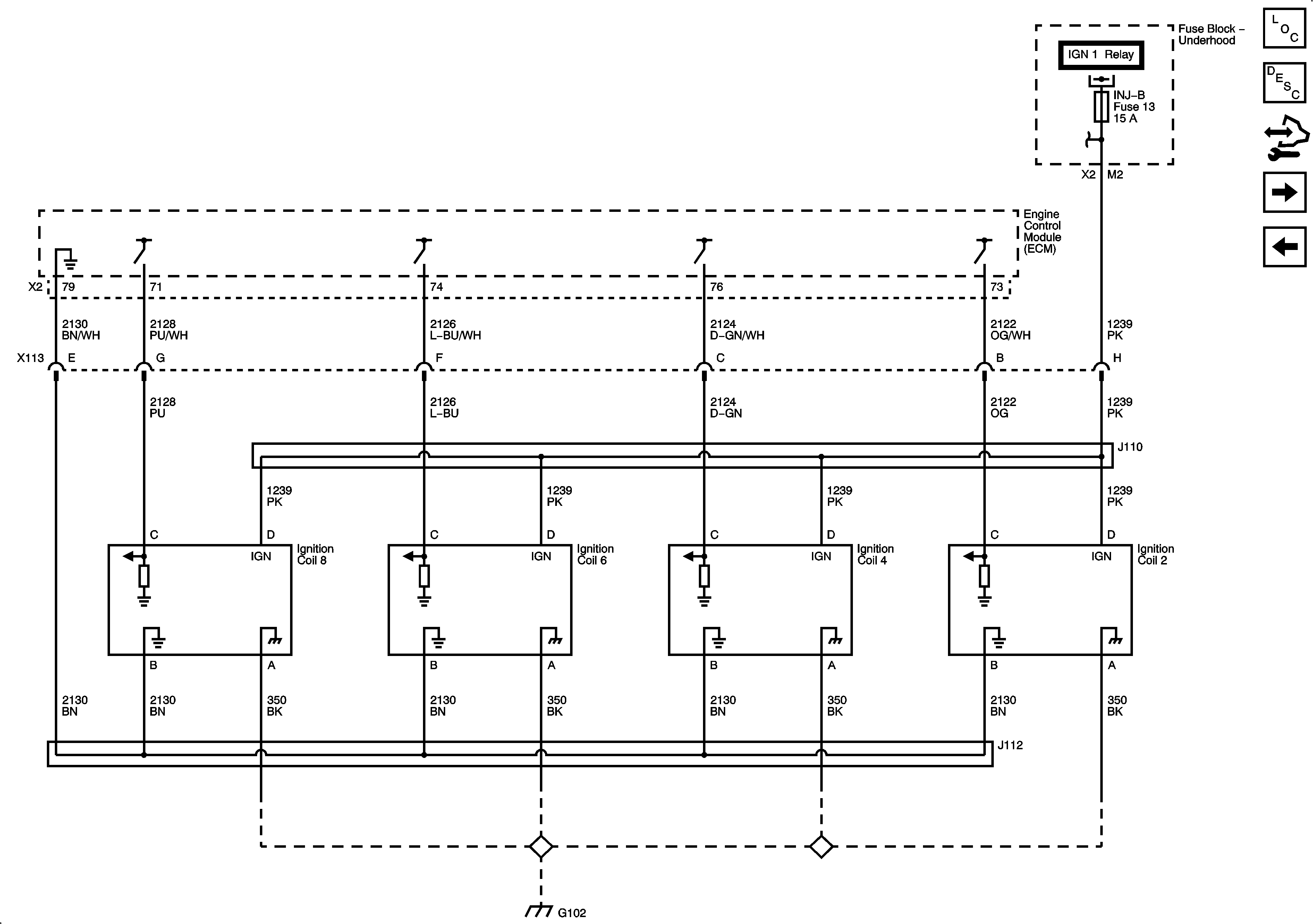
Figure 7:

Ignition Controls - Ignition System Coils 2, 4, 6, and 8


Object Number: 2074920  Size: FS
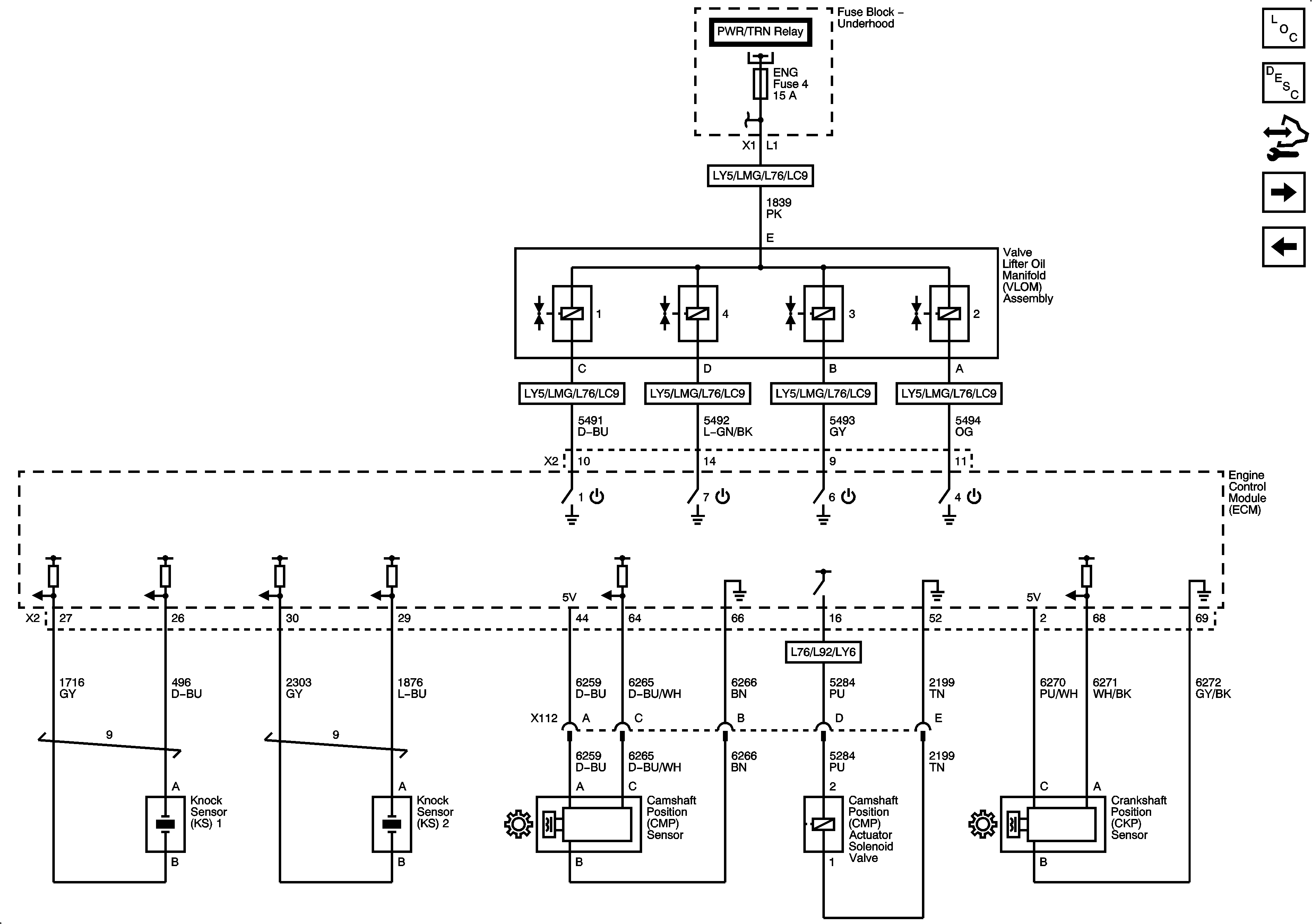
Figure 8:

Ignition Controls - Sensors and Active Fuel Management (AFM) Controls


Object Number: 2074925  Size: FS
Figure 9:

Fuel Controls - Fuel Pump Controls (LY6)


Object Number: 2074929  Size: FS
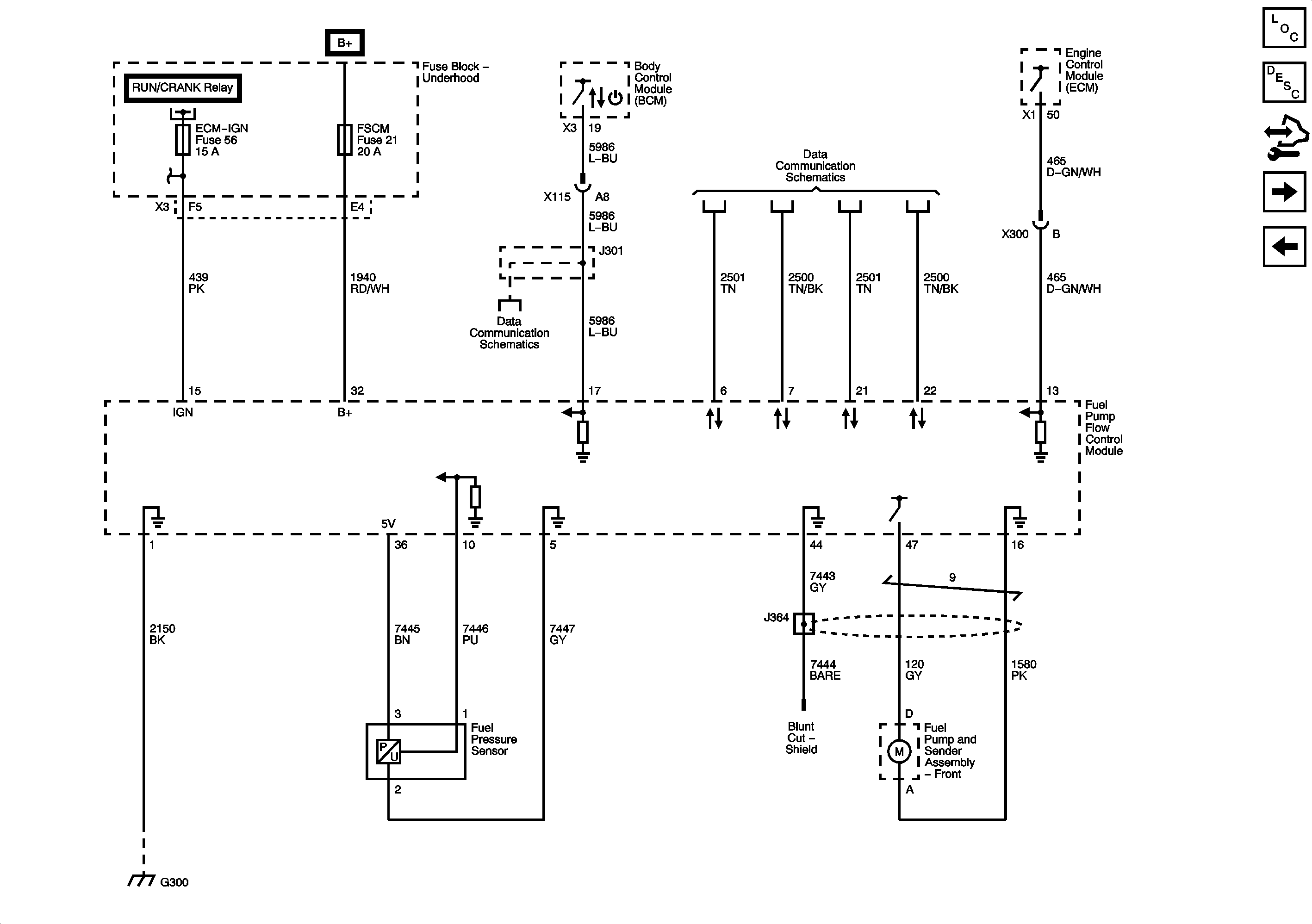
Figure 10:

Fuel Pump Flow Control Module (except LY6)


Object Number: 2074933  Size: FS
Figure 11:

Fuel Controls - Fuel Injectors


Object Number: 2074937  Size: FS
Figure 12:

Fuel Controls - EVAP Controls


Object Number: 2074939  Size: FS
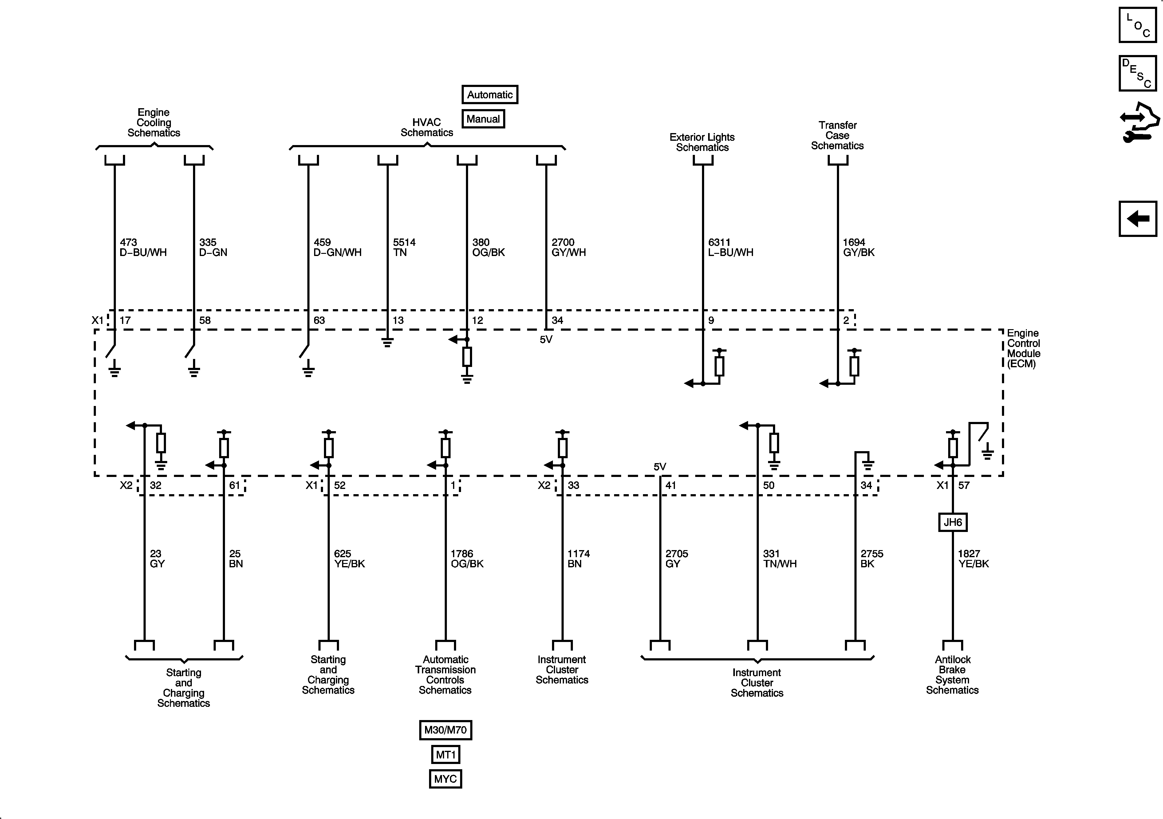
Figure 13:

Controlled/Monitored Subsystem References


Object Number: 2074951  Size: FS