GM Service Manual Online
For 1990-2009 cars only

Removal Procedure


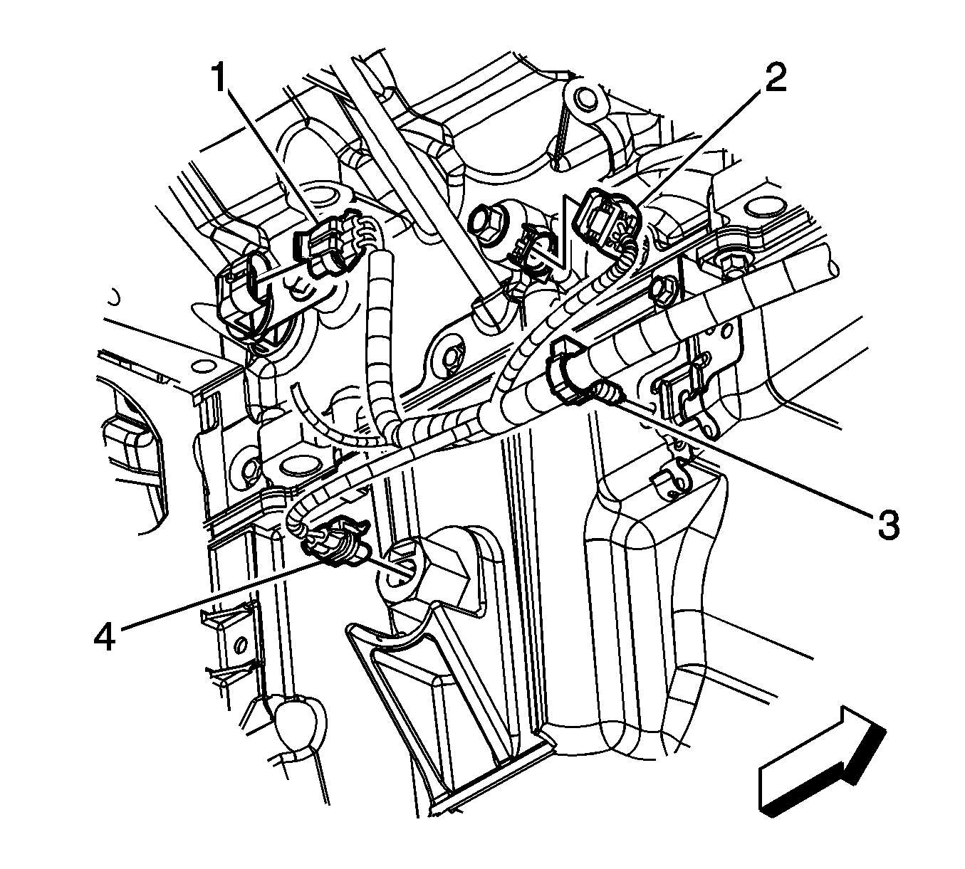
    Object Number: 1698087  Size: SH
  1. Lift and support the vehicle. Refer to Lifting and Jacking the Vehicle.
  2. Disconnect the engine wiring harness electrical connector (2) from knock sensor.

  3. Object Number: 1402140  Size: SH
  4. Remove the knock sensor bolt (739) and knock sensor (718).

Installation Procedure

    Caution: Refer to Fastener Caution in the Preface section.


    Object Number: 1402140  Size: SH
  1. Position the knock sensor (718) to the engine block and install the knock sensor bolt (739). Tighten the bolt to 25 N·m (18 lb ft)

  2. Object Number: 1698087  Size: SH
  3. Connect the engine wiring harness electrical connector (2) to knock sensor.