GM Service Manual Online
For 1990-2009 cars only
Makes
🢒
Cadillac
🢒
2009
🢒
Escalade EXT
🢒
Engine
🢒
Engine Cooling
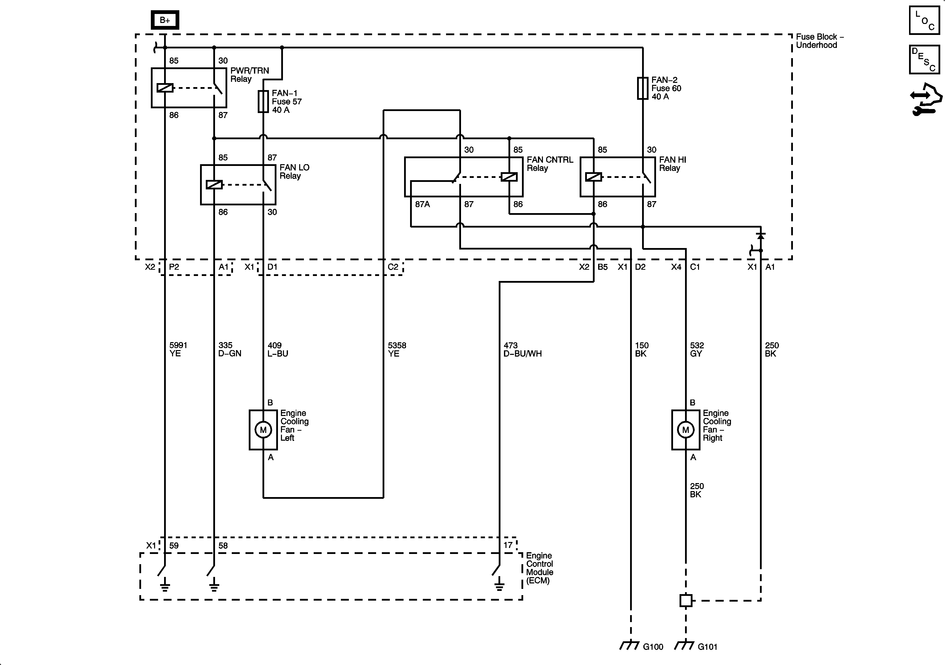
🢒 Engine Cooling Schematics
Figure
1:
Except HP2
Figure
2:
HP2