GM Service Manual Online
For 1990-2009 cars only
Figure 1:

Heated Seat- Driver - Except KB6


Object Number: 2075585  Size: FS
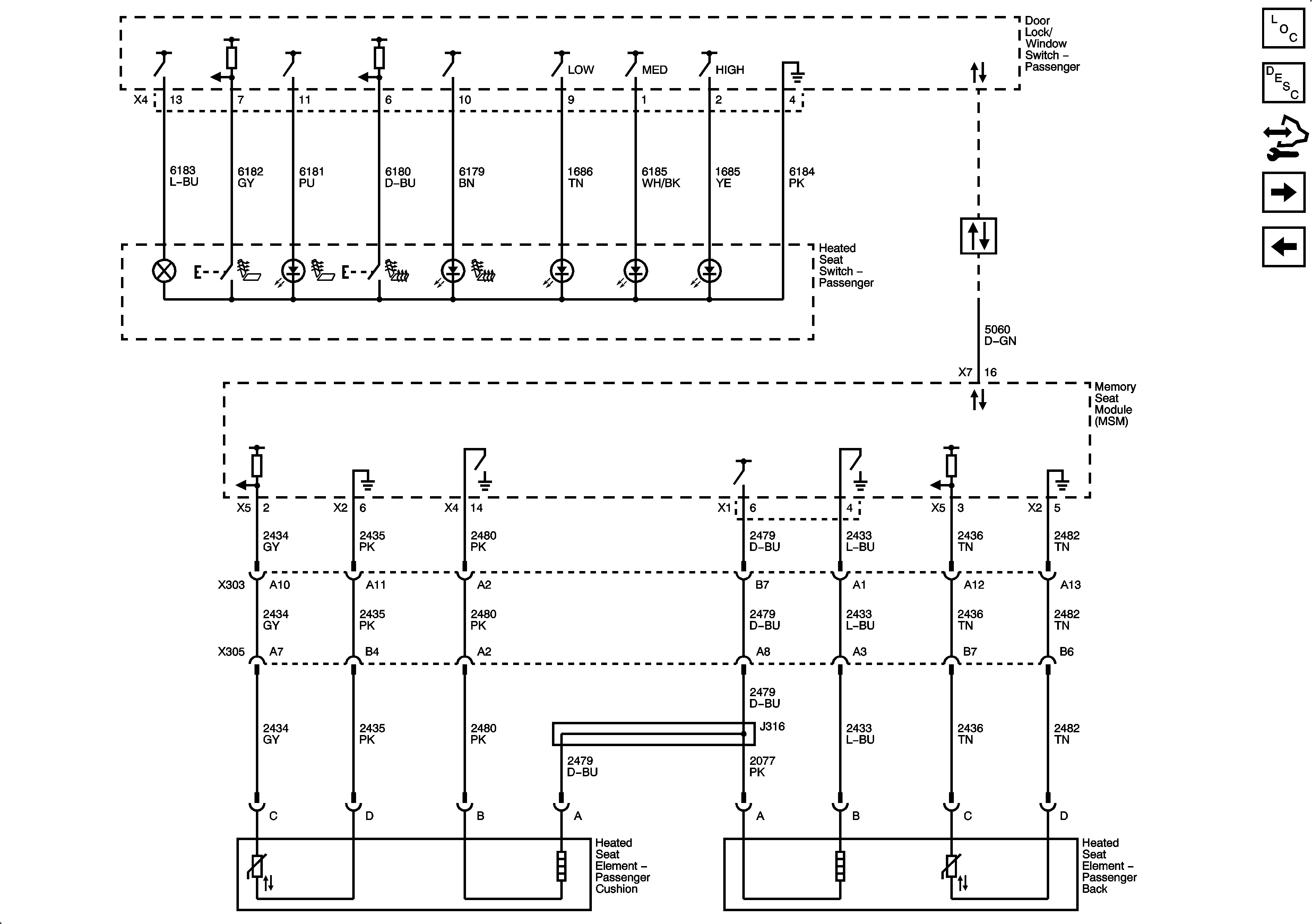
Figure 2:

Heated Seat - Passenger - Except KB6


Object Number: 2075588  Size: FS
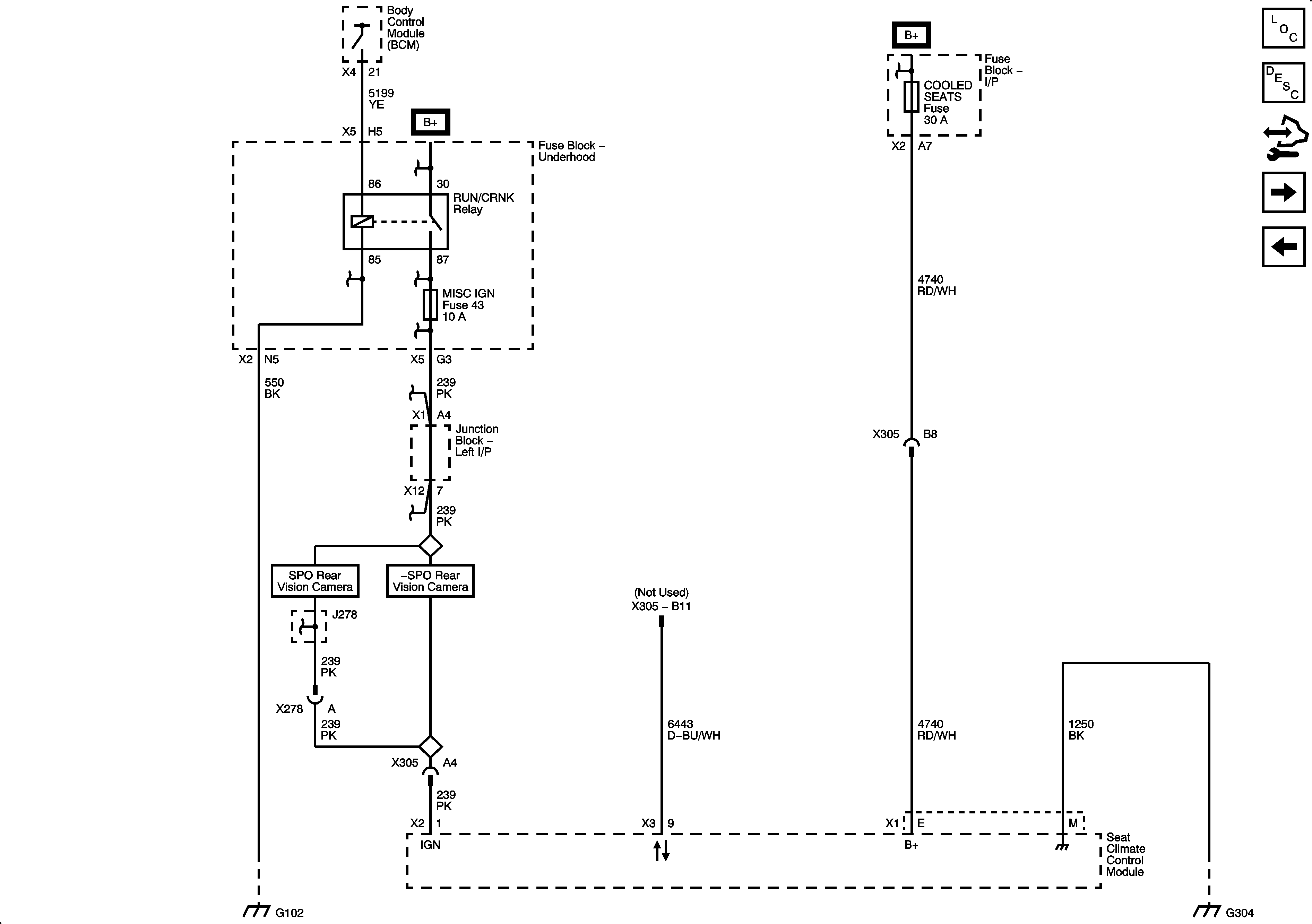
Figure 3:

Heated/Cooled Seat Module Power and Ground - KB6


Object Number: 2075590  Size: FS
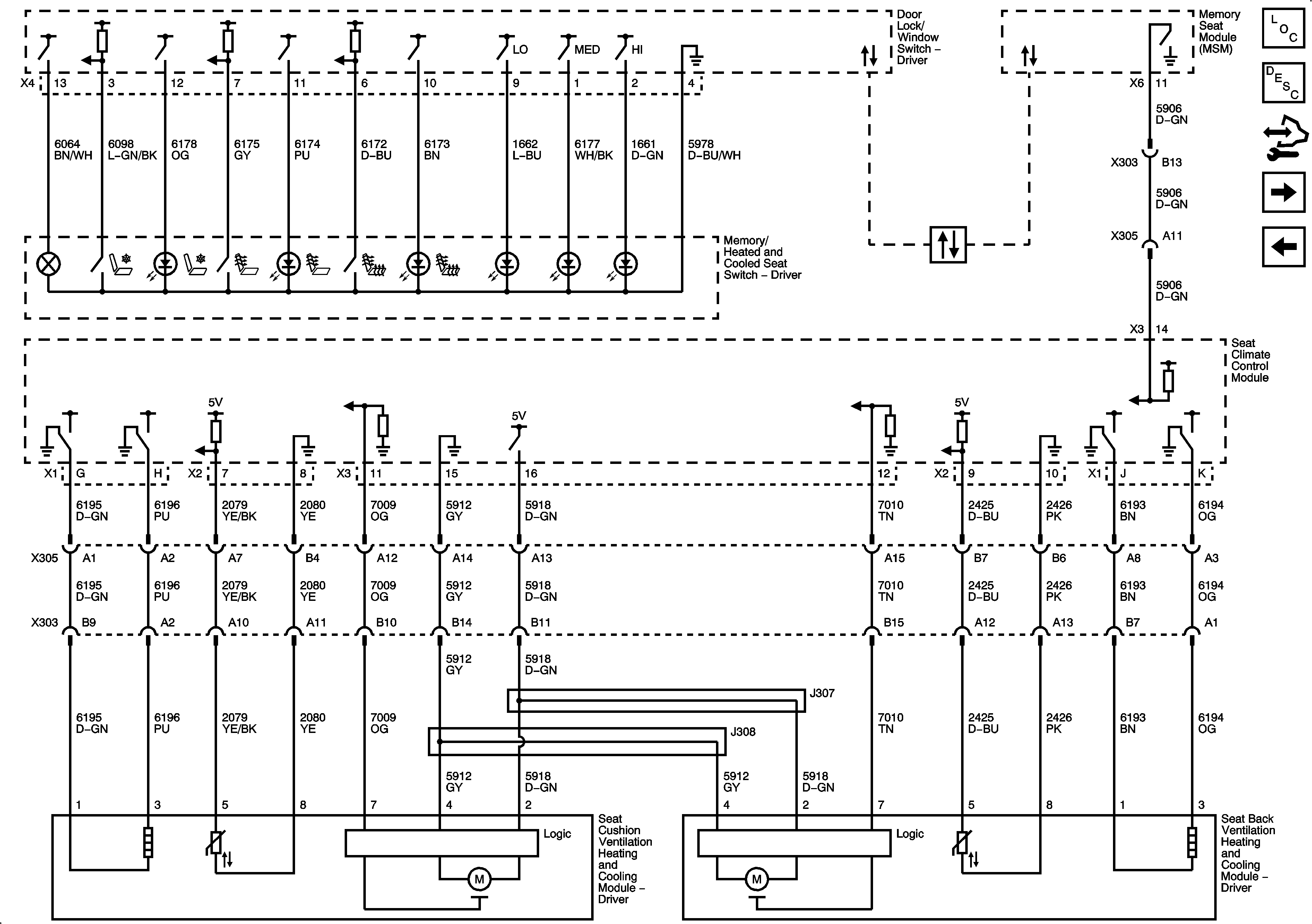
Figure 4:

Heated/Cooled Seat - Driver - Z75 with KB6


Object Number: 2075594  Size: FS
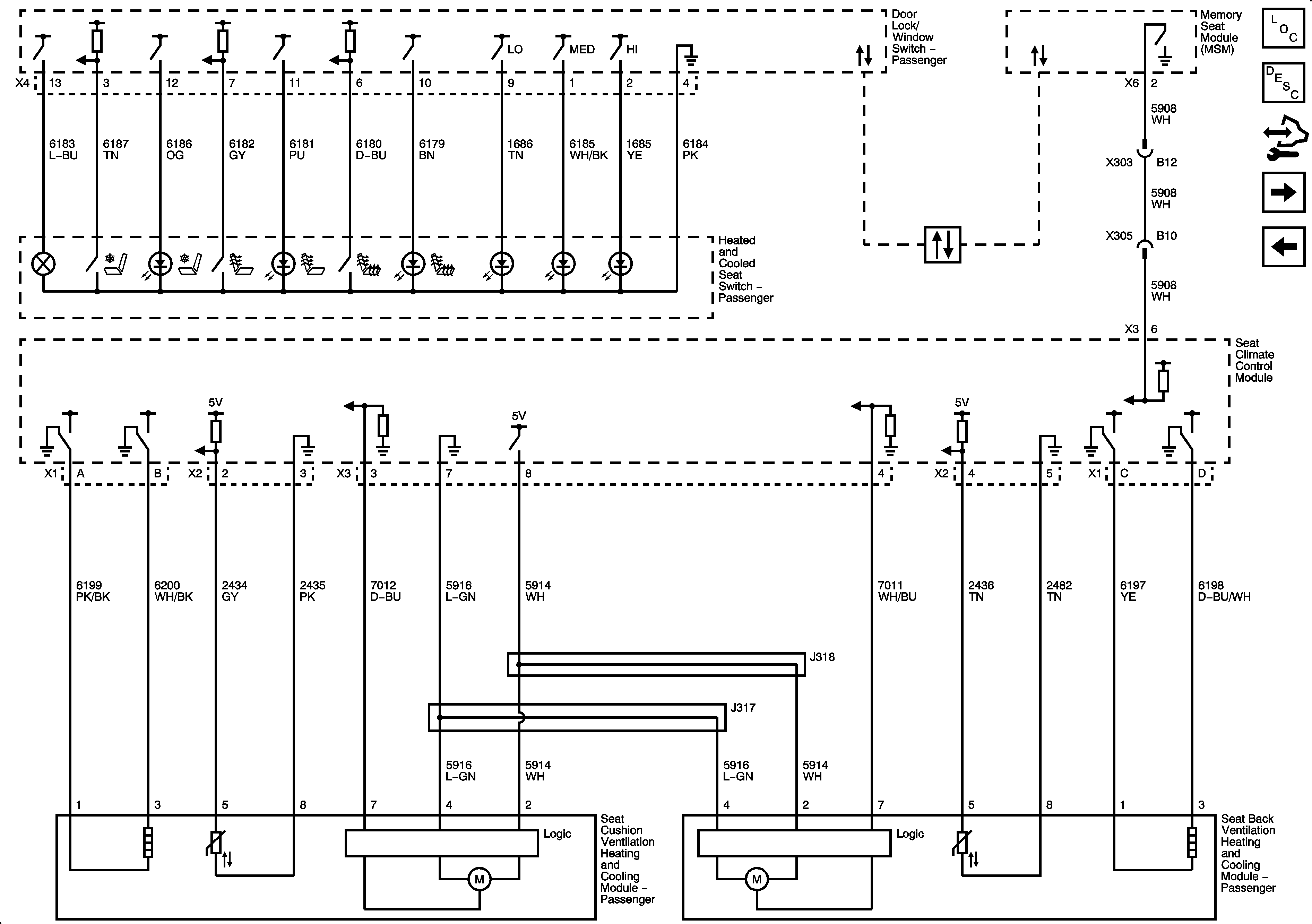
Figure 5:

Heated/Cooled Seat - Passenger - Z75 with KB6


Object Number: 2075597  Size: FS
Figure 6:

Heated/Cooled Seat - Driver - X88 or Z88 with KB6


Object Number: 2095244  Size: FS
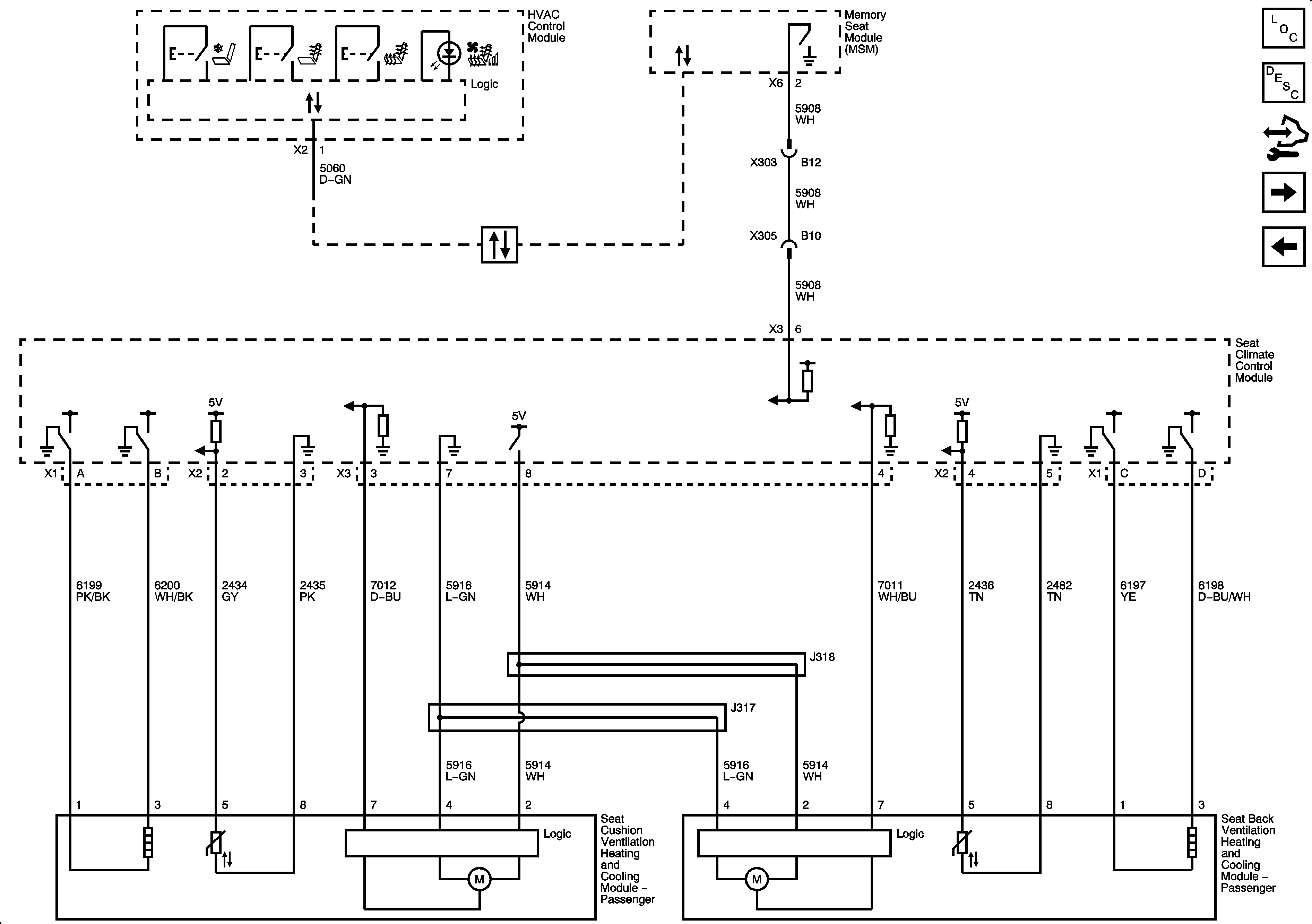
Figure 7:

Heated/Cooled Seat - Passenger - X88 or Z88 with KB6


Object Number: 2095256  Size: FS
Figure 8:

Heated Seat - Rear - KA6


Object Number: 2075600  Size: FS
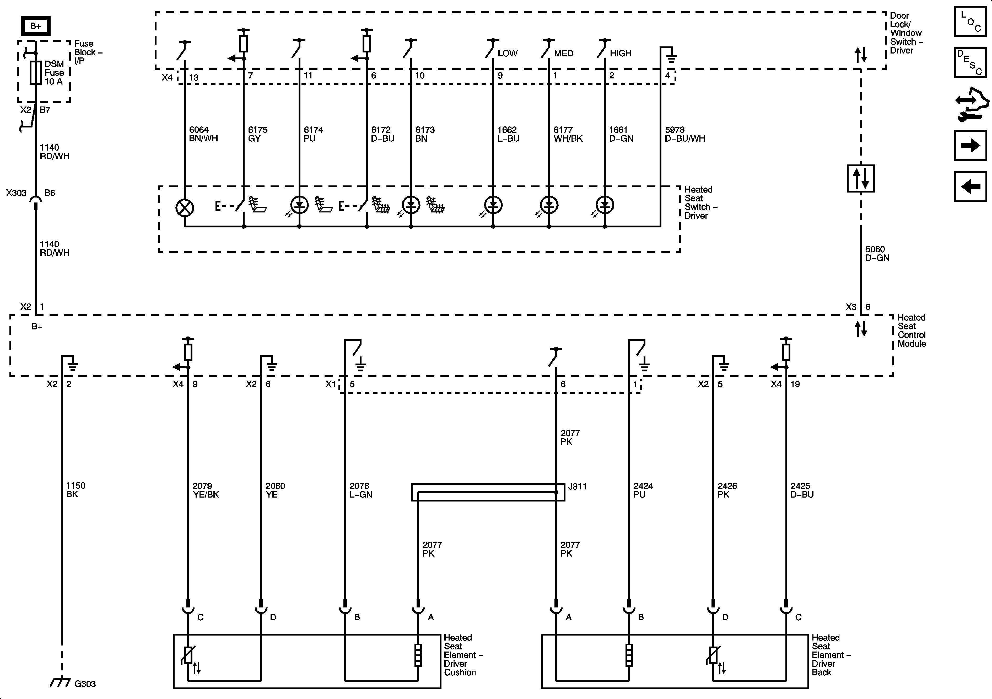
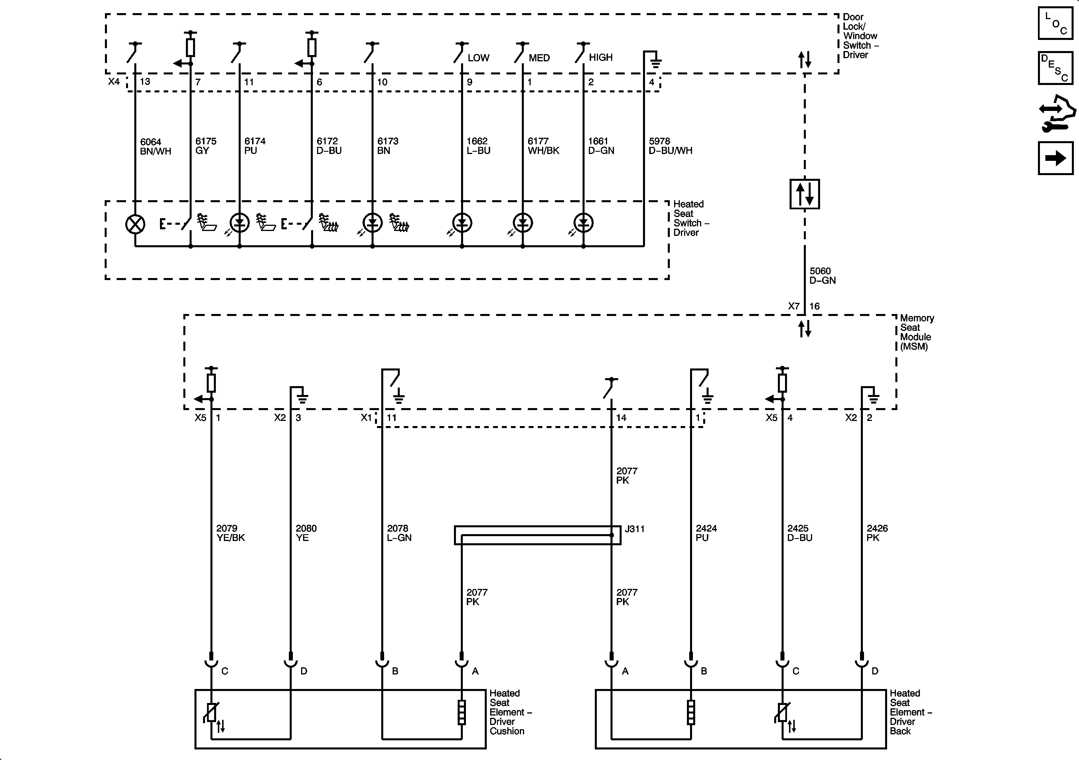
Figure 9:

Heated Seat - Driver - HP2


Object Number: 2075602  Size: FS
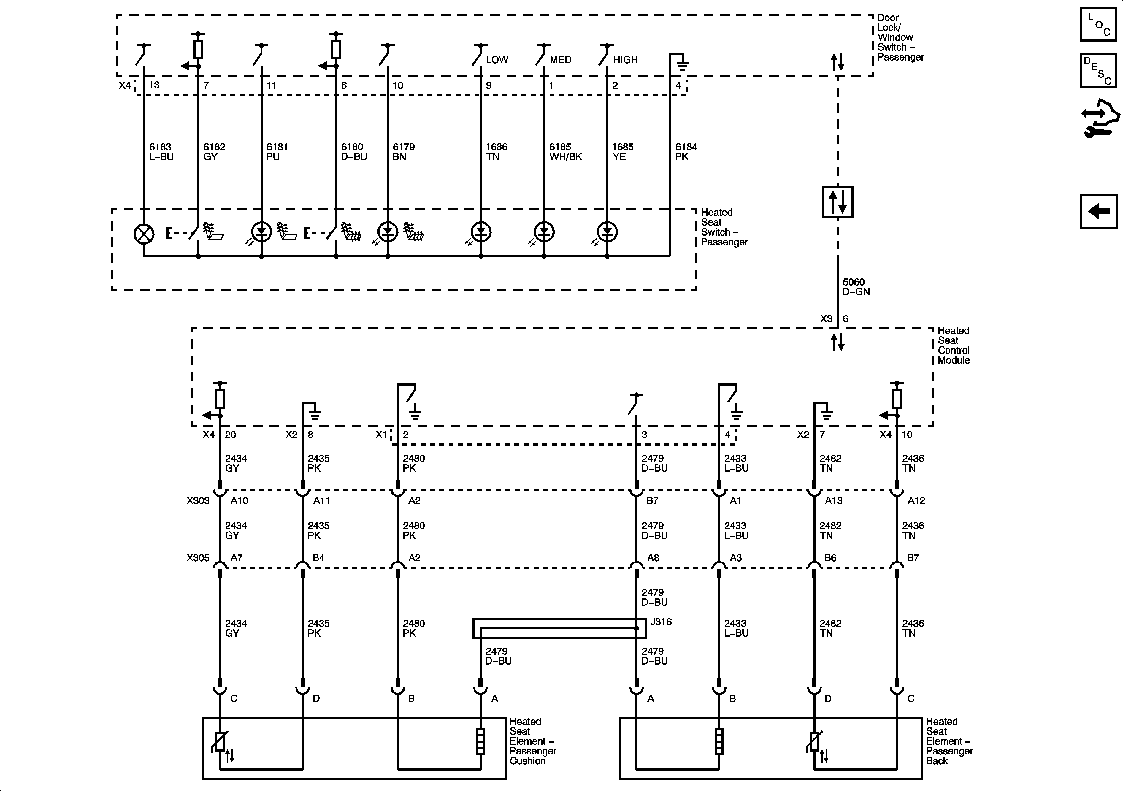
Figure 10:

Heated Seat - Passenger - HP2


Object Number: 2075605  Size: FS