GM Service Manual Online
For 1990-2009 cars only
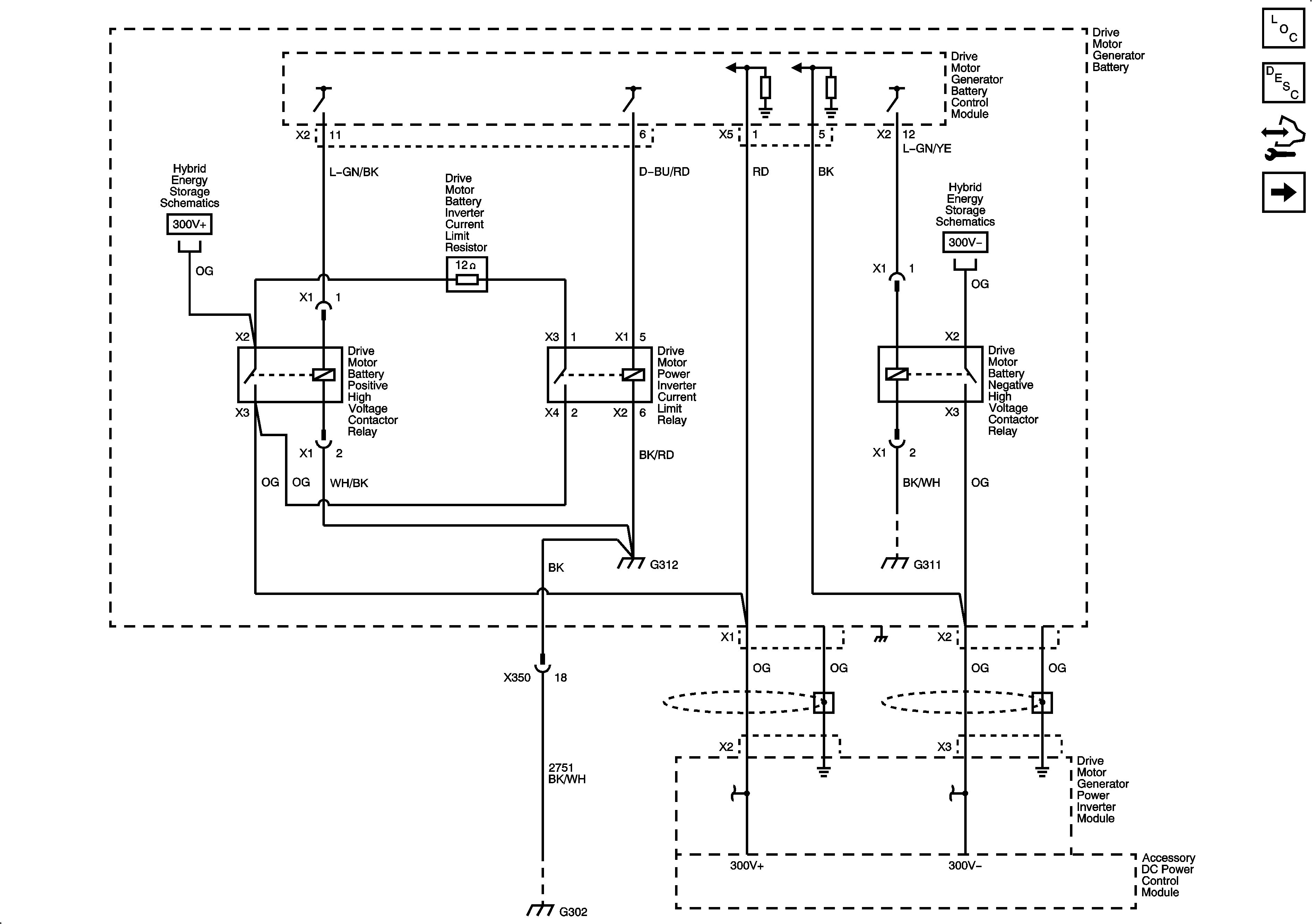
Figure 1:

Main Power Contactors


Object Number: 2075744  Size: FS
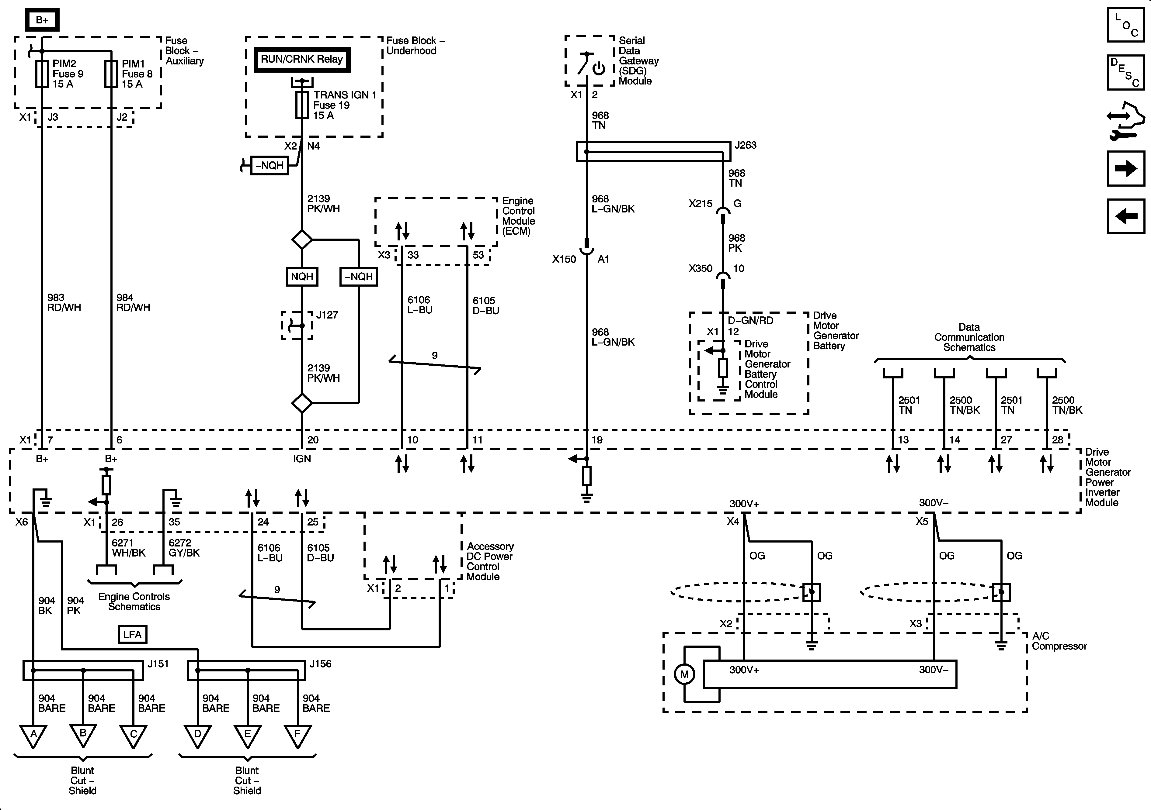
Figure 2:

Drive Motor Generator Power Inverter Module Power and Data Communication, High Voltage A/C Compressor Control


Object Number: 2075746  Size: FS
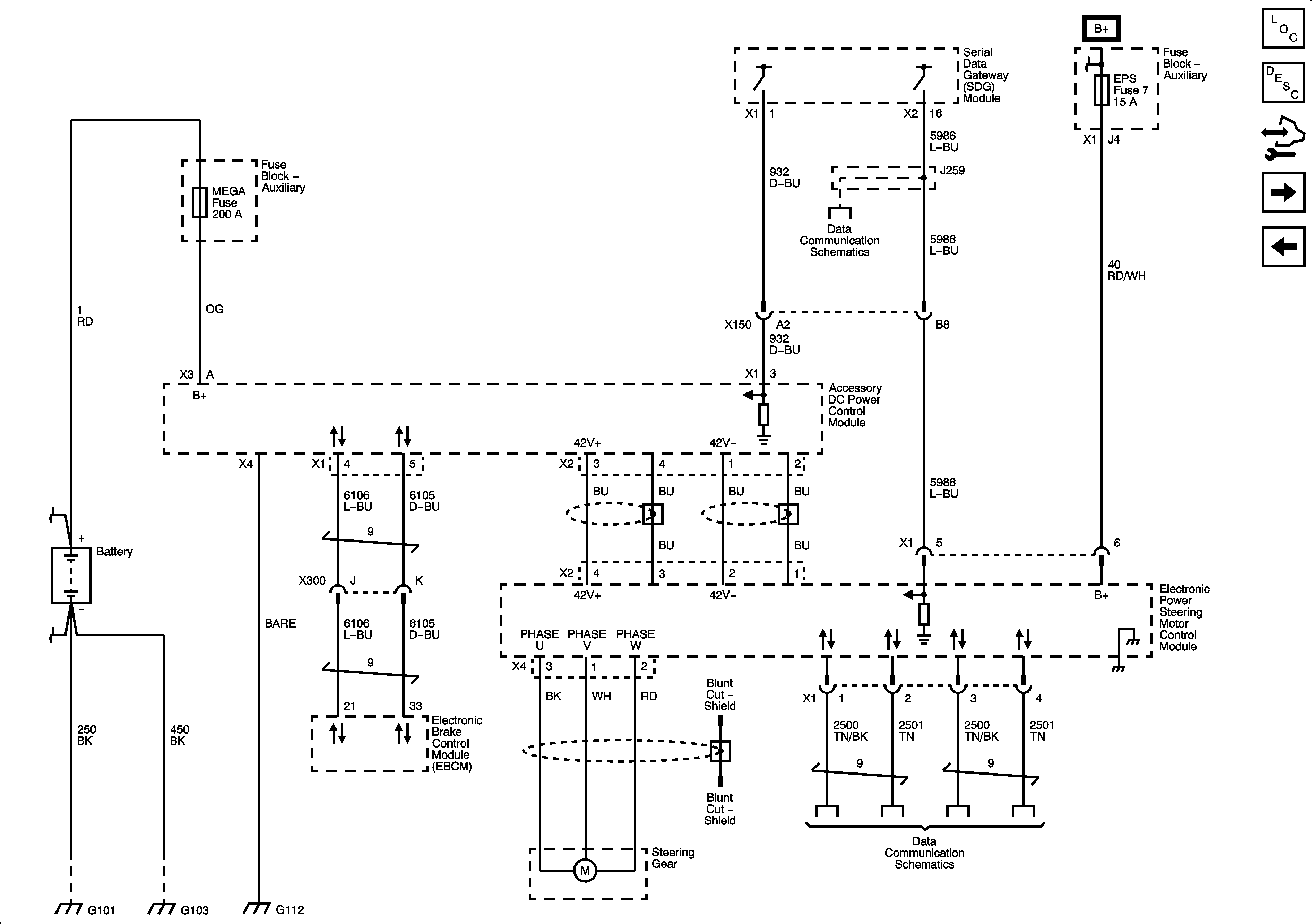
Figure 3:

Accessory DC Power Control, Hybrid Power Steering


Object Number: 2075748  Size: FS
Figure 4:

High Voltage Interlock Circuit (HVIC), Contactor Control Circuit


Object Number: 2075750  Size: FS
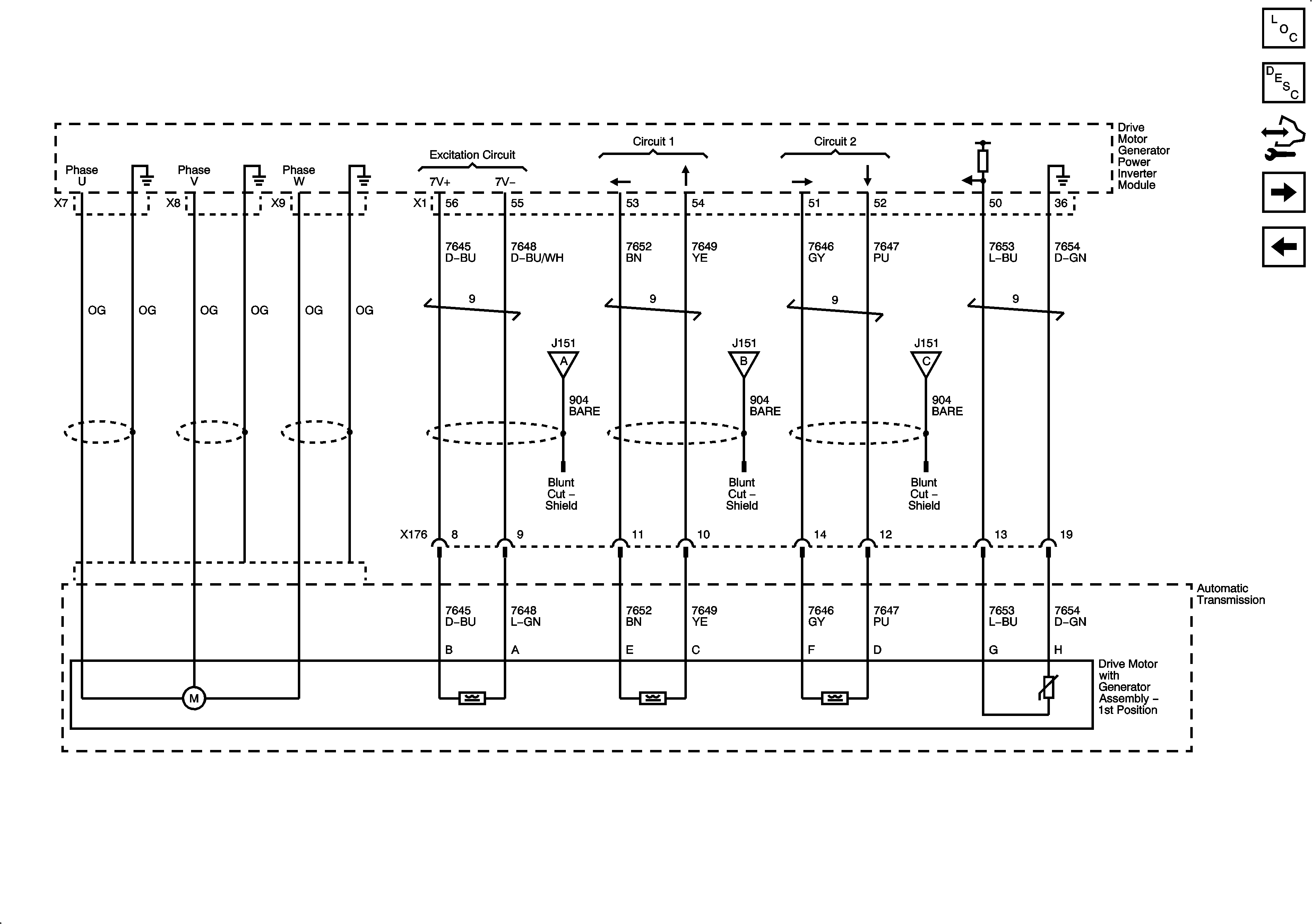
Figure 5:

Drive Motor with Generator Assembly - 1st Position


Object Number: 2075753  Size: FS
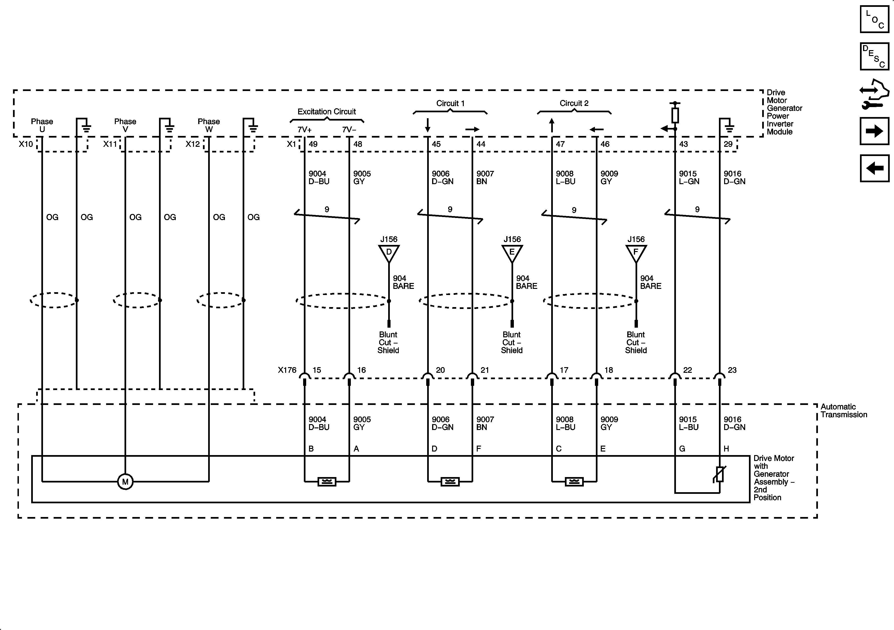
Figure 6:

Drive Motor with Generator Assembly - 2nd Position


Object Number: 2075756  Size: FS
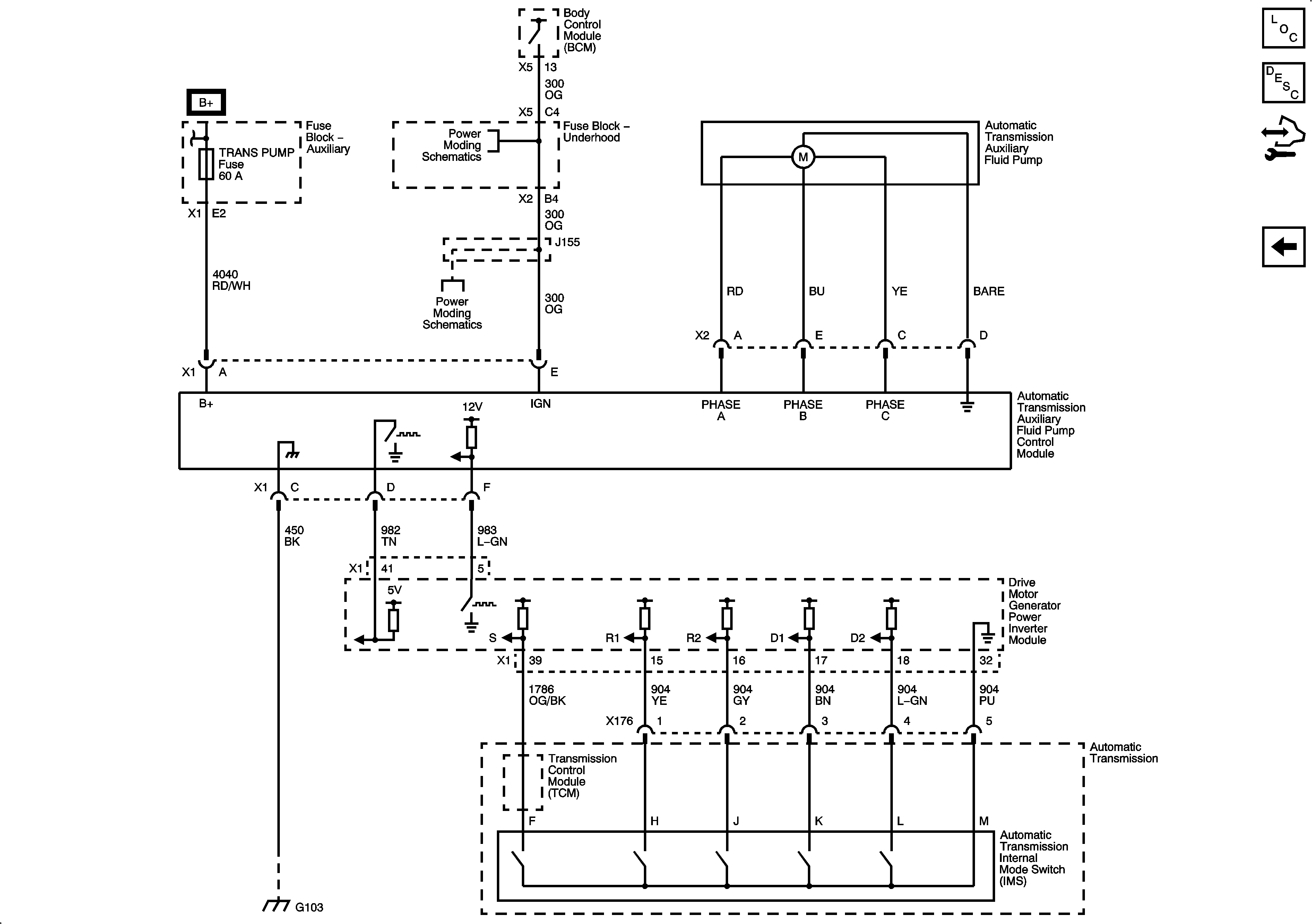
Figure 7:

Transmission Pump and Range Signals


Object Number: 2075758  Size: FS