GM Service Manual Online
For 1990-2009 cars only
Makes
🢒
Cadillac
🢒
2009
🢒
Escalade EXT
🢒
Diagnostic Navigation
🢒
Vehicle Diagnostic Information
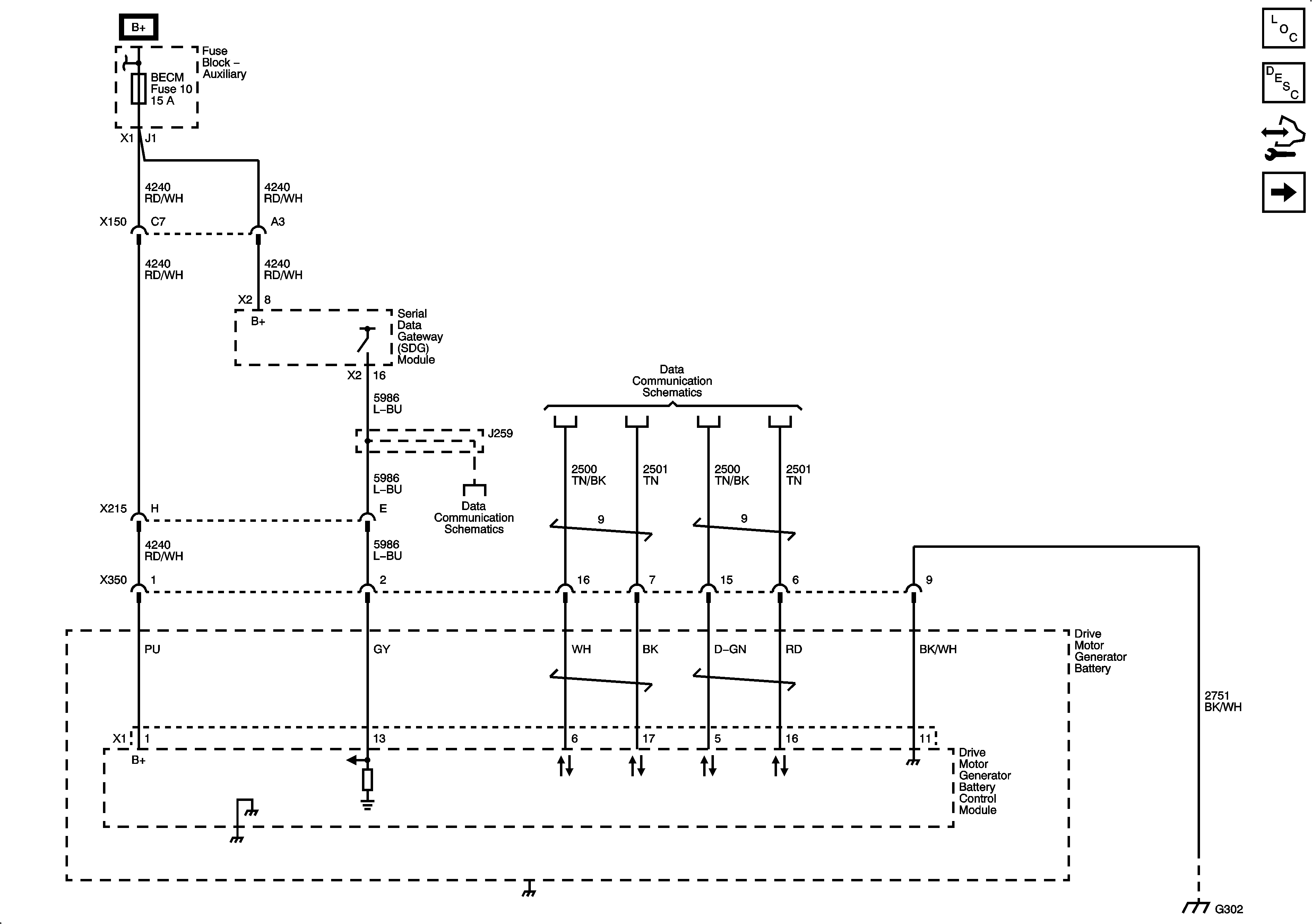
🢒 Hybrid Energy Storage Schematics
Figure
1:
Power, Ground and Data Communication
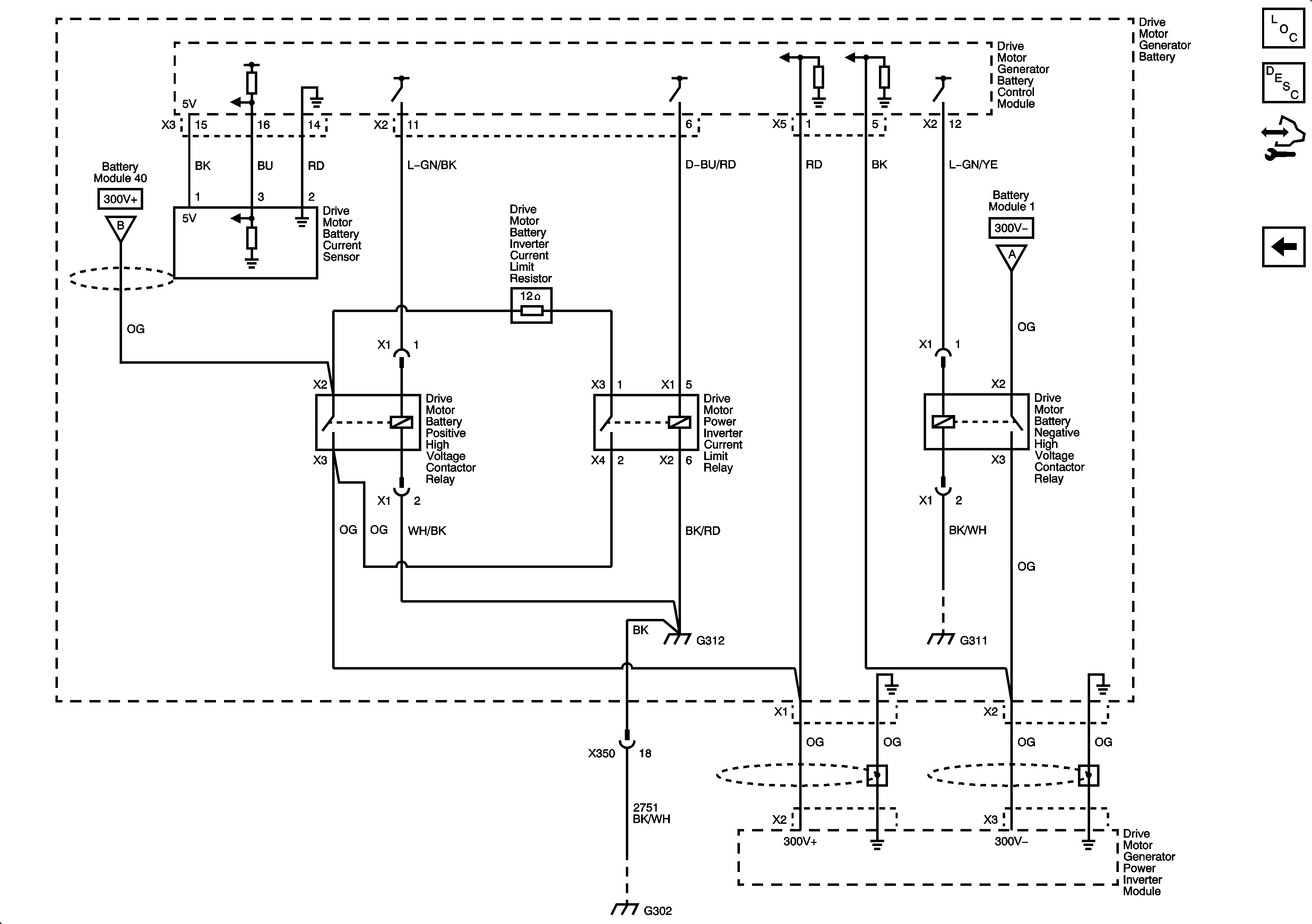
Figure
2:
Battery Modules, Manual Disconnect Lever
Figure
3:
Main Power Contactors